Liebherr LTM 1300-1 Z71142 Electric and Hydraulic Diagrams RU
Data Size: 69.73 MB
File Type: PDF
Language: Russian
Manufacturer: Liebherr
Applicable Machine: Crane
Document: Electric and Hydraulic Diagrams
Machine Model: Liebherr LTM 1300-1 Z71142 Crane
(LTM1300-1, LTM/1300-1, LTM_1300-1, LTM-1300-1, LTM-1300/1)
List Contents:
Additional Hydraulics Winch III Preparation 982897908_999_RU.pdf (3 Pages)
Compressed-Air System 983050508_999_RU.pdf (13 Pages)
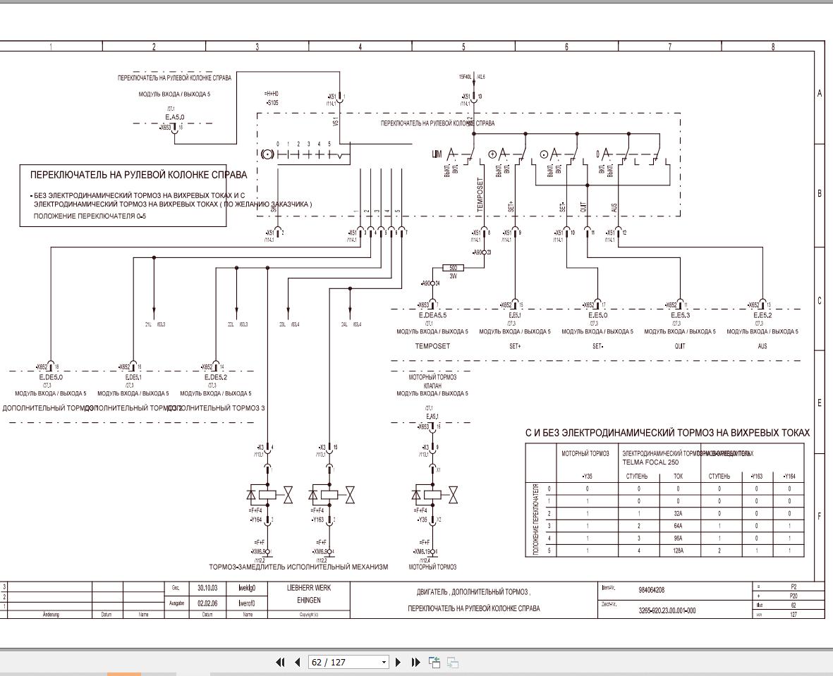
Electric Diagram 984064208_999_RU.pdf (127 Pages)
Electric Diagram 984232208_999_RU.pdf (200 Pages)
Hydraulic Diagram 984239508_999_RU.pdf (21 Pages)
Hydraulics Outriggers 982792708_999_RU.pdf (9 Pages)
Steering Hydraulics 982789908_999_RU.pdf (8 Pages)
Valves - Steering Pre-Assembled 982686308_999_RU.pdf (3 Pages)


