Liebherr LTM 1300 Z16788 Electric and Hydraulic Diagrams DE
Data Size: 40.83 MB
File Type: PDF
Language: German
Manufacturer: Liebherr
Applicable Machine: Crane
Document: Electric and Hydraulic Diagrams
Machine Model: Liebherr LTM 1300 Z16788 Crane
(LTM1300, LTM/1300, LTM_1300, LTM-1300)
List Contents:
981689908_000 DE.pdf (38 Pages)
981689908_999_DE.pdf (38 Pages)
Circuit diagram compressed air system 981507708_001 DE.pdf (2 Pages)
Circuit diagram compressed air system 982672408_000 DE.pdf (1 Page)
Contact Associates 981769608_000 DE.pdf (3 Pages)
Electric Diagram 981810308_001 DE.pdf (97 Pages)
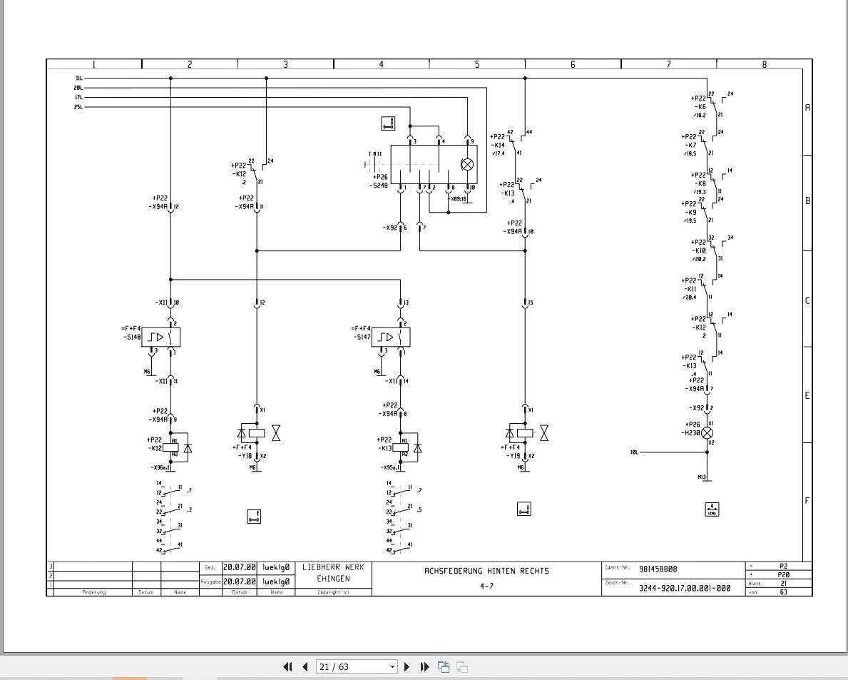
Electric Diagrams 981458808_000 DE.pdf (63 Pages)
Hydraulic Diagram 981458108_000 DE.pdf (2 Pages)
Hydraulic Diagram 981774408_003 DE.pdf (3 Pages)
Hydraulic Circuit 982455208_003 DE.pdf (2 Pages)
Overview Plan LTM 1300 981742608_000 DE.pdf (13 Pages)
Relay Carrier Device Arrangement 981742508_003 DE.pdf (1 Page)
STRANGPLAN W176 982595108_001 DE.pdf (2 Pages)
STRANGPLAN W861 981629008_000 DE.pdf (3 Pages)
STRANGPLAN W98 982596508_003 DE.pdf (2 Pages)
Terminal Box In Front 981600608_002 DE.pdf (1 Page)


