Liebherr LTM 1300 Z16788 Electric Diagrams EN
Data Size: 22.71 MB
File Type: PDF
Language: English
Manufacturer: Liebherr
Applicable Machine: Crane
Document: Electric Diagrams
Machine Model: Liebherr LTM 1300 Z16788 Crane
(LTM1300, LTM/1300, LTM_1300, LTM-1300)
List Contents:
Circuit diagram compressed air system 982672408_999_EN.pdf (2 Pages)
Electric Diagram 981458808_999_EN.pdf (63 Pages)
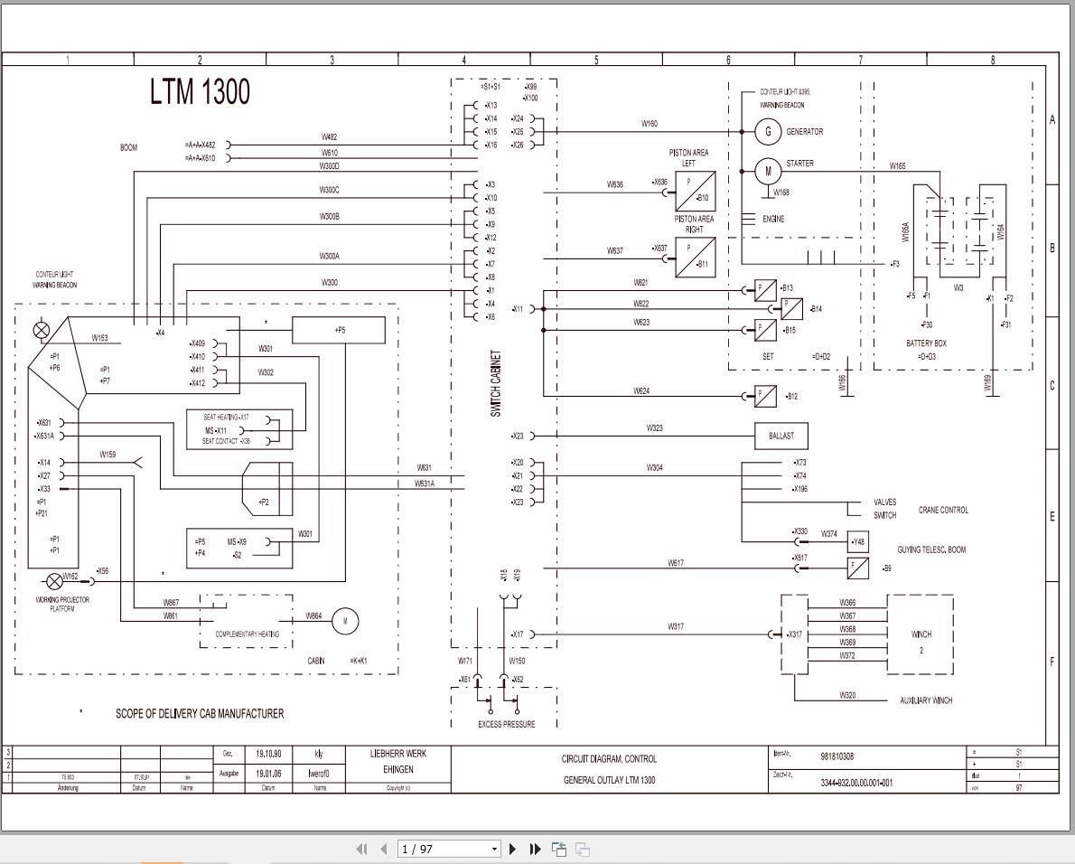
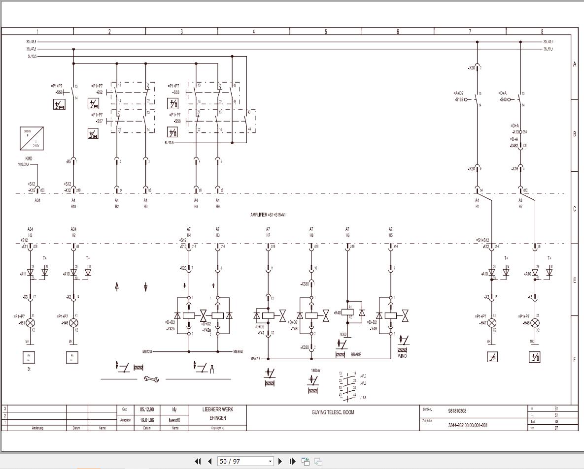
Electric Diagram 981810308_999_EN.pdf (97 Pages)
Pneumatic Trailer Coupling 982455208_999_EN.pdf (2 Pages)


