Liebherr LTM 1400-1 Z72005 Electric and Hydraulic Diagrams RU
Data Size: 61.69 MB
File Type: PDF
Language: Russian
Manufacturer: Liebherr
Applicable Machine: Crane
Document: Electric and Hydraulic Diagrams
Machine Model: Liebherr LTM 1400-1 Z72005 Crane
(LTM1400-1, LTM/1400-1, LTM_1400-1, LTM-1400-1, LTM-1400/1)
List Contents:
Control Hydraulics Compressed-Air System 983442808_999_RU.pdf (24 Pages)
Control Hydraulics Rear Axle Steering FMEA 983633608_999_RU.pdf (8 Pages)
Electric Diagram 983455108_999_RU.pdf (235 Pages)
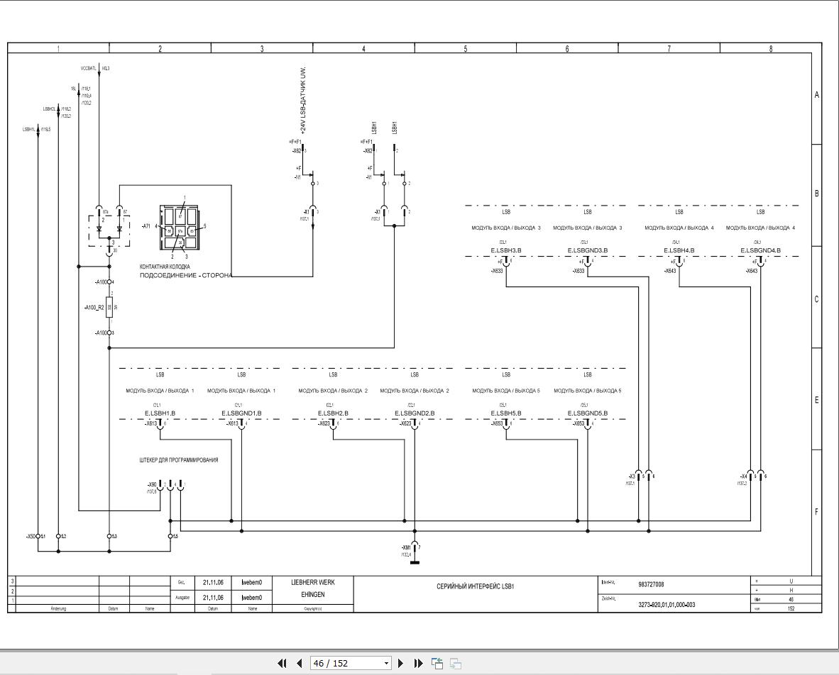
Electric Diagram 983727008_999_RU.pdf (152 Pages)
Hydraulic Axle Suspension 983590808_999_RU.pdf (7 Pages)
Hydraulics Outriggers Tubing Diagram 983585308_999_RU.pdf (6 Pages)
Hydraulics Preparation Winch III Pipework 983843308_999_RU.pdf (3 Pages)
Hydraulics Superstructure Diagram 983558808_999_RU.pdf (19 Pages)
Pneumatic Drivers Cab Tubing Diagram 983517508_999_RU.pdf (4 Pages)
Pneumatic Operators Cab 983715508_999_RU.pdf (3 Pages)
Pre-Assembley Bulkhead Plate 983517908_999_RU.pdf (3 Pages)
Steering Hydraulics Pipework 983600608_999_RU.pdf (6 Pages)


