Liebherr LTM 1400 Electrical and Hydraulic Diagrams
Size: 26.9 MB
Language: Deutsch
Machine: Crane
Machine Model: LTM 1400 , LTM1400 , LTM/1400
Document: Wiring Diagrams, Hydraulic Diagrams
List Files:
ANSCHLUSSPLAN - Connection Plan
AUFBAUPLAN - Construction Plan
Cabin wiring diagram
Circuit Diagram Compressed Air System
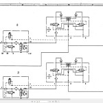
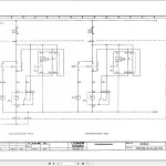
Circuit Diagram Electrics
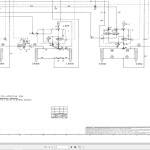
Circuit Diagram Hydraulics
KLEMMKASTEN VORM - Terminal Box In Front
Manufacturing Guideline Cable Harness
OW
Strangplan W861 - Line plan W861
Uebersichtsplan - Overview plan




