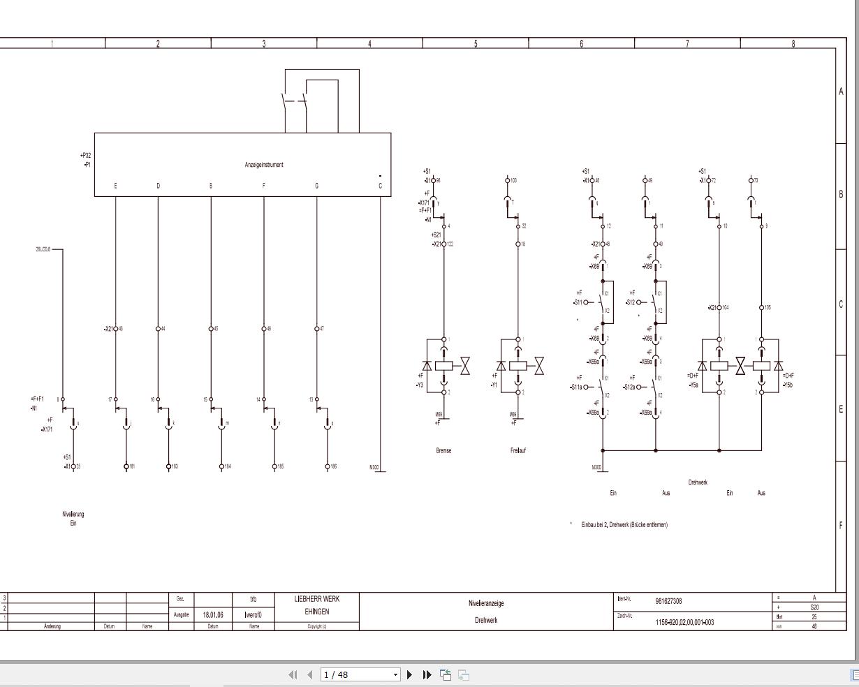
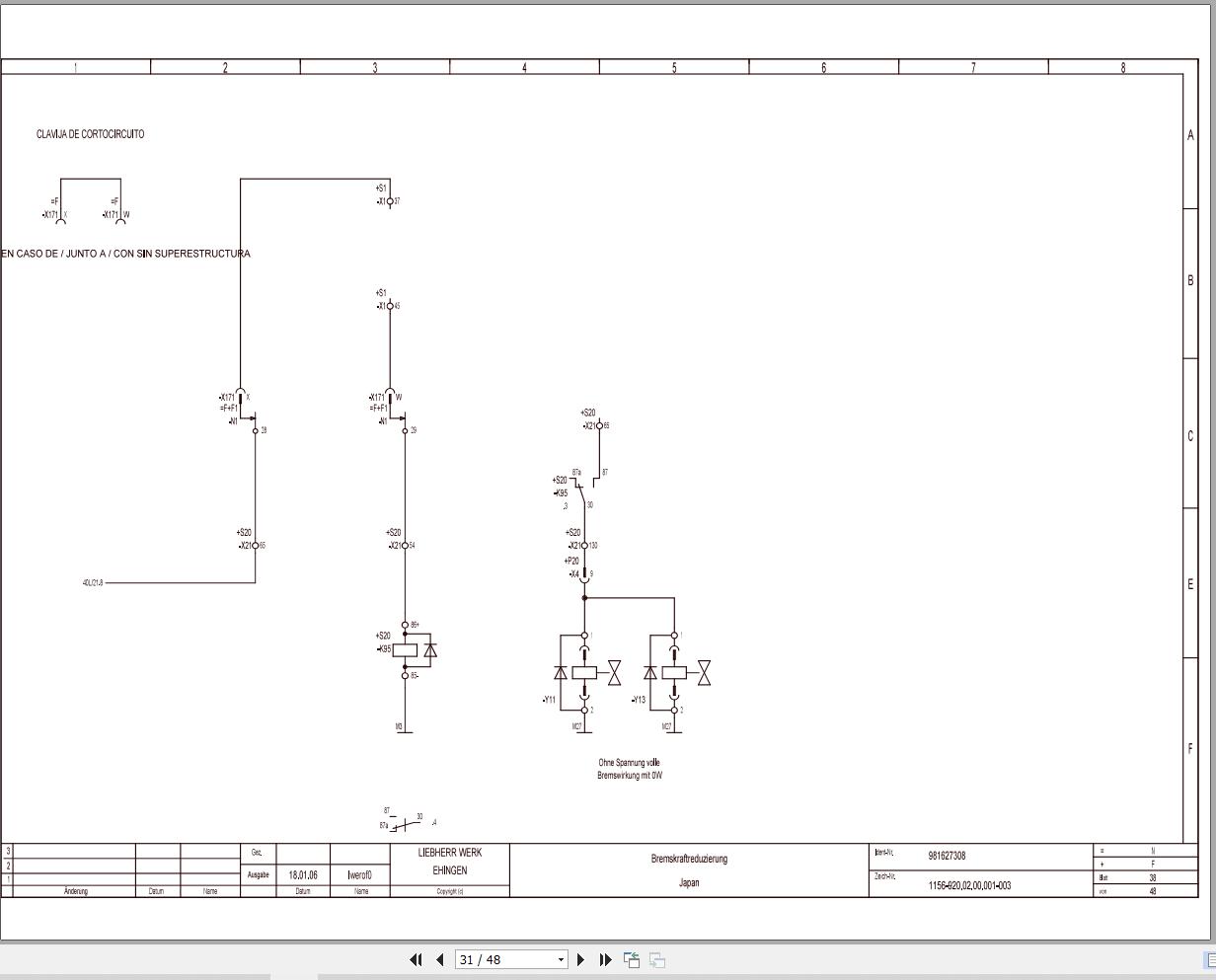
Liebherr LTM 1800 Z14232 Electric Diagrams ES
Data Size: 5.07 MB
File Type: PDF
Language: Spanish
Manufacturer: Liebherr
Applicable Machine: Crane
Document: Electric Diagrams
Machine Model: Liebherr LTM 1800 Z14232 Crane
(LTM1800, LTM/1800, LTM_1800, LTM-1800)
List Contents:
Electric Diagrams 981627308_999_ES.pdf (48 Pages)


