Liebherr LTMF 1030 V Z11621 Electric Diagrams DE
Data Size: 9.84 MB
File Type: PDF
Language: German
Manufacturer: Liebherr
Applicable Machine: Crane
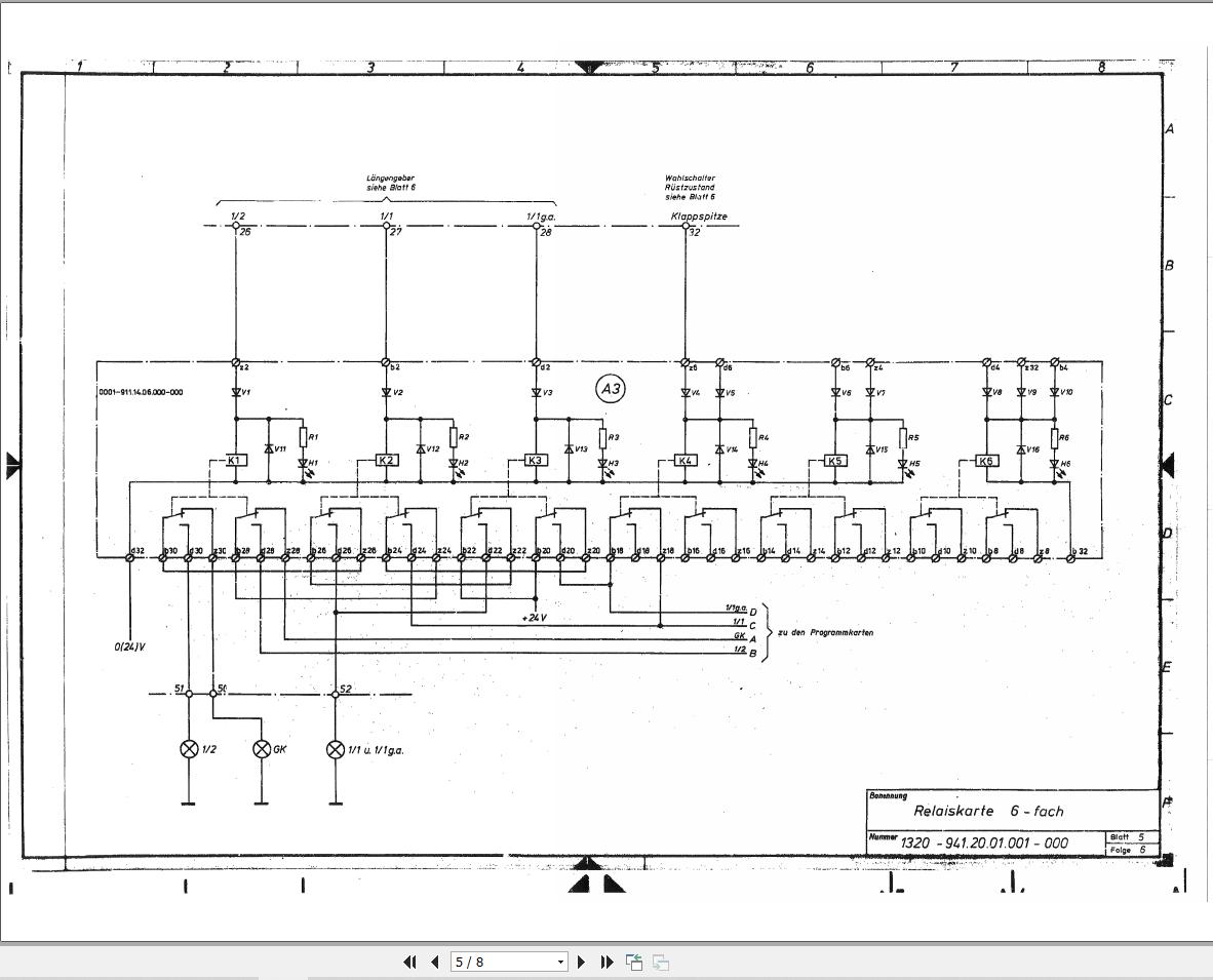
Document: Electric Diagrams
Machine Model: Liebherr LTMF 1030 V Z11621 Crane
(LTMF1030V, LTMF/1030V, LTMF_1030V, LTMF-1030V)
List Contents:
Electric Diagrams 980280408_000 DE.pdf (2 Pages)
Electric Diagrams 980385408_000 DE.pdf (8 Pages)
Electric Diagrams 980543508_000 DE.pdf (8 Pages)
Electric Diagrams 980546608_002 DE.pdf (9 Pages)
Electrical Wiring Diagram 24v 980517808_001 DE.pdf (1 Page)
Equipment Arrangement 980385508_000 DE.pdf (1 Page)
LMB OVERVIEW 980527908_000 DE.pdf (1 Page)
Wiring Plan 980543608_000 DE.pdf (4 Pages)


