Liebherr LTMG 1800 Z73702 Electric and Hydraulic Diagrams EN
Data Size: 57.05 MB
File Type: PDF
Language: English
Manufacturer: Liebherr
Applicable Machine: Crane
Document: Electric and Hydraulic Diagrams
Machine Model: Liebherr LTMG 1800 Z73702 Crane
(LTMG1800, LTMG/1800, LTMG_1800, LTMG-1800)
List Contents:
Additional Hydraulics Pin Extractor 982848308_999_EN.pdf (2 Pages)
Electric Diagram 982456908_999_EN.pdf (193 Pages)
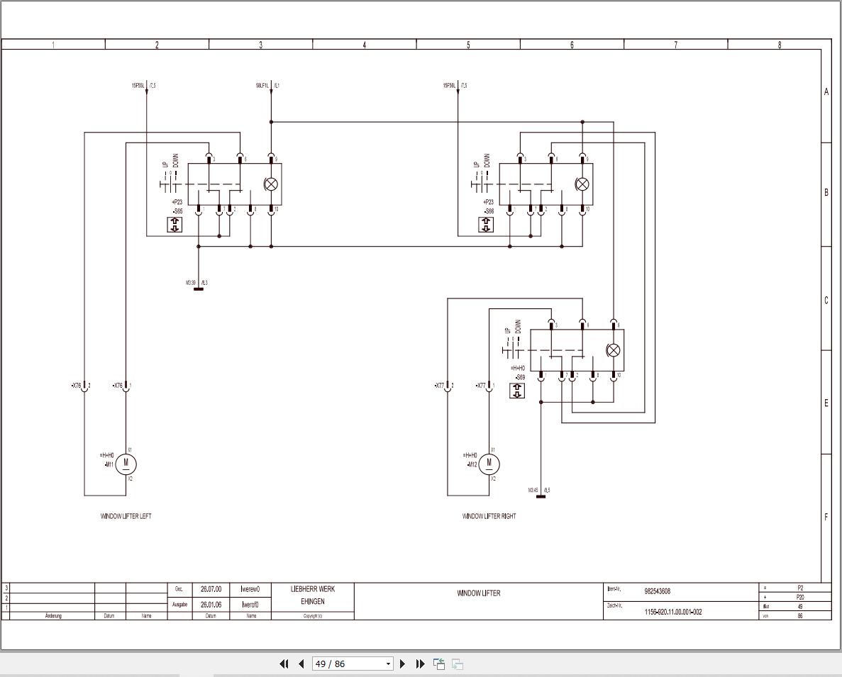
Electric Diagrams 982543608_999_EN.pdf (86 Pages)
Hydraulic Diagram 981962108_999_EN.pdf (2 Pages)
Hydraulic Diagram 982933408_999_EN.pdf (45 Pages)
Hydraulic Slewing Gear 982598208_999_EN.pdf (4 Pages)
Hydraulics D- Safety Retainer 982611008_999_EN.pdf (2 Pages)
Hydraulics Outriggers LTM 1800 982618308_999_EN.pdf (8 Pages)
Hydraulics S- Safety Retainer 982610908_999_EN.pdf (2 Pages)
Hydraulics Suspension LTM 1800 982629208_999_EN.pdf (11 Pages)
Steering Hydraulic Diagrams 982634408_999_EN.pdf (2 Pages)


