Liebherr MK 100 Z77250 Electric and Hydraulic Diagrams DE
Data Size: 33.08 MB
File Type: PDF
Language: German
Manufacturer: Liebherr
Applicable Machine: Crane
Document: Electric and Hydraulic Diagrams
Machine Model: Liebherr MK 100 Z77250 Crane
(MK100, MK/100, MK_100, MK-100)
List Contents:
Control Hydraulics Compressed-Air System 983473608_008 DE.pdf (18 Pages)
Inclination Sensor Initialization 984317008_000 DE.pdf (2 Pages)
Pneumatic Drivers Cab Tubing Diagram 983517508_009 DE.pdf (4 Pages)
Pre-Assembled Air Dryer Schematic Plan 984096408_000 DE.pdf (3 Pages)
Pre-Assembley Bulkhead Plate 983517908_005 DE.pdf (3 Pages)
Steering Hydraulics Pipework 983473708_002 DE.pdf (8 Pages)
Steering Pre-Assembled MK 100 983822708_000 DE.pdf (3 Pages)
Steering Valve Pre-Assembled 983878608_000 DE.pdf (3 Pages)
Suspension Tubing Diagram 983473908_003 DE.pdf (6 Pages)
Tubing Diagram Hydraulics Outriggers 983473808_004 DE.pdf (6 Pages)
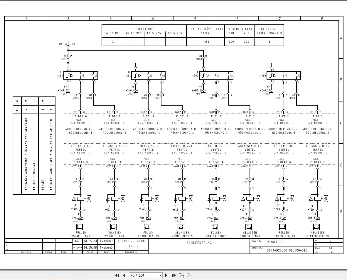
Wiring Diagram 983611108_010 DE.pdf (154 Pages)


