Liebherr MK 80 Z77064 Electric and Hydraulic Diagrams EN
Data Size: 26.08 MB
File Type: PDF
Language: English
Manufacturer: Liebherr
Applicable Machine: Crane
Document: Electric and Hydraulic Diagrams
Machine Model: Liebherr MK 80 Z77064 Crane
(MK80, MK/80, MK_80, MK-80)
List Contents:
Control Hydraulics Compressed-Air System 981190408_999_EN.pdf (16 Pages)
Electric Diagrams 981161908_999_EN.pdf (136 Pages)
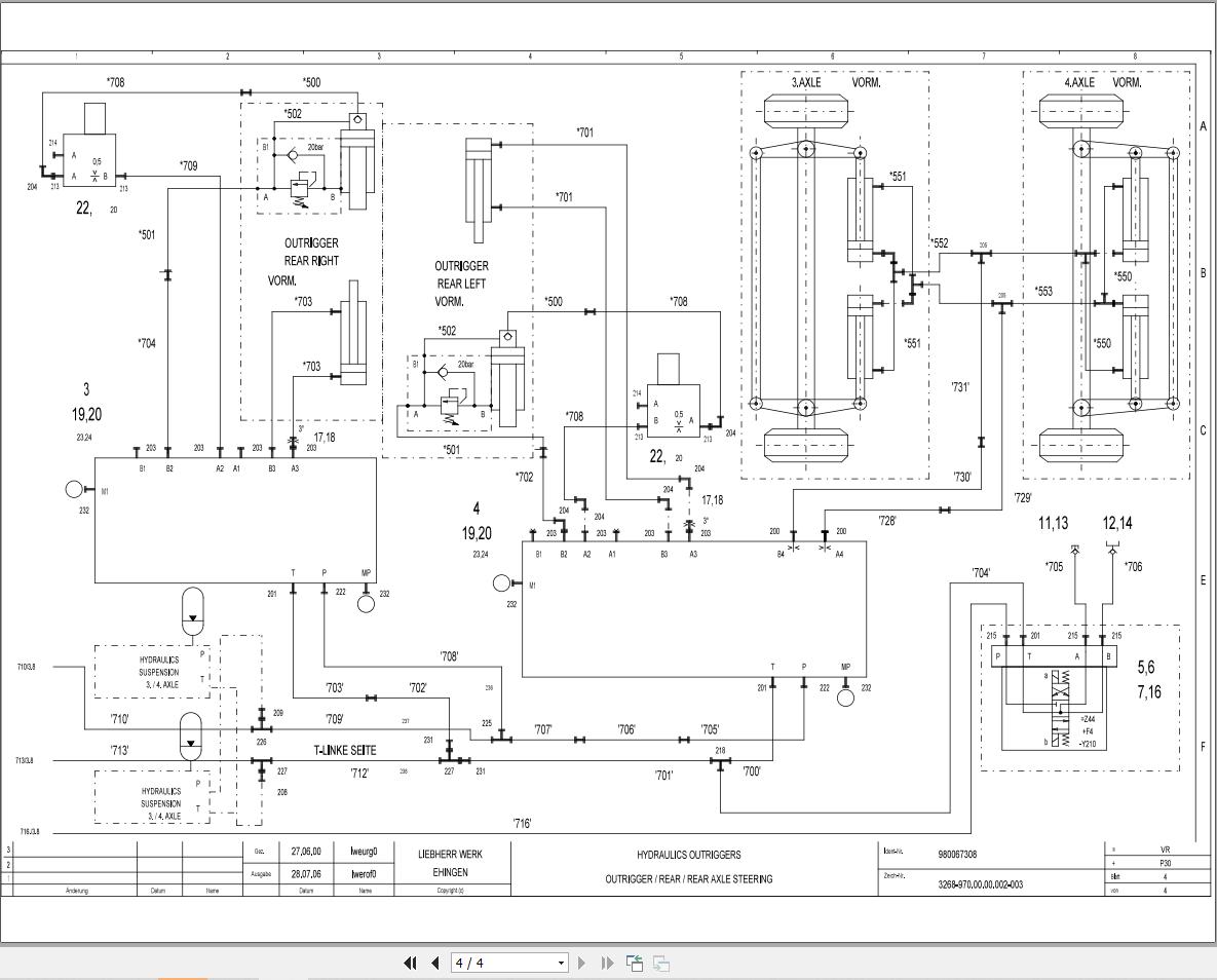
MK 80 Tubing Diagram Hydraulics Outriggers 980067308_999_EN.pdf (4 Pages)
Steering Hydraulics Pipework 980064708_999_EN.pdf (4 Pages)


