Liebherr R9350 Service Manual 11212899 12.2021
Size: 331.4 MB
Machine: Hydraulic Excavator
Machine Model: R9350
Serial Number: 30617
Order Number: 11212899
Issued: 12.2021
Pages: 2881 Pages
The Bookmarks of Liebherr R9350 Service Manual:
1 General
2 Safe work procedures / Risk assessment
3 Technical data
4 Operating maintenance
5 Tooling
6 Engine
7 Attachment / Travel systems
8 Swing system
9 Cooling system
10 Grease system
11 Access ladder and service station
12 Track tensioning system
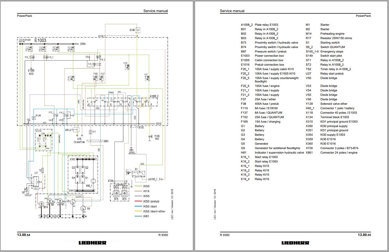
13 Electrical system
14 Pneumatic system
15 Uppercarriage - Mechanical
16 Undercarriage - Mechanical
17 Attachment - Mechanical
18 Heating and air-conditioning system
19 Fire suppression system
20 Starting aids (optional equipment)
21 Schematics
#More Product: Liebherr Heavy Equipment Operators, Parts, Service Manual


