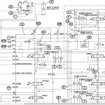
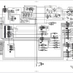
Link Belt 250X4LF Hydraulic & Electrical Schematic
Size: 8.06 MB
Language: English
Machine: Excavator
Machine Model: 250X4LF
Detail Content:
Link Belt 250X4 LF Excavator Hydraulic Schematic 12502285-0 EN - 2_2 .pdf
Link Belt 250X4 LF Excavator Hydraulic Schematic 22947271-0 EN.pdf
Link Belt 250X4 250X4 LF Excavator Electrical Schematic 66661033-0 EN - 3_3.pdf
Link Belt 250X4 250X4 LF Excavator Electrical Schematic 34956056-0 EN - 1_3.pdf
Link Belt 250X4 250X4 LF Excavator Electrical Schematic 68069218-0 EN - 2_3.pdf


