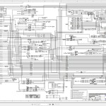
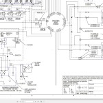
Link-Belt TCC-1100 Electrical and Hydraulic Diagram
Size: 0.79 MB
Language: English
Machine: Crane
Machine Model: TCC-1100
Document: Electrical Diagram, Hydraulic Schematic
Size: 0.79 MB
Language: English
Machine: Crane
Machine Model: TCC-1100
Document: Electrical Diagram, Hydraulic Schematic


