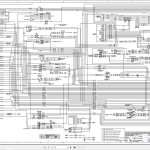
Link-Belt TCC-1100XP Electrical and Hydraulic Diagram
Size: 0.67 MB
Language: English
Machine: Crane
Machine Model: TCC-1100XP
Document: Electrical Diagram, Hydraulic Schematic
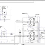
Size: 0.67 MB
Language: English
Machine: Crane
Machine Model: TCC-1100XP
Document: Electrical Diagram, Hydraulic Schematic


