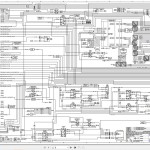
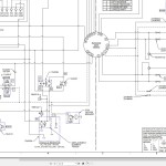
Link-Belt TCC-2500 Electrical and Hydraulic Diagram
Size: 0.97 MB
Language: English
Machine: Crane
Machine Model: TCC-2500
Document: Electrical Diagram, Hydraulic Schematic
Size: 0.97 MB
Language: English
Machine: Crane
Machine Model: TCC-2500
Document: Electrical Diagram, Hydraulic Schematic


