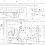
Link-Belt TCC-450 Electrical and Hydraulic Diagram
Size: 7.20 MB
Language: English
Machine: Crane
Machine Model: TCC-450
Document: Electrical Diagram, Hydraulic Schematic
Size: 7.20 MB
Language: English
Machine: Crane
Machine Model: TCC-450
Document: Electrical Diagram, Hydraulic Schematic


