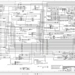
Link-Belt TCC-500CE Electrical and Hydraulic Diagram
Size: 0.70 MB
Language: English
Machine: Crane
Machine Model: TCC-500CE
Document: Electrical Diagram, Hydraulic Schematic
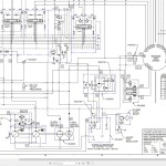
Size: 0.70 MB
Language: English
Machine: Crane
Machine Model: TCC-500CE
Document: Electrical Diagram, Hydraulic Schematic


