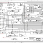
Link-Belt TCC-500F Electrical and Hydraulic Diagram
Size: 0.70 MB
Language: English
Machine: Crane
Machine Model: TCC-500F
Document: Electrical Schematic, Hydraulic Schematic
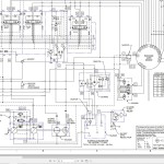
Size: 0.70 MB
Language: English
Machine: Crane
Machine Model: TCC-500F
Document: Electrical Schematic, Hydraulic Schematic


