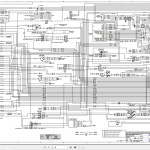
Link-Belt TCC-750CE Electrical and Hydraulic Diagram
Size: 0.71 MB
Language: English
Machine: Crane
Machine Model: TCC-750CE
Document: Electrical Diagram, Hydraulic Schematic
Size: 0.71 MB
Language: English
Machine: Crane
Machine Model: TCC-750CE
Document: Electrical Diagram, Hydraulic Schematic


