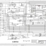
Link-Belt TCC-750XP Electrical and Hydraulic Diagram
Size: 0.50 MB
Language: English
Machine: Crane
Machine Model: TCC-750XP
Document: Electrical Diagram, Hydraulic Schematic
Size: 0.50 MB
Language: English
Machine: Crane
Machine Model: TCC-750XP
Document: Electrical Diagram, Hydraulic Schematic


