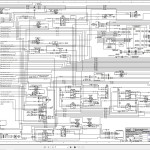
Link-Belt TCC-800 Electrical and Hydraulic Diagram
Size: 0.84 MB
Language: English
Machine: Crane
Machine Model: TCC-800
Document: Electrical Diagram, Hydraulic Schematic
Size: 0.84 MB
Language: English
Machine: Crane
Machine Model: TCC-800
Document: Electrical Diagram, Hydraulic Schematic


