LinkBelt X4 Series 10 GB PDF Schematic, Training Service Manual
Size: 10 GB
Format: PDF
Language: English
Brand: LinkBelt
Machine: Excavator
Document: Training Manual, Electrical & Hydraulic Schematic, Service Manual
Model: LinkBelt X4 Series 10 GB PDF
Contact Us : “CLICK HERE ”
Payment Method : “CLICK HERE ”
Shopping Guide : “CLICK HERE ”
Detail Content:
*Service information*
Fuel charge pump filter change PDF
Quick-Reference-Guide-19 PDF
X2-X4 pin size chart PDF
*Link-Belt X4 information*
130X4
Link-Belt 130X4 160X4 Training Manual Portfolio 16Feb09 PDF
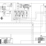
Link-Belt 130X4 130X4 DZ 130X4 LC Hydraulic Schematic (BLADE) 28893543-1 EN - 2_2 PDF
Link-Belt 130X4 130X4 DZ 130X4 LC Hydraulic Schematic 53739780-1 EN - 1_2 PDF
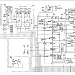
Link-Belt 130X4 130X4 DZ 130X4 LC 145X4 DZ 145X4 LC160X4 210X4 210X4 LF 245X4 DZ 245X4 LC 250X4 250X4 LF 300X4 350X4 350X4 LF 490X4 750X4 Electrical Schematic (WAVES) 89900286-4 EN PDF
Link-Belt 130X4 130X4 DZ 130X4 LC 160X4 Electrical Schematic (ENGINE) 84250619-1 EN - 2_3 PDF
Link-Belt 130X4 130X4 DZ 130X4 LC 160X4 Electrical Schematic (MAIN UNIT) 27292771-2 EN - 1_3 PDF
Link-Belt 130X4 130X4 DZ 130X4 LC 160X4 Electrical Schematic (OPTION) 49132829-2 EN - 3_3 PDF
Link-Belt 130X4 130X4 DZ 130X4 LC 160X4 210X4 210X4 LF 250X4 250X4 LF 300X4 350X4 350X4 LF 380X4 MH 490X4 750X4 Electrical Schematic (GPS) 68112363-2 EN PDF
Link-Belt 130X4 130X4 LC 130X4 DZ A3 Assembly Diagrams Service Manual WLSM1307-01LX-A3-Oct15. PDF
145X4
Link-Belt 130X4 130X4 DZ 130X4 LC 145X4 DZ 145X4 LC160X4 210X4 210X4 LF 245X4 DZ 245X4 LC 250X4 250X4 LF 300X4 350X4 350X4 LF 490X4 750X4 Electrical Schematic (WAVES) 89900286-4 EN PDF
Link-Belt 145X4 A3 Assembly Diagrams Service Manual WLSM1457-00LX-A3 PDF
Link-Belt 145X4 DZ 145X4 LC Electrical Schematic (OPTION) 20589547-1 EN - 3_3 PDF
Link-Belt 145X4 DZ 145X4 LC Electrical Schematic (ENGINE) 17729324-1 EN - 2_3 PDF
Link-Belt 145X4 DZ 145X4 LC Electrical Schematic (MAIN UNIT) 87061195-1 EN - 1_3 PDF
Link-Belt 145X4 DZ 145X4 LC Hydraulic Schematic (BLADE) 26736865-1 EN - 2_2 PDF
Link-Belt 145X4 DZ 145X4 LC Hydraulic Schematic 12596221-2 EN - 1_2 PDF
Link-Belt 145X4 Service Training Manual Portfolio 17Oct01 PDF
160X4
Link-Belt 130X4 130X4 DZ 130X4 LC 160X4 210X4 210X4 LF 250X4 250X4 LF 300X4 350X4 350X4 LF 380X4 MH 490X4 750X4Electrical Schematic (GPS) 68112363-2 EN PDF
Link-Belt 130X4 130X4 DZ 130X4 LC 160X4 Electrical Schematic (OPTION) 49132829-2 EN - 3_3 PDF
Link-Belt 130X4 160X4 Training Manual Portfolio 16Feb09 PDF
Link-Belt 130X4 130X4 DZ 130X4 LC 160X4 Electrical Schematic (ENGINE) 84250619-1 EN - 2_3 PDF
Link-Belt 130X4 130X4 DZ 130X4 LC 160X4 Electrical Schematic (MAIN UNIT) 27292771-2 EN - 1_3 PDF
Link-Belt 160X4 A3 Assembly Diagrams Service Manual WLSM1607-01LX-A3-17Oct PDF
Link-Belt 160X4 Hydraulic Schematic 83771221-1 EN - 12 PDF
Link-Belt 160X4 Hydraulic Schematic(OPTION) 28991922-1 EN - 22 PDF
210X4
Link-Belt 130X4 130X4 DZ 130X4 LC 145X4 DZ 145X4 LC 160X4 210X4 210X4 LF 245X4 DZ 245X4 LC 250X4 250X4 LF 300X4 350X4 350X4 LF 490X4 750X4 Electrical Schematic (WAVES) 89900286-4 EN PDF
Link-Belt 130X4 130X4 DZ 130X4 LC 160X4 210X4 210X4 LF 250X4 250X4 LF 300X4 350X4 350X4 LF 380X4 MH 490X4 750X4 Electrical Schematic (GPS) 68112363-2 EN - - + + PDF
Link-Belt 210X4 Hydraulic Schematic (OPTION) 76313653-1 EN - 2_2 PDF
Link-Belt 210X4 Hydraulic Schematic 30198437-1 EN - 1_2 PDF
Link-Belt 210X4 LF Hydraulic Schematic (OPTION) 86039029-2 EN - 2_2 PDF
Link-Belt 210X4 LF Hydraulic Schematic 78242445-2 EN - 1_2 PDF
Link-Belt 210X4 210X4 LF 250X4 250X4 LF Electrical Schematic (MAIN UNIT) 34956056-4 EN - 1_3 PDF
Link-Belt 210X4 210X4 LF 250X4 250X4 LF Electrical Schematic (ENGINE) 68069218-4 EN - 2_3 PDF
Link-Belt 210X4 210X4 LF 250X4 250X4 LF Electrical Schematic (OPTION) 66661033-4 EN - 3_3 PDF
Link-Belt 210X4_210X4 LF A3 Assembly Diagrams Service Manual PDF
245X4
Link-Belt 130X4 130X4 DZ 130X4 LC 145X4 DZ 145X4 LC160X4 210X4 210X4 LF 245X4 DZ 245X4 LC 250X4 250X4 LF 300X4 350X4 350X4 LF 490X4 750X4 Electrical Schematic (WAVES) 89900286-4 EN PDF
Link-Belt 245X4 A3 Assembly Diagrams Service Manual WLSM2457-00LX-A3 PDF
Link-Belt 245X4 DZ 245X4 LC Electrical Schematic (ENGINE) 58577111-1 EN - 2_3 PDF
Link-Belt 245X4 DZ 245X4 LC Electrical Schematic (MAIN UNIT) 27828962-1 EN - 1_3 PDF
Link-Belt 245X4 DZ 245X4 LC Electrical Schematic (OPTION) 26902875-1 EN - 3_3 PDF
Link-Belt 245X4 DZ 245X4 LC Hydraulic Schematic (BLADE) 38050603-1 EN - 2_2 PDF
Link-Belt 245X4 DZ 245X4 LC Hydraulic Schematic 46551568-1 EN - 1_2 PDF
Link-Belt 245X4 Training Manual Portfolio 17Nov01 PDF
250X4
Link-Belt 130X4 130X4 DZ 130X4 LC 145X4 DZ 145X4 LC160X4 210X4 210X4 LF 245X4 DZ 245X4 LC 250X4 250X4 LF 300X4 350X4 350X4 LF 490X4 750X4 Electrical Schematic (WAVES) 89900286-4 EN PDF
Link-Belt 130X4 130X4 DZ 130X4 LC 160X4 210X4 210X4 LF 250X4 250X4 LF 300X4 350X4 350X4 LF 380X4 MH 490X4 750X4 Electrical Schematic (GPS) 68112363-2 EN - - + + PDF
Link-Belt 210X4 210X4 LF 250X4 250X4 LF Electrical Schematic (MAIN UNIT) 34956056-4 EN - 1_3 PDF
Link-Belt 210X4 210X4 LF 250X4 250X4 LF Electrical Schematic (ENGINE) 68069218-4 EN - 2_3 PDF
Link-Belt 210X4 210X4 LF 250X4 250X4 LF Electrical Schematic (OPTION) 66661033-4 EN - 3_3 PDF
Link-Belt 250X4 Hydraulic Schematic (OPTION) 10632484-2 EN - 2_2 PDF
Link-Belt 250X4 Hydraulic Schematic 53879223-2 EN - 1_2 PDF
Link-Belt 250X4 LF Hydraulic Schematic (OPTION) 12502285-1 EN - 2_2 PDF
Link-Belt 250X4 LF Hydraulic Schematic 22947271-1 EN - 1_2 PDF
Link-Belt 250X4_250X4 LF A3 Assembly Diagrams Service Manual WLSM2507-04LX-A3 PDF
250X4 LF
Link-Belt 250X4 LF Hydraulic Schematic (OPTION) 12502285-1 EN - 2_2 PDF
Link-Belt 250X4 LF Hydraulic Schematic 22947271-1 EN - 1_2 PDF
300X4
Link-Belt 130X4 130X4 DZ 130X4 LC 145X4 DZ 145X4 LC160X4 210X4 210X4 LF 245X4 DZ 245X4 LC 250X4 250X4 LF 300X4 350X4 350X4 LF 490X4 750X4 Electrical Schematic (WAVES) 89900286-4 EN PDF
Link-Belt 130X4 130X4 DZ 130X4 LC 160X4 210X4 210X4 LF 250X4 250X4 LF 300X4 350X4 350X4 LF 380X4 MH 490X4 750X4 Electrical Schematic (GPS) 68112363-2 EN PDF
Link-Belt 300X4 A3 Assembly Diagrams Service Manual WLSM3007-00LX-A3 PDF
Link-Belt 300X4 Hydraulic Schematic (OPTION) 89474435-1 EN - 2_2 PDF
Link-Belt 300X4 Hydraulic Schematic 90915835-1 EN - 1_2 PDF
Link-Belt 300X4 350X4 350X4 LF Electrical Schematic (MAIN UNIT) 52378736-3 EN - 1_3 PDF
Link-Belt 300X4 350X4 350X4 LF Electrical Schematic (ENGINE) 41081316-3 EN - 2_3 PDF
Link-Belt 300X4 350X4 350X4 LF Electrical Schematic (OPTION) 74032070-3 EN - 3_3 PDF
350X4
Link-Belt 130X4 130X4 DZ 130X4 LC 145X4 DZ 145X4 LC160X4 210X4 210X4 LF 245X4 DZ 245X4 LC 250X4 250X4 LF 300X4 350X4 350X4 LF 490X4 750X4 Electrical Schematic (WAVES) 89900286-4 EN PDF
Link-Belt 130X4 130X4 DZ 130X4 LC 160X4 210X4 210X4 LF 250X4 250X4 LF 300X4 350X4 350X4 LF 380X4 MH 490X4 750X4 Electrical Schematic (GPS) 68112363-2 EN PDF
Link-Belt 300X4 350X4 350X4 LF Electrical Schematic (MAIN UNIT) 52378736-3 EN - 1_3 PDF
Link-Belt 300X4 350X4 350X4 LF Electrical Schematic (ENGINE) 41081316-3 EN - 2_3 PDF
Link-Belt 300X4 350X4 350X4 LF Electrical Schematic (OPTION) 74032070-3 EN - 3_3 PDF
Link-Belt 350X4 A3 Assembly Diagrams Service Manual WLSM3507-02LX-A3 PDF
Link-Belt 350X4 Hydraulic Schematic (OPTION) 49055945-2 EN - 2_2 PDF
Link-Belt 350X4 Hydraulic Schematic 73997201-2 EN - 1_2 PDF
350X4 LF
Link-Belt 350X4 LF Hydraulic Schematic (OPTION) 40219657-1 EN - 2_2 PDF
Link-Belt 350X4 LF Hydraulic Schematic 37713888-1 EN - 1_2 PDF
380X4 MH
Link-Belt 380X4 MH Electrical Schematic (ENGINE) 32006057-0 EN - 3_4 PDF
Link-Belt 380X4 MH Hydraulic Schematic (OPTION) 43417835-0 EN - 2_2 PDF
Link-Belt 380X4 MH Electrical Schematic (CAB) 35967360-0 EN - 1_4 PDF
Link-Belt 380X4 MH Electrical Schematic (FRAME) 10039287-0 EN - 2_4 PDF
Link-Belt 380X4 MH Electrical Schematic (OPTION) 99014666-0 EN - 4_4 PDF
Link-Belt 380X4 MH Hubbell_Baldor Genset Install Instructions HKER0020 PDF
Link-Belt 380X4 MH Hydraulic Schematic 33224586-0 EN 1_2 PDF
Link-Belt 380X4-MH A3 Assembly Diagrams Service Manual WLSM3807MH-00LX-A3 PDF
490X4
Link-Belt 130X4 130X4 DZ 130X4 LC 145X4 DZ 145X4 LC160X4 210X4 210X4 LF 245X4 DZ 245X4 LC 250X4 250X4 LF 300X4 350X4 350X4 LF 490X4 750X4 Electrical Schematic (WAVES) 89900286-4 EN PDF
Link-Belt 130X4 130X4 DZ 130X4 LC 160X4 210X4 210X4 LF 250X4 250X4 LF 300X4 350X4 350X4 LF 380X4 MH 490X4 750X4 Electrical Schematic (GPS) 68112363-2 EN PDF
Link-Belt 490X4 Electrical Schematic (ENGINE) 61100115-2 EN - 2_3 PDF
Link-Belt 490X4 Electrical Schematic (MAIN UNIT) 80039780-2 EN - 1_3 PDF
Link-Belt 490X4 Electrical Schematic (OPTION) 71075566-2 EN - 3_3 PDF
Link-Belt 490X4 A3 Assembly Diagrams Service Manual WLSM4707-01LX-A3 PDF
Link-Belt 490X4 Hydraulic Schematic (OPTION) 51822052-2 EN - 2_2 PDF
Link-Belt 490X4 Hydraulic Schematic 34279074-2 EN 1_2 PDF
Link-Belt 490X4 Service Training Portfolio 16Feb11 PDF
750X4
Link-Belt 130X4 130X4 DZ 130X4 LC 145X4 DZ 145X4 LC160X4 210X4 210X4 LF 245X4 DZ 245X4 LC 250X4 250X4 LF 300X4 350X4 350X4 LF 490X4 750X4 Electrical Schematic (WAVES) 89900286-4 EN PDF
Link-Belt 130X4 130X4 DZ 130X4 LC 160X4 210X4 210X4 LF 250X4 250X4 LF 300X4 350X4 350X4 LF 380X4 MH 490X4 750X4 Electrical Schematic (GPS) 68112363-2 EN PDF
Link-Belt 750X4 Electrical Schematic (ENGINE) 63552860-1 EN - 2_3 PDF
Link-Belt 750X4 Electrical Schematic (MAIN UNIT) 28078465-1 EN - 1_3 PDF
Link-Belt 750X4 Electrical Schematic (OPTION) 91484049-1 EN - 3_3 PDF
Link-Belt 750X4 Hydraulic Schematic (OPTION) 80636586-1 EN - 2_2 PDF
Link-Belt 750X4 Hydraulic Schematic 12707531-2 EN 1_2 PDF
Link-Belt 750X4 Portfolio Training Manual 17July21 PDF
Link-Belt J Explanation of Hydraulic Circuit and Operations (standard model) Contents PDF
Two NOx Sensors
Link-Belt 210X4 250X4 Excavator Electrical Schematic 34956056-2 EN - 1_3 PDF
Link-Belt 210X4 250X4 Excavator Electrical Schematic 66661033-2 EN - 3_3 PDF
Link-Belt 210X4 250X4 Excavator Electrical Schematic 68069218-2 EN - 2_3 PDF
Link-Belt 300X4 350X4 Excavator Electrical Schematic 41081316-1 EN - 2_3 PDF
Link-Belt 300X4 350X4 Excavator Electrical Schematic 52378736-1 EN - 1_3 PDF
Link-Belt 300X4 350X4 Excavator Electrical Schematic 74032070-1 EN - 3_3 PDF
Link-Belt 470X4 Excavator Electrical Schematic 61100115-1 EN - 2_3 PDF
Link-Belt 470X4 Excavator Electrical Schematic 71075566-1 EN - 3_3 PDF
Link-Belt 470X4 Excavator Electrical Schematic 80039780-1 EN - 1_3 PDF
X4 Flow Charts
130X4
160X4
210X4
250X4
300X4
350X4
490X4
Damage to Main Machine Computer PDF
TB X4 3 Welding snip PDF
X4 Training Manual 18Nov07 Portfolio PDF
*X4 Operators Manuals*
Link-Belt 130X4 130X4 LC 130X4 DZ Hydraulic Excavator Operator's Manual Book Number 130X4-OM-LXG-02 PDF
Link-Belt 145X4 Hydraulic Excavator Operator's Manual Book Number 145X4-OM-LXG-00 PDF
Link-Belt 160X4 Hydraulic Excavator Operator's Manual Book Number 160X4-OM-LXG-01 PDF
Link-Belt 210X4 210X4 LR Hydraulic Excavator Operator's Manual Book Number 210X4-OM-LXG-03 PDF
Link-Belt 245X4 Hydraulic Excavator Operator's Manual Book Number 245X4-OM-LXG-00 PDF
Link-Belt 250X4 250X4 LF Hydraulic Excavator Operator's Manual Book Number 250X4-OM-LXG-03 PDF
Link-Belt 300X4 Hydraulic Excavator Operator's Manual Book Number 300X4-OM-LXG-02 PDF
Link-Belt 350X4 Hydraulic Excavator Operator's Manual Book Number 350X4-OM-LXG-02 PDF
Link-Belt 380X4-MH MATERIAL HANDLER Operator's Manual Book Number 380X4-MH-OM- LXG_Provisional PDF
Link-Belt 490X4 Hydraulic Excavator Operator's Manual Book Number 470X4-OM-LXG-01 PDF
Link-Belt 750X4 Hydraulic Excavator Operator's Manual Book Number 750X4-OM-LXG-00 PDF
*X4 Schematics*
130X4
Link-Belt 130X4 4JJ1XASS-02 PDF
Link-Belt 130X4 Excavator Hydraulic Schematic 28893543-0 EN - 2_2 PDF
Link-Belt 130X4 Excavator Hydraulic Schematic 53739780-0 EN - 1_2 PDF
Link-Belt 130X4 Excavator Service Manual WLSM1307-03LX PDF
Link-Belt 130X4 160X4 Excavator Electrical Schematic 27292771-0 EN - 1_3 PDF
Link-Belt 130X4 160X4 Excavator Electrical Schematic 49132829-0 EN - 3_3 PDF
Link-Belt 130X4 160X4 Excavator Electrical Schematic 84250619-0 EN - 2_3 PDF
Link-Belt 130X4_ 130X4 LC_ 130X4 DZ A3 Assembly Diagrams Service Manual WLSM1307-00LX-A3 PDF
Link-Belt Pressure Measurement and Adjustment Procedures 130X4 PDF
145X4
Link-Belt 145X4 Electrical Schematic 17729324-0 EN - 2_3 PDF
Link-Belt 145X4 Electrical Schematic 20589547-0 EN - 3_3 PDF
Link-Belt 145X4 A3 Assembly Diagrams Service Manual WLSM1457-00LX-A PDF
Link-Belt 145X4 Electrical Schematic 87061195-0 EN - 1_3 PDF
Link-Belt 145X4 Excavator Service Manual WLSM1457-00LX PDF
Link-Belt 145X4 Excavator Service Manual WLSM1457-00LX_1 PDF
Link-Belt 145X4 Hydraulic Excavator Operator's Manual PDF
Link-Belt 145X4 Hydraulic Schematic 12596221-0 EN - 1_2 PDF
Link-Belt 145X4 Hydraulic Schematic 26736865-0 EN - 2_2 PDF
160X4
Link-Belt 130X4 160X4 Excavator Electrical Schematic 27292771-0 EN -1_3 PDF
Link-Belt 130X4 160X4 Excavator Electrical Schematic 49132829-0 EN - 3_3 PDF
Link-Belt 130X4 160X4 Excavator Electrical Schematic 84250619-0 EN - 2_3_1 PDF
Link-Belt 160X4 A3 Assembly Diagrams Service Manual WLSM1607-00LX-A3 PDF
Link-Belt 160X4 Excavator Hydraulic Schematic 28991922-0 EN - 2_2 PDF
Link-Belt 160X4 Excavator Hydraulic Schematic 83771221-0 EN - 1_2 PDF
Link-Belt 160X4 Excavator Service Manual WLSM1607-02LX PDF
Link-Belt Pressure Measurement and Adjustment Procedures 160X4 PDF
Link-Belt Tier160X4 4JJ1XASS-01 PDF
210X4
Link-Belt 210X4 250X4 250X4LF Hydrauloic 2 PDF
Link-Belt 210X4 A3 Assembly Diagrams Service Manual WLSM2107-02LX-A3 PDF
Link-Belt 210X4 Excavator Hydraulic Schematic 30198437-0 EN - 1_2 PDF
Link-Belt 210X4 Pressure Adjustment Procedure15June02 PDF
Link-Belt 210X4 250X4 Excavator Electrical Schematic 34956056-1 EN - 1_3 PDF
Link-Belt 210X4 250X4 Excavator Electrical Schematic 66661033-1 EN - 3_3 PDF
Link-Belt 210X4 250X4 Excavator Electrical Schematic 68069218-1 EN - 2_3 PDF
Link-Belt 210X4_210X4 LF Excavator Service Manual WLSM2107-05LX PDF
245X4
Link-Belt 130X4 130X4 LC 130X4 DZ 160X4 210X4 210X4 LF 245X4 250X4 250X4 LF 300X4 350X4 490X4 750X4 Excavator Electrical Schematic (WAVES) 89900286-1 EN PDF
Link-Belt 245X4 A3 Assembly Diagrams Service Manual WLSM2457-00LX-A3 PDF
Link-Belt 245X4 Excavator Electrical Schematic (ENGINE) 58577111-0 EN - 2_3 PDF
Link-Belt 245X4 Excavator Electrical Schematic (ENGINE) 58577111-0 EN - 2_3_1 PDF
Link-Belt 245X4 Excavator Electrical Schematic (MAIN UNIT) 27828962-0 EN - 1_3 PDF
Link-Belt 245X4 Excavator Electrical Schematic (MAIN UNIT) 27828962-0 EN - 1_3_1 PDF
Link-Belt 245X4 Excavator Electrical Schematic (OPTION) 26902875-0 EN - 3_3 PDF
Link-Belt 245X4 Excavator Electrical Schematic (OPTION) 26902875-0 EN - 3_3_1 PDF
Link-Belt 245X4 Excavator Hydraulic Schematic (OPTION) 38050603-0 EN - 2_2 PDF
Link-Belt 245X4 Excavator Hydraulic Schematic (OPTION) 38050603-0 EN - 2_2_1 PDF
Link-Belt 245X4 Excavator Hydraulic Schematic 46551568-0 EN - 1_2 PDF
Link-Belt 245X4 Excavator Hydraulic Schematic 46551568-0 EN - 1_2_1 PDF
Link-Belt 245X4 Excavator Service Manual WLSM2457-01LX PDF
Link-Belt 245X4 Excavator Service Manual WLSM2457-02LX PDF
Link-Belt 245X4 Hydraulic Excavator Operator's Manual PDF
Link-Belt 245X4 Training Manual Portfolio 17Nov01 PDF
250X4
Link-Belt 250X4 A3 Assembly Diagrams Service Manual WLSM2507-00LX-A3 PDF
Link-Belt 250X4 Excavator Hydraulic Schematic 10632484-1 EN - 2_2 PDF
Link-Belt 250X4 Excavator Hydraulic Schematic 53879223-1 EN PDF
Link-Belt 250X4 250X4 LF Excavator Electrical Schematic 66661033-0 EN - 3_3 PDF
Link-Belt 250X4 250X4 LF Excavator Electrical Schematic 34956056-0 EN - 1_3 PDF
Link-Belt 250X4 250X4 LF Excavator Electrical Schematic 68069218-0 EN - 2_3 PDF
Link-Belt 250X4_ 250X4 LF Excavator Service Manual WLSM2507-05LX Total Customer Support PDF
Link-Belt 250X4_250X4 LF Excavator Service Manual WLSM2507-08LX PDF
250X4LF
Link-Belt 250X4 LF Excavator Hydraulic Schematic 12502285-0 EN - 2_2 PDF
Link-Belt 250X4 LF Excavator Hydraulic Schematic 22947271-0 EN PDF
Link-Belt 250X4 250X4 LF Excavator Electrical Schematic 66661033-0 EN - 3_3 PDF
Link-Belt 250X4 250X4 LF Excavator Electrical Schematic 34956056-0 EN - 1_3 PDF
Link-Belt 250X4 250X4 LF Excavator Electrical Schematic 68069218-0 EN - 2_3 PDF
Link-Belt 250X4_ 250X4 LF Excavator Service Manual WLSM2507-05LX Total Customer Support PDF
300X4
Link-Belt 300X4 A3 Assembly Diagrams Service Manual WLSM3007-00LX-A3 PDF
Link-Belt 300X4 Excavator Electrical Schematic 41081316-0 EN - 2_3 PDF
Link-Belt 300X4 Excavator Electrical Schematic 52378736-0 EN - 1_3 PDF
Link-Belt 300X4 Excavator Electrical Schematic 74032070-0 EN - 3_3 PDF
Link-Belt 300X4 Excavator Hydraulic Schematic 89474435-0 EN - 2_2 PDF
Link-Belt 300X4 Excavator Hydraulic Schematic 90915835-0 EN PDF
Link-Belt 300X4 Excavator Service Manual WLSM3007-03LX Total Customer Support PDF
350X4
Link-Belt 350X4 Excavator Electrical Schematic 26479196-0 EN - 2_3 PDF
Link-Belt 350X4 Excavator Electrical Schematic 84196660-0 EN - 3_3 PDF
Link-Belt 350X4 Excavator Electrical Schematic 92736390-0 EN - 1_3 PDF
Link-Belt 350X4 A3 Assembly Diagrams Service Manual WLSM3507-00LX-A3 PDF
Link-Belt 350X4 Excavator Hydraulic Schematic 49055945-0 EN - 2_2 PDF
Link-Belt 350X4 Excavator Hydraulic Schematic 73997201-0 EN - 1_2 PDF
Link-Belt 350X4 Excavator Service Manual WLSM3507-03LX Total Customer Support PDF
Link-Belt 350X4 Excavator Service Manual WLSM3507-05LX Total Customer Support PDF
350X4 LF
Link-Belt 300X4 350X4 Excavator Electrical Schematic 41081316-1 EN - 2_3 PDF
Link-Belt 300X4 350X4 Excavator Electrical Schematic 52378736-1 EN - 1_3 PDF
Link-Belt 300X4 350X4 Excavator Electrical Schematic 74032070-1 EN - 3_3 PDF
Link-Belt 350X4 LF Excavator Hydraulic Schematic (OPTION) 40219657-0 EN - 2_2 PDF
Link-Belt 350X4 LF Excavator Hydraulic Schematic 37713888-0 EN - 1_2 PDF
Link-Belt 350X4 LF J Explanation of Hydraulic Circuit and Operations (standard model) (LF) Contents PDF
Link-Belt 350X4 LF Overview 350X4 LF 350X4 LF PDF
380X4 MH
Link-Belt 380X4 Anti Interferance Information 16Oct20 PDF
Link-Belt 380X4MH Electrical 1 PDF
Link-Belt 380X4MH Electrical 2 PDF
Link-Belt 380X4MH Electrical 3 PDF
Link-Belt 380X4MH Electrical 4 PDF
Link-Belt 380X4MH Hydraulic 2 PDF
Link-Belt 380X4MH Hydraulic PDF
Link-Belt Anti-Inference By-pass PDF
490X4
Link-Belt 470X4 Excavator Electrical Schematic 61100115-0 EN - 2_3 PDF
Link-Belt 470X4 Excavator Electrical Schematic 71075566-0 EN - 3_3 PDF
Link-Belt 470X4 Excavator Electrical Schematic 80039780-0 EN - 1_3 PDF
Link-Belt 470X4 Excavator Hydraulic Schematic 00000000-0 EN - 2_2 PDF
Link-Belt 470X4 Excavator Hydraulic Schematic 34279074-0 EN 1_2 PDF
Link-Belt 490X4 A3 Assembly Diagrams Service Manual PDF
750X4
Link-Belt 130X4 130X4 LC 130X4 DZ 160X4 210X4 210X4 LF 250X4 250X4 LF 300X4 350X4 490X4 750X4 Excavator Electrical Schematic (GPS) 68112363-0 EN PDF
Link-Belt 130X4 130X4 LC 130X4 DZ 160X4 210X4 210X4 LF 250X4 250X4 LF 300X4 350X4 490X4 750X4 Excavator Electrical Schematic (WAVES) 89900286-0 EN PDF
Link-Belt 750X4 Excavator Electrical Schematic 28078465-0 EN - 1_3 PDF
Link-Belt 750X4 Excavator Electrical Schematic 28078465-0 EN - 1_3_1 PDF
Link-Belt 750X4 Excavator Electrical Schematic 63552860-0 EN - 2_3 PDF
Link-Belt 750X4 Excavator Electrical Schematic 63552860-0 EN - 2_3_1 PDF
Link-Belt 750X4 Excavator Electrical Schematic 91484049-0 EN - 3_3 PDF
Link-Belt 750X4 Excavator Electrical Schematic 91484049-0 EN - 3_3_1 PDF
Link-Belt 750X4 Excavator Hydraulic Schematic 12707531-0 EN 1_2 PDF
Link-Belt 750X4 Excavator Hydraulic Schematic 12707531-0 EN 1_2_1 PDF
Link-Belt 750X4 Excavator Hydraulic Schematic 80636586-0 EN - 2_2 PDF
Link-Belt 750X4 Excavator Hydraulic Schematic 80636586-0 EN - 2_2_1 PDF
Link-Belt 750X4 Excavator Hydraulic Schematic 80636586-0 EN - 2_2_2 PDF
Link-Belt 750X4 Excavator Service Manual WLSM7007-00LX PDF
Link-Belt 750X4 Hydraulic Excavator Operator's Manual PDF
Link-Belt 750X4 Portfolio Training Manual 17July17 PDF
Link-Belt 750X4 Portfolio Training Manual 17July21 PDF
Link-Belt J Explanation of Hydraulic Circuit and Operations (standard model) Contents PDF
Link-Belt J Explanation of Hydraulic Circuit and Operations (standard model) Contents_1 PDF
X4 GPS schematic PDF
*X4 Service Manuals*
Link-Belt 130X4 Excavator Service Manual WLSM1307-03LX Oct. 2015 PDF
Link-Belt 130X4 Excavator Service Manual WLSM1307-03LX Oct. 2015_1 PDF
Link-Belt 145X4 Excavator Service Manual WLSM1457-00LX Jun. 2017 PDF
Link-Belt 145X4 Excavator Service Manual WLSM1457-00LX Jun. 2017_1 PDF
Link-Belt 160X4 Excavator Service Manual WLSM1607-02LX Oct. 2015 PDF
Link-Belt 160X4 Excavator Service Manual WLSM1607-02LX Oct. 2015_1 PDF
Link-Belt 210X4_210X4 LF Excavator Service Manual WLSM2107-05LX Dec. 2015 PDF
Link-Belt 210X4_210X4 LF Excavator Service Manual WLSM2107-05LX Dec. 2015_1 PDF
Link-Belt 245X4 Excavator Service Manual WLSM2457-00LX Feb. 2017 PDF
Link-Belt 245X4 Excavator Service Manual WLSM2457-02LX Sep. 2017 PDF
Link-Belt 250X4_ 250X4 LF Excavator Service Manual WLSM2507-LX_T Oct. 2014 Total Customer Support PDF
Link-Belt 250X4_250X4 LF Excavator Service Manual WLSM2507-08LX Dec. 2015 PDF
Link-Belt 300X4 Excavator Service Manual WLSM3007-01LX Aug. 2014 Total Customer Support PDF
Link-Belt 350X4 Excavator Service Manual WLSM3507-05LX Dec. 2014 Total Customer Support PDF
Link-Belt 380 X4MH MATERIAL HANDLER Service Manual WLSM3807MH-01LX Oct. 2017 PDF
Link-Belt 380X4-MH Excavator Service Manual WLSM3807MH-LX Jan. 2017 PDF
Link-Belt 490X4 Excavator Service Manual WLSM4707-02LX Dec. 2015 PDF
Link-Belt 750X4 Excavator Service Manual WLSM7007-00LX Dec. 2016 PDF
Link-Belt WORKSHOP MANUAL ENGINE 4HK1 TIER 4_STAGE 4 EXHAUST EMISSION STANDARDS PDF
Link-Belt WORKSHOP MANUAL ENGINE 6HK1 TIER 4_STAGE 4 EXHAUST EMISSION STANDARDS PDF
*X4 Training*
Link-Belt 130X4 160X4 Training Manual Portfolio 16Feb09 PDF
Link-Belt 145X4 Service Training Manual Portfolio 17Oct01 PDF
Link-Belt 245X4 Training Manual Portfolio 17Nov01 PDF
Link-Belt 750X4 Portfolio Training Manual 17July21 PDF
Link-Belt Damage to Main Machine Computer PDF
Link-Belt New Machine Performance 130X4 - 490X4 PDF
Link-Belt X4 detailed DTC information
Link-Belt X4 engine side code explanations PDF
Link-Belt X4 machine side code explanations PDF
Link-Belt X4 Training Manual 18Nov07 Portfolio PDF








