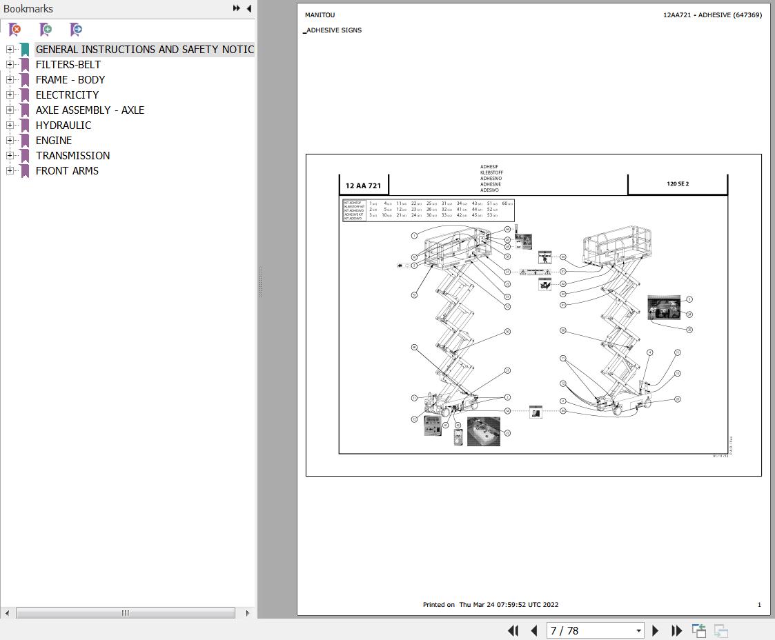
Manitou 120 SE 2 Parts Catalog 647369
Size: 1.86 MB
Machine: Mobile Elevating Platform
Machine Model: 120 SE 2
Publication Date: 2022
Page: 78 Pages
Part Number: 647369
The Bookmarks Of Manitou 120 SE 2 Mobile Elevating Platform Parts Catalog:
General Instructions And Safety Notice
Filters-Belt
Frame - Body
Electricity
Axle Assembly - Axle
Hydraulic
Engine
Transmission
Front Arms

