Manitou MC MC-X Series Service Operator Part Manual Update 2024
Data Site: 2.31 GB
File Type: PDF
Language: English, some French
Manufacturer: Manitou
Applicable Machine : Forklift
Document: Service Manual,Repair Manual, Operator Manuals, Part Manual
Update: 2024
Contact Us : “CLICK HERE ”
Payment Method : “CLICK HERE ”
Shopping Guide : “CLICK HERE ”



List Content:
* MC, MC-X Series Operators Manual *
Manitou Forklift M26-2 Series 3-E2 MC 70 POWERSHIFT Series 3-E2 Operators Manual 547872EN 2006.pdf
Manitou Forklift MC 18-2 D K ST3A S1 MC 18-4 D K ST3A S1 Operators Manual 647635EN 2021.pdf
Manitou Forklift MC 18-2 D K ST5 S1 MC 18-4 D K ST5 S1 Operators Manual 647837EN-USM1 2020.pdf
Manitou Forklift MC 18-2 D K ST5 S1 MC 18-4 D K ST5 S1 Operators Manual 647837EN-USM3 2021.pdf
Manitou Forklift MC 18-2 D K ST5 S1 MC 18-4 D K ST5 S1 Operators Manual 647837EN-USM3 C-2023.pdf
Manitou Forklift MC 20 Turbo Series 3-E3 M 26-2 M 26-4 M 30-2 M 30-4 Operators Manual 647003 EN 2012.pdf
Manitou Forklift MC 25-2 D K ST3A S1 to MC 30-4 D K ST3A S1 Operators Manual 647690EN 2021.pdf
Manitou Forklift MC 25-2 D K ST5 S1 to MC 30-4 D K ST5 S1 Operators Manual 647839EN-USM3 2021.pdf
Manitou Forklift MC 25-2 D K ST5 S1 to MC 35 D K ST5 S1 Operators Manual 647839EN-USM1 2020.pdf
Manitou Forklift MC 25-2 D K ST5 S1 to MSI 25 D K ST5 S1 Operators Manual 647839EN-USM3 C-2023.pdf
Manitou Forklift MC 25-2 D K ST5 S1 to MSI 30 D K ST5 S1 Operators Manual 647839EN-USM4 B-2023.pdf
Manitou Forklift MC 25-2 D K ST5 S1 to MSI 35 D K ST5 S1 Operators Manual 647839EN-USM1 C-2022.pdf
Manitou Forklift MC 25-2D K ST5 S1 to MC 30-4D K ST5 S1 Basic Instruction Sheet 52683724EN 2020.pdf
Manitou Forklift MC 40 50 60 70 60 TURBO POWERSHIFT Operators Manual 547309EN 2000.pdf
Manitou Forklift MC-X 18-2 D K ST3A S1 MC-X 18-4 D K ST3A S1 Operators Manual 647838EN-USM2 2020.pdf
Manitou Forklift MC-X 18-2 D K ST3A S1 MC-X 18-4 D K ST3A S1 Operators Manual 647838EN-USM4 2021.pdf
Manitou Forklift MC-X 25-2 D K ST3A S1 to MC-X 30-2 D K ST3A S1 Operators Manual 647840EN-USM2 B-2023.pdf
Manitou Forklift MC-X 25-2 D K ST3A S1 to MC-X 30-4 D K ST3A S1 Operators Manual 647840EN-USM2 2020.pdf
Manitou Forklift MC-X 25-2 D K ST3A S1 to MC-X 30-4 D K ST3A S1 Operators Manual 647840EN-USM4 2021.pdf
Manitou Forklift MC-X 25-2 D K ST3A S1 to MSI-X 25 D K ST3A S1 Operators Manual 647840EN-USM4 C-2023.pdf
* MC, MC-X Series Parts Catalog *
Manitou Forklift MC 18-2 D K ST3A S1 Parts Catalog 647635 2023.pdf
Manitou Forklift MC 18-2 D K ST3A S1 PPC00003984 Parts Catalog 647635 2023.pdf
Manitou Forklift MC 18-2 D K ST5 S1 Parts Catalog 647837 2023.pdf
Manitou Forklift MC 18-4 D K ST3A S1 Parts Catalog 647635 2023.pdf
Manitou Forklift MC 18-4 D K ST5 S1 Parts Catalog 647837 2023.pdf
Manitou Forklift MC 25-2 D K ST3A S1 Parts Catalog 647690 2023.pdf
Manitou Forklift MC 25-4 D K ST3A S1 Parts Catalog 647690 2023.pdf
Manitou Forklift MC 30 N S3 Parts Catalog 47905 en US 2024.pdf
Manitou Forklift MC 30 NS S3 Parts Catalog 47905 en US 2024.pdf
Manitou Forklift MC 30 S3 E2 E3 to M50-4 S3-E2 Parts Catalog 647010 2022.pdf
Manitou Forklift MC 30 S3 E2 Parts Catalog 547872US 2024.pdf
Manitou Forklift MC 30 TURBO S3 E3 Parts Catalog 647003US 2024.pdf
Manitou Forklift MC 30-2 D K ST3A S1 Parts Catalog 647690 2023.pdf
Manitou Forklift MC 30-4 D K ST3A S1 Parts Catalog 647690 2023.pdf
Manitou Forklift MC 40 POWERSHIFT S3 E2 Parts Catalog 547872US 2024.pdf
Manitou Forklift MC 50 POWERSHIFT S3 E2 Parts Catalog 547872US 2024.pdf
Manitou Forklift MC 60 POWERSHIFT S3 E2 Parts Catalog 547872US 2024.pdf
Manitou Forklift MC 60 TURBO POWERSHIFT S3 E3 Parts Catalog 2022.pdf
Manitou Forklift MC 70 POWERSHIFT S3 E2 Parts Catalog 547872 2024.pdf
Manitou Forklift MC 70 TURBO POWERSHIFT S3 E3 Parts Catalog 2022.pdf
* MC, MC-X Series Service Repair Manual *
Manitou Forklift M 26-2 S3 E2 to MC 30 S3 E2 Repair Manual 547905EN.pdf
Manitou Forklift M 26-2 S3 E2 to MC 40 POWERSHIFT S3 E2 MC 50 POWERSHIFT S3 E2 Repair Manual 547905FR.pdf
Manitou Forklift M 26-2 S3 E2 to MC 40 POWERSHIFT S3 E2 Repair Manual 547905EN 2006.rar
Manitou Forklift M 26-2 S3 E2 to MC 40 POWERSHIFT S3 E2 Repair Manual 547905ES.pdf
Manitou Forklift M 26-2 S3 E2 to MC 50 POWERSHIFT S3 E2 Repair Manual 547905EN.rar
Manitou Forklift M 26-2 S3 E2 to MC 50 POWERSHIFT S3 Repair Manual 547905FR.pdf
Manitou Forklift M 26-4 TURBO S3 E3 to MC 60 TURBO POWERSHIFT S3 E3 Repair Manual 47015FR 2020.pdf
Manitou Forklift M 26-4 TURBO S3 E3 to MC 60 TURBO POWERSHIFT S3 E3 Repair Manual 647015EN 2020.pdf
Manitou Forklift MC 18-2 D K ST3A S1 MC 18-4 D K ST3A S1 Repair Manual 647659EN 2021.pdf
Manitou Forklift MC 18-2 D K ST3A S1 to MC 25-4 D K ST3A S1 Repair Manual 647659EN 2021.pdf
Manitou Forklift MC 18-2 D K ST3A S1 to MC 30-4 D K ST3A S1 Repair Manual 647659FR 2021.pdf
Manitou Forklift MC 18-2 D K ST5 S1 to MC 30-2 D K ST5 S1 Service Manual 647869EN-USM134 A-2021.pdf
Manitou Forklift MC 18-2 D K ST5 S1 to MC 30-4 D K ST5 S1 Repair Manual 647869FR-FRM134 2021.pdf
Manitou Forklift MC 18-2 D K to MSI 35 D K ST5 S1 Service Manual 647869EN 2021.pdf
Manitou Forklift MC 20 AM S2 Repair Manual 47953EN.pdf
Manitou Forklift MC 20 HP-4 RM 20HP Repair Manual 47721FR.pdf
Manitou Forklift MC 20HP 4RM 20HP Repair Manual 47774.pdf
Manitou Forklift MC 20HP 4RM 20HP Service Manual 47774.pdf
Manitou Forklift MC 30 M26-2 M26-4 M30-2 M30-4 M40-4 M50-4 Repair Manual 547518EN 1999.pdf
Manitou Forklift MC 30 M26-2 M26-4 M30-2 M30-4 M40-4 M50-4 Repair Manual 547518FR 2006.pdf
Manitou Forklift MC 40 50 CP M2 26 30 CP M4 26 30 40 50 CP MT 222 225 231 CP MT 422 425 431 CP MT 222 422 CP TURBO Repair Manual 47872FR.pdf
Manitou Forklift MC 40 50 CP M2 26 30 CP M4 26 30 40 50 CP MT 222 225 231 CP MT 422 425 431 Repair Manual 47873.pdf
Manitou Forklift MC 40 50 CP M2 2630 CP M4 26 30 40 50 CP MT 222 225 231 CP MT 422 425 431 CP MT 222 422 CP TURBO Repair Manual 47873.pdf
Manitou Forklift MC 40 POWERSHIFT S2 to MC 70 TURBO POWERSHIFT S2 Repair Manual And Diagram Hydraulic 547902FR 2004.pdf
Manitou Forklift MC 40 POWERSHIFT to MC 60 Turbo POWERSHIFT Repair Manual 547792EN 2001.pdf
Manitou Forklift MC 40 POWERSHIFT to MC 70 Turbo POWERSHIFT Repair Manual 547792EN 2001.pdf
Manitou Forklift MC 40 POWERSHIFT to MC 70 Turbo POWERSHIFT Repair Manual 547792FR 2001.pdf
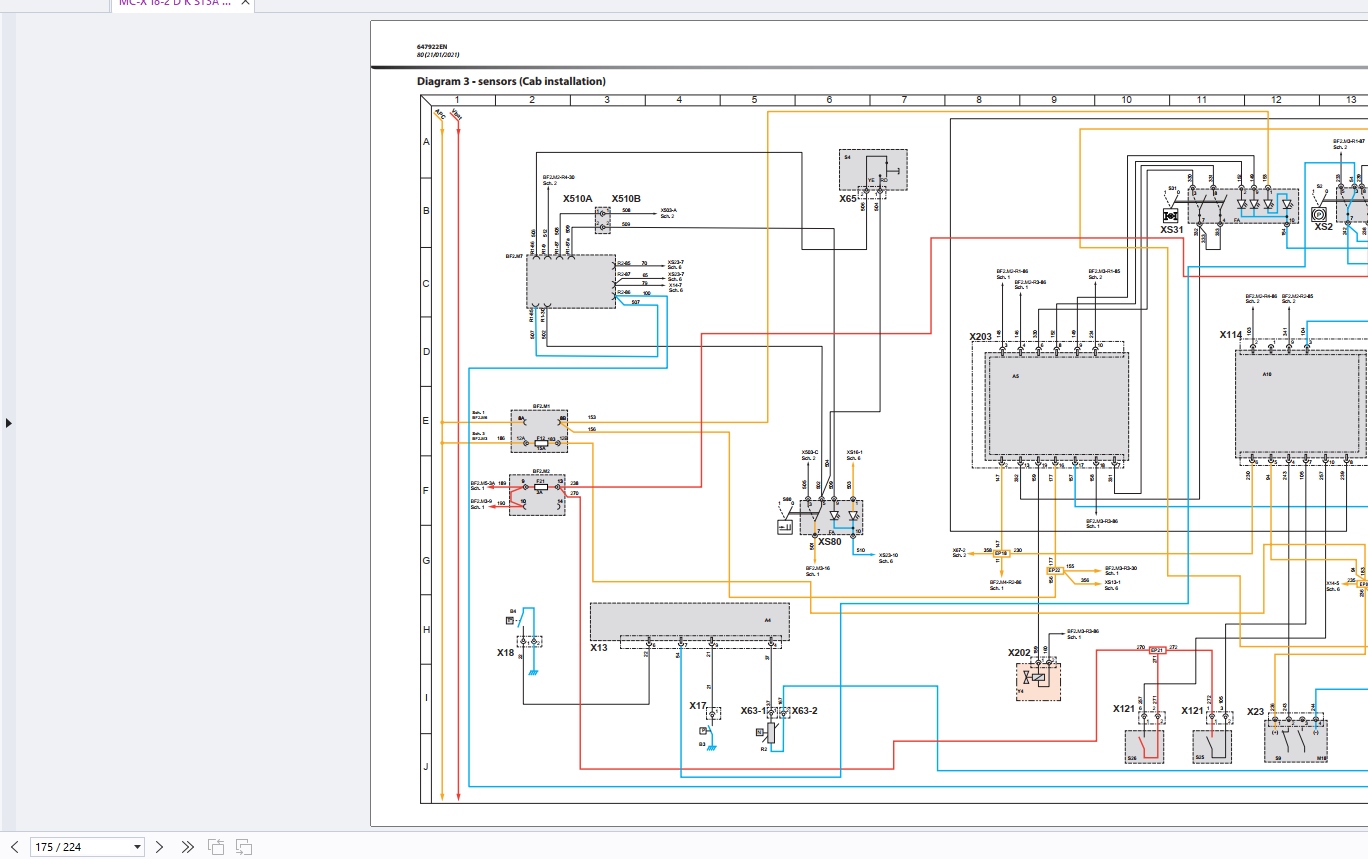
Manitou Forklift MC-X 18-2 D K ST3A S1 to MC-X 25-4 D K ST3A S1 Repair Manual 647922EN 2021.pdf
Manitou Forklift MC-X 18-2 D K ST3A S1 to MC-X 30-2 D K ST3A S1 Repair Manual 647922EN 2021.pdf
Manitou Forklift MC-X 18-2 D K ST3A S1 to MC-X 30-2 D K ST3A S1 Repair Manual 647922FR 2021.pdf
Manitou Forklift MC..TC MCE..TC MB..TC MB .JC MB ..PC MB..NC MC..FC MT..FC 4RM.NC 4RM.PC Repair Manual 47126FR.pdf







