Manitou ME 315 C 24V S3 ME 315 C 24V S3 US Repair Manual 647560
Size: 7.6 MB
Machine: Telescopic Handler
Machine Model:
ME 315 C 24V S3
ME 315 C 24V S3 US
Publication Date: 2022
Page: 86 Pages
Part Number: 647560
The Bookmarks Of Manitou ME 315 C 24V S3 ME 315 C 24V S3 US Telescopic Handler Repair Manual:
General
Transmission
Axle
Brake
Mast
Hydraulics
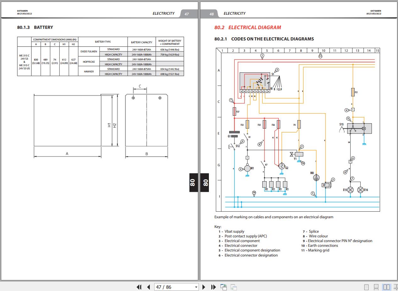
Electricity
Drivers Cab
Frame - Body
?Contact Us: “Click Here”
?Payment Method: “Click Here”
?Shopping Guide: “Click Here”
?More Product: Manitou Operation, Parts & Repair Service Manual PDF ▶


