Manitou MI 60 H S1 E2 MI 70 H S1 E Repair Manual 547913
Size: 2.63 MB
Machine: Forklift
Machine Model:
MI 60 H S1 E2
MI 70 H S1 E
Publication Date: 2005
Page: 103 Pages
Part Number: 547913
The Bookmarks Of Manitou MI 60 H S1 E2 MI 70 H S1 E Forklift Repair Manual:
General Instructions And Safety
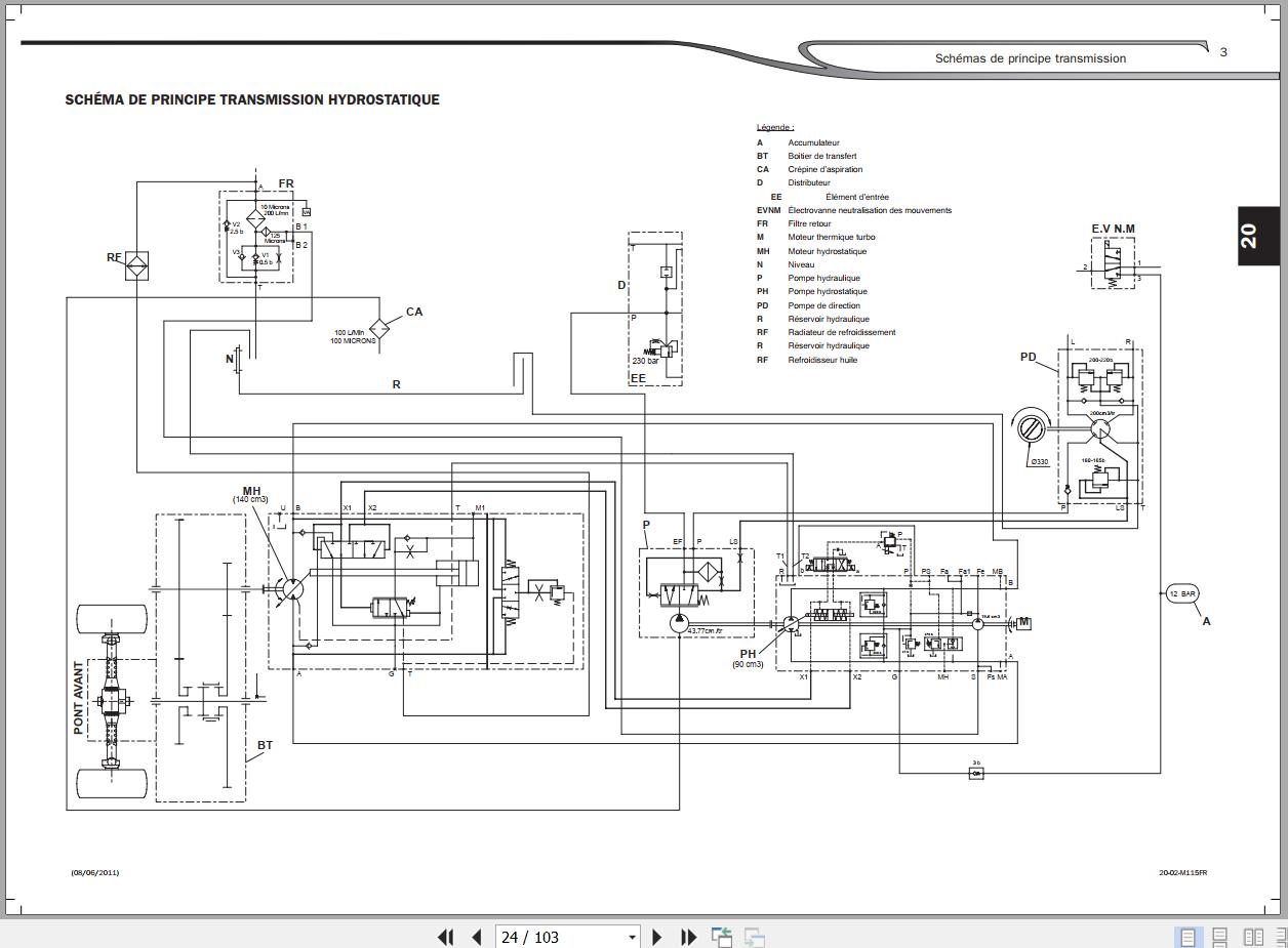
Transmission
Axle Assembly - Axle
Mast
Hydraulic
Electricity
?Contact Us: “Click Here”
?Payment Method: “Click Here”
?Shopping Guide: “Click Here”
?More Product: Manitou Operation, Parts & Repair Service Manual PDF ▶


