Manitou MT 835 1135 1335 ST3B Repair Manual 647075
Size: 136.6 MB
Machine: Telescopic Handler
Machine Model:
MT 835 ST3B
MT 1135 ST3B
MT 1335 ST3B
Publication Date: 2016
Page: 628 Pages
Part Number: 647075
The Bookmarks Of Manitou MT 835 1135 1335 ST3B Telescopic Handler Repair Manual:
00- General Characteristics And Safety
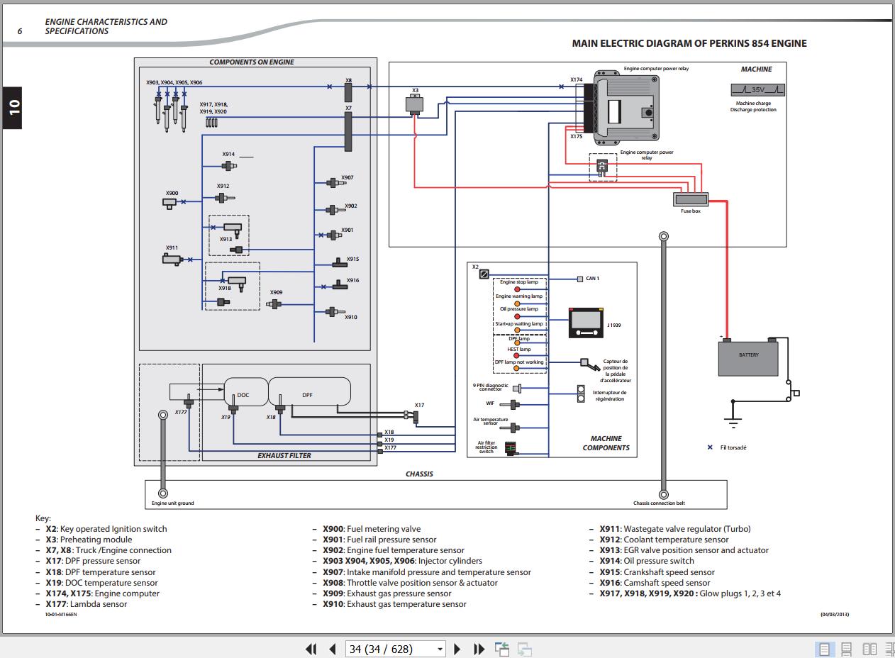
10- Engine
20- Transmission
30- Axle
40- Brake
50- Boom
70- Hydraulic
80- Electricity
85- Driver’S Cab
90- Frame - Body
110- Options - Attachments
?Contact Us: “Click Here”
?Payment Method: “Click Here”
?Shopping Guide: “Click Here”
?More Product: Manitou Operation, Parts & Repair Service Manual PDF ▶


