Manitou SLT 415 B S2 E2 SLT 415 S2 E2 SLT 420 B S1 E2 TMT 20-17 C S1 E2 TMT 20-20 S S1 E2 Service Manual 547944
Size: 3.60 MB
Machine: Forklift
Machine Model:
SLT 415 Série 2-E2
SLT 415 B Série 2-E2
SLT 420 B Série 1-E2
Part Number: 547944
List file:
Characteristics Service Manual 0-1-M126 EN 19 Pages 2006
Jib Service Manual 50-3-M126 EN 14 Pages
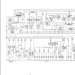
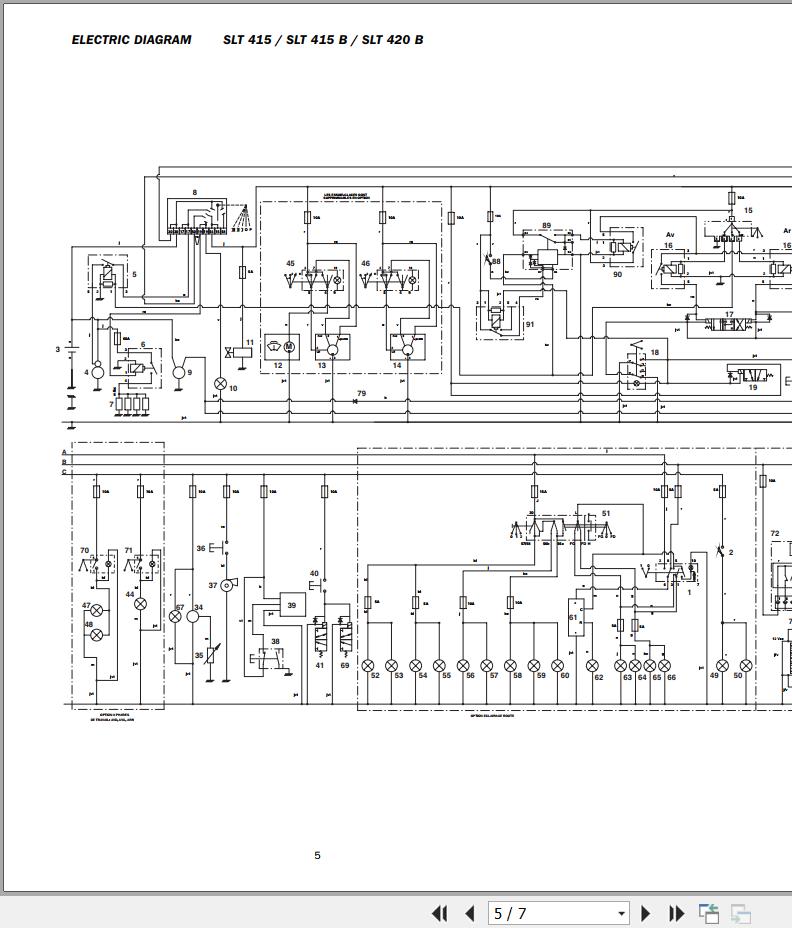
Electric Diagram Service Manual 80-6-720707 EN 7 Pages 2006
Hydraulic Diagram Service Manual 70-6-733220 EN 7 Pages 2006
Main Hydraulic Circuit SLT 415 Service Manual 70-7-M126 EN 1 Pages
Removal Of The Steering Pivot Service Manual 35-2-M126 EN 12 Pages 2006
The Bookmarks Of Manitou SLT 415 B S2 E2 SLT 415 S2 E2 SLT 420 B S1 E2 TMT 20-17 C S1 E2 TMT 20-20 S S1 E2 Forklift Service Manual:
Characteristics
I.C. Engine
Cooling Circuit
Electric Circuit
Front Tyre
Rear Tyre
Hydraulic Circuit
Jib
Head Of The Jib
Foot Of The Jib
Jib Hydraulic Circuit
Attachment Circuit
Attachment Circuit + Drain Back
Electric Diagram
Hydraulic Diagram
Main Hydraulic Circuit
Axle
Removal Of The Steering Pivot
Rear Steering Pivot Assembly
Removal Of The Rear Steering Pivot
Removal Of The Rear Steering Cylinder
?Contact Us: “Click Here”
?Payment Method: “Click Here”
?Shopping Guide: “Click Here”
?More Product: Manitou Operation, Parts & Repair Service Manual PDF ▶


