Manitou TTMT55 HT XT TTMT55 HT XT 4Way T3 Service Manual 51900024
Size: 16.6 MB
Machine: Forklift
Machine Model:
TTMT55 HT XT T3
TTMT55 HT XT 4Way T3
Publication Date: 2012
Page: 436 Pages
Part Number: 51900024
The Bookmarks Of Manitou TTMT55 HT XT TTMT55 HT XT 4Way T3 Service Manual:
Perkins 400 Series
1 General information
2 Specifications
3 Cylinder head assembly
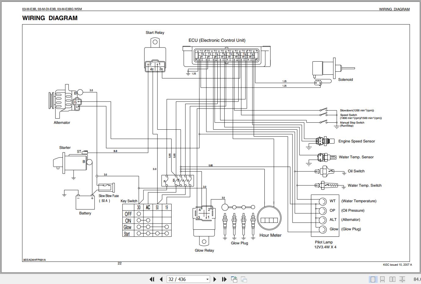
4 Piston and connecting rod assemblies
5 Crankshaft assembly
6 Timing case and drive assembly
7 Cylinder block assembly
8 Engine timing
9 Aspiration system
10 Lubrication system
11 Fuel system
12 Cooling system
13 Flywheel and housing
14 Electrical equipment
15 Auxiliary equipment
16 Special tools
General information
Specifications
Cylinder head assembly
Piston and connecting rod assemblies
Crankshaft assembly
Timing case and drive assembly
Cylinder block assembly
Engine timing
Aspiration system
Lubrication system
Fuel system
Cooling system
Flywheel and housing
Electrical equipment
Auxdiary equipment
Special tools
647005 Engine repair
Engine Specs
Engine Check & Maintenance
Engine Mechanism
Engine Servicing-Checking, Disassembling & Service
?Contact Us: “Click Here”
?Payment Method: “Click Here”
?Shopping Guide: “Click Here”
?More Product: Manitou Operation, Parts & Repair Service Manual PDF ▶


