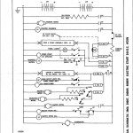
Manitowoc 3900T Electrical Schematic 399062
Size: 680 KB
Language: English
Machine: Crane
Machine Model: 3900T
Document: Electrical Schematic
Pages: 12 Pages
Parts Number: 399062
#More Product: Manitowoc operators, Parts, Service and Schematic Diagram


