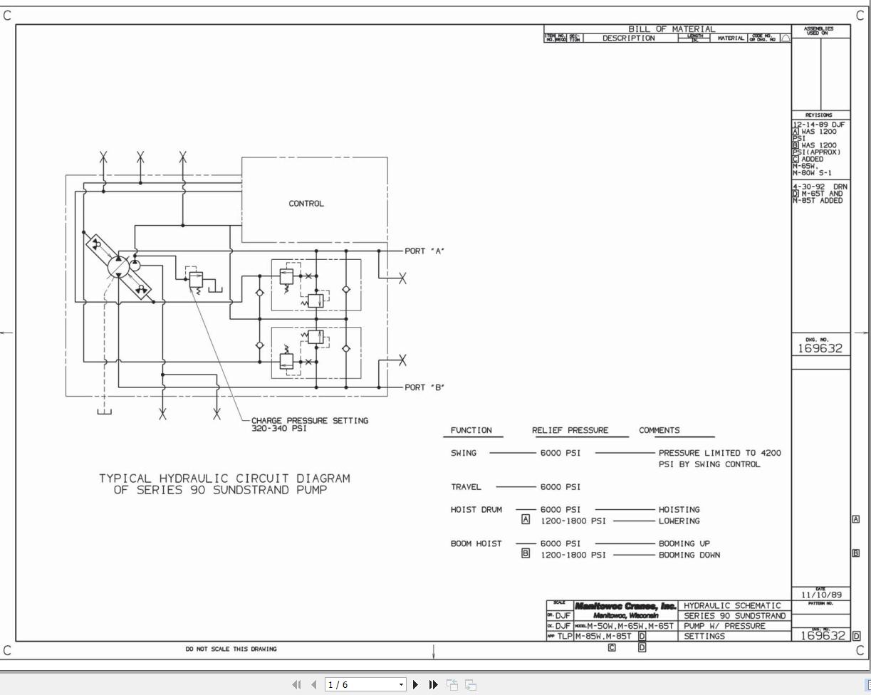
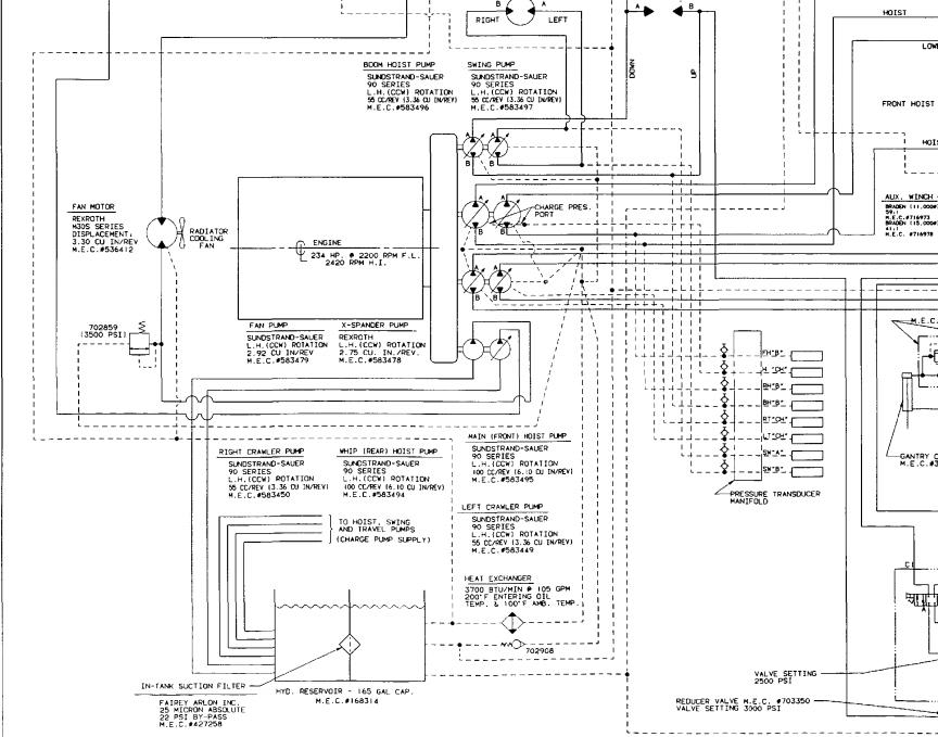
Manitowoc M-50W M-65W M-65T Hydraulic Schematic
Size: 691 KB
Language: English
Machine: Hydraulic Pump
Machine Model: M-50W M-65W M-65T
Document: Hydraulic Schematic
Pages: 6 Pages
#More Product: Manitowoc operators, Parts, Service and Schematic Diagram


