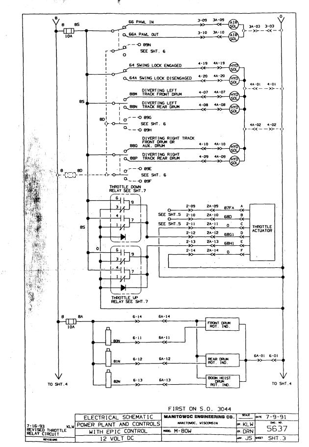
Manitowoc M-80W Electrical Schematic
Size: 1.54 MB
Language: English
Machine: Crane
Machine Model: M-80W
Document: Electrical Schematic
Pages: 38 Pages
#More Product: Manitowoc operators, Parts, Service and Schematic Diagram
Size: 1.54 MB
Language: English
Machine: Crane
Machine Model: M-80W
Document: Electrical Schematic
Pages: 38 Pages
#More Product: Manitowoc operators, Parts, Service and Schematic Diagram


