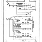
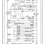
Manitowoc M-85W Electrical Schematic
Size: 1.88 MB
Language: English
Machine: Crane
Machine Model: M-85W
Document: Electrical Schematic
Pages: 54 Pages
#More Product: Manitowoc operators, Parts, Service and Schematic Diagram
Size: 1.88 MB
Language: English
Machine: Crane
Machine Model: M-85W
Document: Electrical Schematic
Pages: 54 Pages
#More Product: Manitowoc operators, Parts, Service and Schematic Diagram


