Massey Ferguson 1843S 1843N Workshop Service Manual 4283392M91
Size: 55.0 MB
Machine: Baler, Hay Equipment
Machine Model: 1843S 1843N
Manual: Workshop Manual, Service Manual
Region: North America
Pages: 252 Pages
Part Number: 4283392M91
The Bookmarks of Massey Ferguson 1843S 1843N Workshop Service Manual:
General Information
Adjustments
Engine Maintenance
Drive Line
Pickup
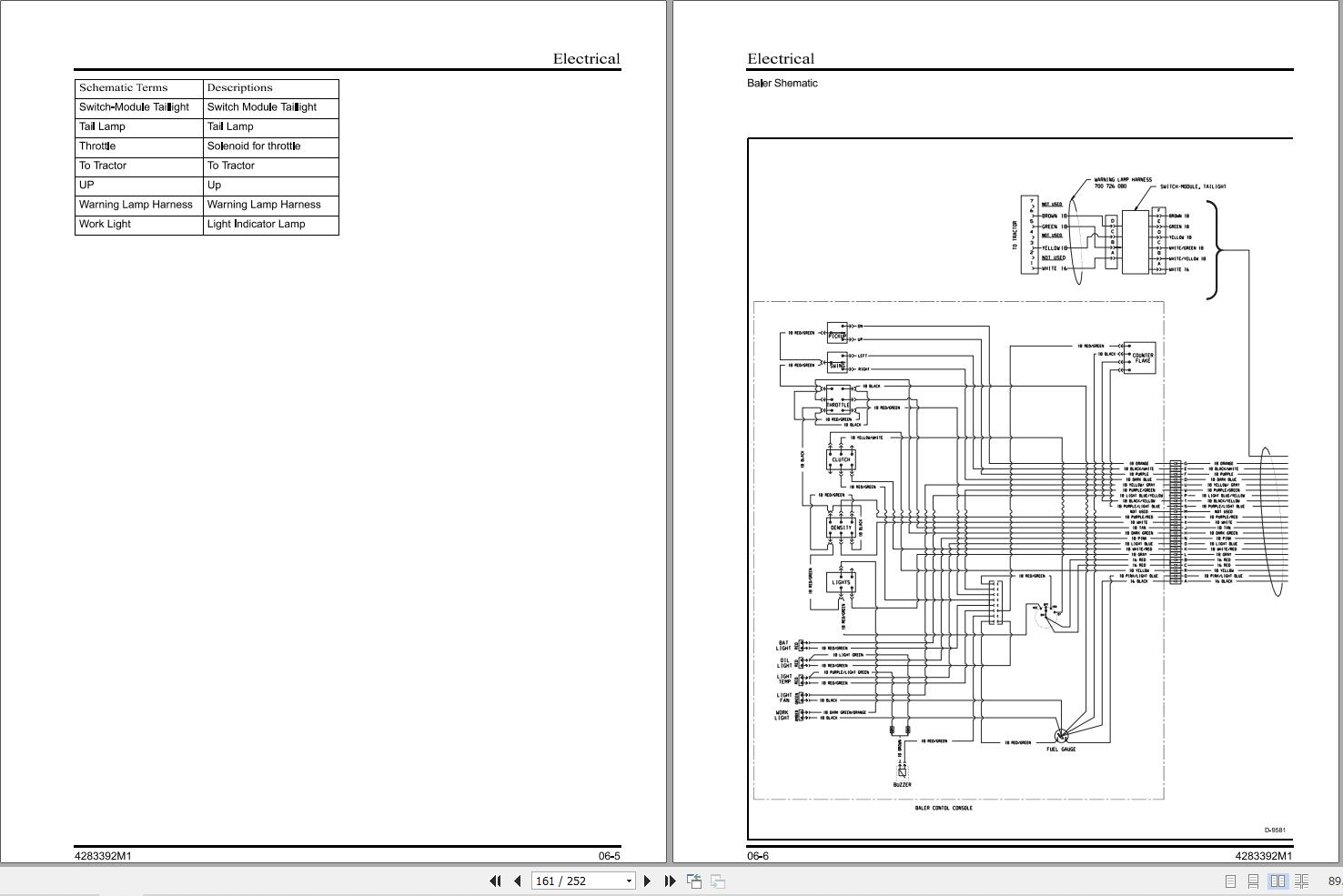
Electrical
Hydraulics
Knotter
Mainframe
Troubleshooting
Specifications
Index
#More Product : Massey Ferguson Operators, Parts, Service, Workshop Manual


