Massey Ferguson 4608 4609 4610 Service Manual 4283492M3
Size: 159 MB
Language: English
Machine: Tractor
Machine Model: 4608 4609 4610
Part Number: 4283492M3
Region: EU
Pages: 828 Pages
The Bookmarks of Massey Ferguson 4608 4609 4610 Service Manual:
Introduction
Safety
Engine
Power Train
Cab and platform
Frame and Axles
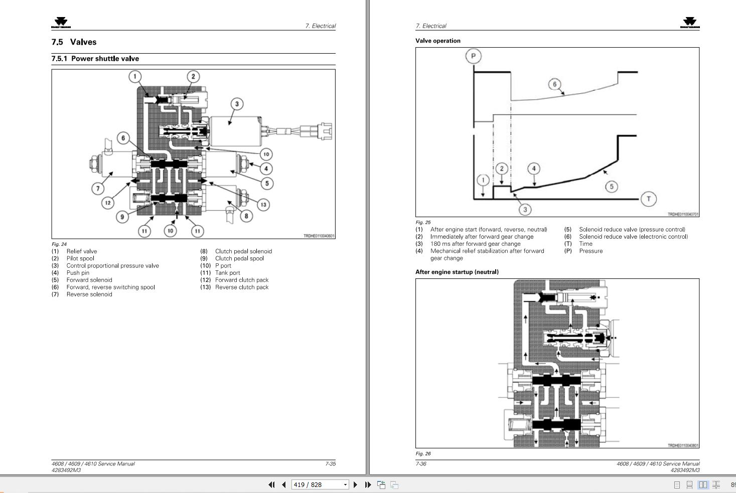
Electrical
Hydraulix
Index
#More Product : Massey Ferguson Operators, Parts, Service, Workshop Manual


