Massey Ferguson 9125 9145 Service Manual 4283389M1
Size: 58.4 MB
Machine: Auger Header, Hay Equipment
Machine Model: 9125 9145
Region: North America
Pages: 264 Pages
Part Number: 4283389M1
The Bookmarks of Massey Ferguson 9125 9145 Service Manual:
Safety
General Information
Electrical
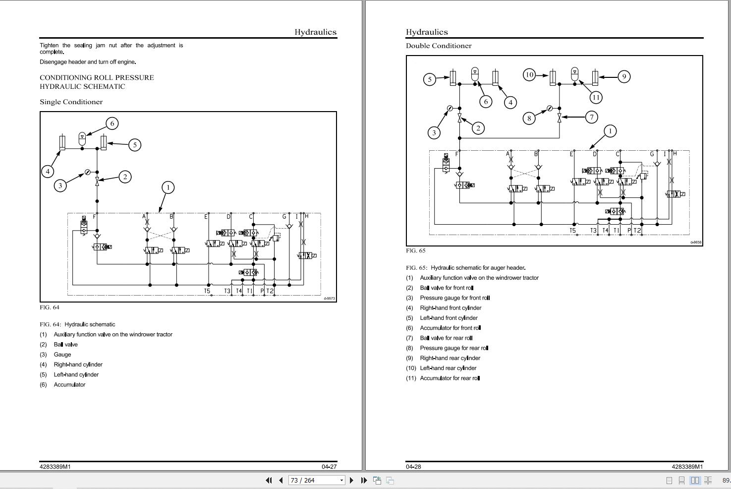
Hydraulics
Gearboxs
Reel
Sickle
Auger
Hay Conditioner
Troubleshooting
Specifications
Index
#More Product : Massey Ferguson Operators, Parts, Service, Workshop Manual


