Massey Ferguson 9325 to 9350 Workshop Service Manual 4283632M1
Size: 97.6 MB
Language: English
Machine: DynaFLex Draper Header, Harvesting
Machine Model: 9325 9330 9335 9340 9345 9350
Part Number: 4283632M1
Publication Date: 2019
Region: EU
List Files:
1. Augers
1General
2.Frame
4.Drive system
5.Hydraulic system
6. Electrical system
7.Shielding
8.Reels
9.Cutterbar
10.Attachements
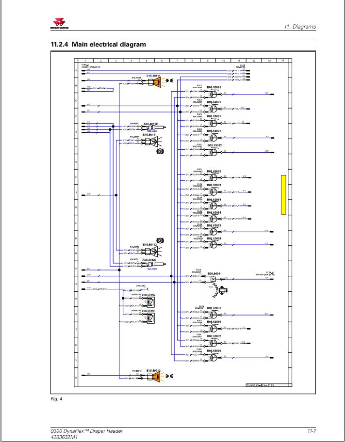
11.Diagrams
Cover
Index
#More Product : Massey Ferguson Operators, Parts, Service, Workshop Manual


