Massey Ferguson MF 254 Parts Catalog 3310600
Data Size: 5.83 MB
File Type: PDF
Language: English
Manufacturer: Massey Ferguson
Applicable Machine: Tractors, Agricultural - Wheeled
Document: Spare Parts Manual
Machine Model: MF 254 Tractor
Book Number: 3310600
Page: 166 Pages
List Contents:
TABLE OF CONTENT
CYLINDER BLOCK - AD3.152
CRANKSHAFT & FLYWHEEL - AD3.152
CYLINDER HEAD AND COVER - AD3.152
ROCKER ARM - AD3.152
TIMING GEAR - AD3.152
LUBRICATING OIL SYSTEM - AD3.152
WATER PUMP - AD3.152
FUEL PIPINGS - AD3.152
FUEL FILTER
FUEL LIFT PUMP - AD3.152
STARTER MOTOR - AD3.152
ALTERNATOR - AD3.152
KIT GASKET - AD3.152
ENGINE - AD3.152
FUEL TANK
COOLING SYSTEM
INDUCTION MANIFOLD
AIR FILTER - WET
AIR FILTER - DRY
EXHAUST MANIFOLD AND MUFFLER
ENGINE CONTROLS
ELECTRICAL WIRING
BATTERY
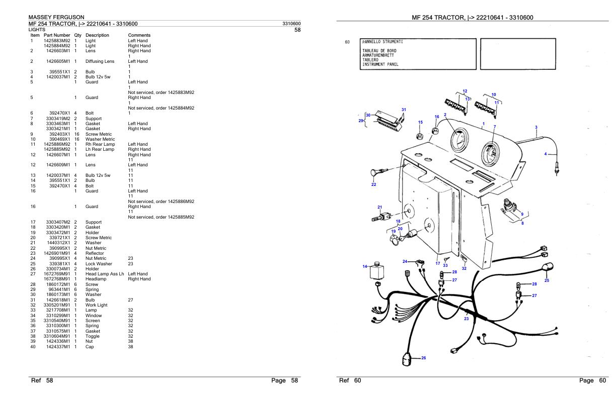
LIGHTS
INSTRUMENT PANEL
DUAL CLUTCH - LUK
DUAL CLUTCH - O.M.G.
CLUTCH CONTROL
CENTRE AXLE HOUSING AND TRANSMISSION HOUSING
SYNCHRO-MESH TRANSMISSION
REDUCER
REDUCER CONTROL
CONTROLS AND TRANSMISSION LEVERS
POWER TAKE OFF - STANDARD
POWER TAKE OFF - 540 1000 R.P.M.
DRIVE PULLEY
DIFFERENTIAL
REAR AXLE-HOUSING
BRAKES AND CONTROLS
HAND BRAKE
RIM AND TIRES
FRONT AXLE - 2 WHEEL DRIVE
STEERING - MECHANICAL
STEERING HYDRAULIC EQUIPMENT
STEERING CONTROL VALVE - 2 WHEEL DRIVE
STEERING CONTROL VALVE - 4 WHEEL DRIVE
STEERING OIL PUMP
STEERING CYLINDER - 2 WHEEL DRIVE
STEERING CYLINDER - 4 WHEEL DRIVE
HYDRAULIC LIFT PIPINGS
OIL PUMP - HYDRAULIC LIFT
CONTROL VALVE - HYDRAULIC LIFT
HYDRAULIC LIFT
LIFT CONTROL
HYDRAULIC LINES SUPPLEMENTARY LIFT CYLINDER
LIFT CYLINDER SUPPLEMENTARY
PIPINGS AUXILIARY CONTROL VALVES
AUXILIARY CONTROL VALVE - STANDARD
AUXILIARY CONTROL VALVE - FLOATING
VALVE - HYDRAULIC EQUIPMENT
LINKAGE CAT. II
LINKAGE - WITH WINTERCHANGEABLE BALLJOINT
REAR HOOK
DRAWBAR
FRONT WEIGHTS
ENGINE HOOD
HARDNOSE AND GRILLES
FENDERS AND PLATFORM
SEAT
SAFETY FRAME
DECALS
TRANSFER GEAR BOX - 4 WHEEL DRIVE
FRONT AXLE - HOUSING - DIFFERENTIAL
FRONT AXLE - FINAL DRIVE
TOOL GROUP


