Massey Ferguson MF 265 Parts Catalog 819660
Data Size: 15.17 MB
File Type: PDF
Language: English
Manufacturer: Massey Ferguson
Applicable Machine: Tractors, Agricultural - Wheeled
Document: Spare Parts Manual
Machine Model: MF 265 Tractor
Book Number: 819660
Page: 383 Pages
List Contents:
TABLE OF CONTENT
CYLINDER BLOCK - A4.236
CYLINDER HEAD - A4.236
CRANKSHAFT - A4.236
CYLINDER HEAD COVER - A4.236
AIR INDUCTION AND EXHAUST SYSTEM
TIMING GEAR - A4.236
LUBRICATING OIL FILTER - A4.236
LUBRICATING OIL SUMP - A4.236
BALANCER UNIT - A4.236
WATER PUMP - A4.236
FUEL OIL LIFT PUMP - A4.236
FUEL INJECTION EQUIPMENT - A4.236
ALTERNATOR POSITIONER - A4.236
JOINTS AND GASKETS - A4.236
ENGINE INSTALLATION - A4.236 ENGINE
ELECTRICAL EQUIPMENT
STARTER-LUCAS - TEMPERATE CLIMATE
STARTER-LUCAS - COLD CLIMATE
ALTERNATOR-LUCAS
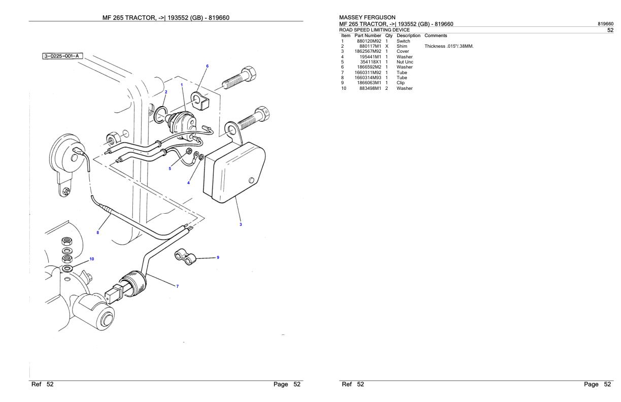
ROAD SPEED LIMITING DEVICE
BATTERY
COOLING SYSTEM
FUEL TANK AND ATTACHMENTS
FUEL FILTERS AND PIPES
KIT - DUAL FUEL FILTERS - 3A ONLY
AIR FILTER
AIR FILTER-OIL BATH AIR FILTER
EXHAUST SYSTEM - HORIZONTAL
EXHAUST SYSTEM - VERTICAL
THROTTLE CONTROLS
INSTRUMENT PANEL AND INSTRUMENTS
SHEET METAL-PANEL WIRING
DUAL CLUTCH
SPLIT TORQUE CLUTCH
CLUTCH PEDAL AND LINKAGE
8 SPEED SYNCHROMESH ZF TRANSMISSION-HOUSING
8 SPEED SYNCHROMESH ZF TRANSMISSION-FORK AND GEARSHIFT RAIL
8 SPEED SYNCHROMESH ZF TRANSMISSION-MAIN SHAFT
8 SPEED SYNCHROMESH ZF TRANSMISSION-SYNCHROMESH - SYNCHROMESH
8 SPEED SYNCHROMESH ZF TRANSMISSION-COUNTER SHAFT
TRANSMISSION-TRANSMISSION OIL PIPE
8 SPEED CONSTANT MESH TRANSMISSION-HOUSING
8 SPEED CONSTANT MESH TRANSMISSION-GEAR TRAIN
MULTIPOWER CONSTANTMESH TRANSMISSION-HOUSING
MULTIPOWER CONSTANTMESH TRANSMISSION-GEAR TRAIN
MULTIPOWER CONSTANTMESH TRANSMISSION-OIL FLOW
EPICYCLIC UNIT - HEAVY DUTY
SHIFT LEVER
MULTIPOWER CONSTANTMESH TRANSMISSION-SHIFT CONTROL
PTO-DRIVE MECHANISM-SINGLE SPEED
PTO-DRIVE MECHANISM-TWO SPEED
PTO-COVER ASSEMBLY
IPTO-PIPES AND COVER
IPTO-CLUTCH AND VALVES
REAR AXLE-SPACER
REAR AXLE CENTRE HOUSING
REAR AXLE-ATTACHMENTS
REAR AXLE-DIFFERENTIAL
REAR AXLE-DIFFERENTIAL LOCK MECHANISM
REAR AXLE- DIFFERENTIAL LOCK PEDAL - TRACTORS LESS LAMBOURN CAB
REAR AXLE-HOUSING
WET BRAKES
BRAKE PEDALS AND LINKAGE
HANDBRAKE
HANDBRAKE-SIDE PTO
REAR WHEELS
FRONT WHEELS
FRONT AXLE-NORMAL DUTY
FRONT AXLE-HEAVY DUTY
AXLE SUPPORT
STEERING GEAR
STEERING WHEEL - HYDROSTATIC STEERING - 4 WHEEL DRIVE
STEERING UNIT-ORBITROL DANFOSS - HYDROSTATIC - 4 WHEEL DRIVE
STEERING UNIT-ORBITROL DANFOSS - HYDROSTATIC STEERING - 4 WHEEL DRIVE- SAFETY VALVE
STEERING LINKAGE
CONVERSION KIT - MANUAL TO POWER STEERING
STEERING HYDRAULIC LINES
STEERING HYDRAULIC LINES-4 WHEEL DRIVE - HYDROSTATIC
STEERING PUMP-PLESSEY
STEERING PUMP-AIR EQUIPEMENT - HYDROSTATIC - 4 WHEEL DRIVE
STEERING CYLINDER
STEERING CYLINDER, 4 WHEEL DRIVE - HYDROSTATIC STEERING
HYDRAULIC LIFT PUMP
HYDRAULIC PUMP-STRAINER UNIT
HYDRAULIC PUMP-PRESSURE CONTROL VALVE
HYDRAULIC PUMP-MULTIPOWER
HYDRAULIC PUMP-AUXILIARY
HYDRAULICS,PUMP CONTROL-MK3A
HYDRAULICS,PUMP CONTROL-MK3A - WITH DUNCAN CAB
HYDRAULICS,PUMP CONTROL-MK3A - WITH LAMBOURN CAB
OIL COOLER AND FILTER - UP TO SERIAL NUMBER 181639
OIL COOLER - FROM SERIAL NO. 181639- MICRONIC FILTRATION
OIL FILTER - MICRONIC FILTRATION
PRESSURE REGULATOR VALVE
HYDRAULIC LIFT COVER
LIFT ARMS
DRAFT AND POSITION CONTROLS - TRACTORS LESS LAMBOURN CAB
QUADRANT AND CONTROL LEVERS- LAMBOURN CABS
RESPONSE CONTROLS - TRACTORS LESS LAMBOURN CAB
RESPONSE CONTROLS- LAMBOURN CAB
TOP LINKS-CAT 1 AND 2
LOWER LINKS-CAT 1 AND 2
FRONT HITCH
SHEET METAL
SHEET METAL-GRILLE - FROM SERIAL NO 184875
SHEET METAL-HOOD
SHEET METAL-FENDERS WITHOUT SAFETY FRAME
GUARDS PTO AND ALTERNATOR
FOOTSTEP
EMBLEMS
SPEED CHARTS
SEAT-DE LUXE
SEAT-SPRING SUSPENSION
SEAT-SABLE
SEAT-GRAMMER
CIGAR LIGHTER
HORN AND MIRRORS
FRONT LIGHTING EQUIPMENT
REAR LIGHTING EQUIPMENT - UP TO SERIAL NO.185158
REAR LIGHTING EQUIPMENT - FROM SERIAL NO. 185158
WORK LIGHT
ASSISTOR RAM KIT - CODE 557 829
CHAIN STABILISER AND EXTENSION KIT - CODES 557 835 557 836
AUTOMATIC HITCH - CODE 557 903
SWINGING DRAWBAR - CODE 557 905
SWINGING DRAWBAR - CODE 557 906 HEAVY DUTY
AUTOMATIC HITCH WITH DRAWBAR FRAME - CODE 557 904
PRESSURE CONTROL COUPLER - CODE 557 908
SUB FRAME,BOLT KIT AND WEIGHTS - CODE 557 806
SUB FRAME,BOLT KIT AND WEIGHTS - CODE 557 808
36 KG WEIGHT AND BOLT KIT - CODE 557 809
TOW PIN - CODE 557 811
WEIGHTS - CODE 557 813- FRONT WHEEL WEIGHTS - 19 WHEELS
WEIGHTS - CODE 557 862- FRONT WHEEL WEIGHTS - OUTER - 16 AN D 18 WHEELS
WEIGHTS - CODE 557 864- FRONT END WEIGHTS
WEIGHTS - CODE 557 863- FRONT END WEIGHTS
WEIGHTS - CODE 557 815- REAR WHEEL WEIGHTS - 2ND SET
WEIGHTS - CODE 557 818- REAR WHEEL WEIGHTS - 1ST SET
WEIGHTS - CODE 557 812- FRONT WHEEL WEIGHTS - 16 AND 18 WHEE LS
PTO PULLEY - CODE 557 832
PTO PULLEY AND GUARD - CODE 557 833
OIL PIPE KIT - SALES CODE ACC 860
OIL PIPE KIT
OIL PIPE KIT - CODE 557 878
OIL PIPE KIT-SELECTOR VALVE
SINGLE SPOOL VALVE - CODE 557 750
DUAL SPOOL VALVE - CODE 557 751
SPOOL VALVE SLICE CONVERSION KIT - CODE 557 752
DETENT KIT - CODE 557 800
BRACKET AND FITTINGS KIT - CODE 557 754
HYDRAULIC SELECTOR VALVE KIT - CODE 557 761
TRAILER TIPPING KIT
OUTLET HOSE KIT-SINGLE SPOOL - CODE 557 758
OUTLET HOSE KIT-DOUBLE SPOOL - CODE 557 759
CONNECTOR ASSEMBLY KIT - CODE 557 762
SUPPLY HOSE KIT - CODE 557 757
KIT - DIPPED-MAIN BEAM SWITCH
FRONT AXLE HOUSING-4 WHEEL DRIVE - 4 WHEEL DRIVE - NORWAY ONLY
FRONT AXLE-DIFFERENTIAL-4 WHEEL DRIVE - 4 WHEEL DRIVE - NORWAY ONLY
FRONT AXLE-HOUSING - 4 WHEEL DRIVE - NORWAY ONLY
STEERING GEAR-4 WHEEL DRIVE - NORWAY ONLY
SIDE DRIVE GEARBOX
DRIVE SHAFT-4 WHEEL DRIVE - UP TO DECEMBER 1981
DRIVE SHAFT-4 WHEEL DRIVE - FROM DECEMBER 1981
FRONT AXLE 4 WHEEL DRIVE - FROM DECEMBER 1981
FRONT AXLE-DIFFERENTIAL-4 WHEEL DRIVE - FROM DECEMBER 1981
FRONT AXLE FINAL DRIVE-4 WHEEL DRIVE - FROM DECEMBER 1981


