Massey Ferguson MF 7245 S Parts Catalog 3906250
Data Size: 45.44 MB
File Type: PDF
Language: English
Manufacturer: Massey Ferguson
Applicable Machine: Harvesting, Combines - Conventional
Document: Spare Parts Manual
Machine Model: MF 7245 S Combine
Book Number: 3906250
Page: 950 Pages
List Contents:
TABLE OF CONTENT
ENGINE
ENGINE ASSEMBLIES
CYLINDER BLOCK
TIMING GEARS AND HOUSING
FLYWHEEL HOUSING
FLYWHEEL
CRANKSHAFT AND PISTONS
CAMSHAFT
CAMSHAFT AND VALVE MECHANISM
CYLINDER HEAD
VALVE ROCKER COVER
INTAKE MANIFOLD
EXHAUST MANIFOLD
TURBOCHARGER
TURBOCHARGER - LUBE OIL LINES
OIL SUMP
OIL PUMP
OIL FILTER
OIL DIPSTICK
WATER PUMP
WATER LINES
FUEL INJECTION SYSTEM
INJECTION PUMP
INJECTION PUMP - (COMPONENTS)
INJECTOR
FUEL FILTER
FUEL FILTER - (COMPONENTS)
FUEL PIPE
SUPERCHARGING LINES
BREATHER
THERMOSTAT
V-BELT
SUSPENSION
ELECTRONIC ENGINE MANAGEMENT
STARTER MOTOR
ALTERNATOR
ENGINE INSTALLATION
BELT TENSIONER
ENGINE BRACKETS
FAN
COOLING SYSTEM - COOLER HOSES
COOLING SYSTEM - RADIATOR
COOLING SYSTEM - RADIATOR (COMPONENTS)
COOLING SYSTEM
COOLING SYSTEM - ROTARY SCREEN
DUST ASPIRATOR
ENGINE AIR FILTER
EXHAUST SYSTEM
FUEL TANK
FUEL TANK BRACKET
AIR COMPRESSOR
DRIVE SYSTEM
HYDROSTATIC PUMP - DRIVE
POWER TAKE-OFF - DRIVE
ROTARY FILTER & DUST ASPIRATOR - DRIVE
FEEDER CONVEYOR - DRIVE
FEEDER REVERSER - DRIVE
AIR CONDITIONING - DRIVE
THRESHING MECHANISM - DRIVE
MULTI CROP SEPARATOR - DRIVE
STRAW WALKER - DRIVE
CYLINDER VARIATOR
VARIABLE SPEED FAN DRIVE
VARIABLE SPEED FAN DRIVE - (COMPONENTS)
SHAKER SHOE - DRIVE
GRAIN BIN UNLOADING - DRIVE
STRAW CHOPPER - DRIVE
AXLES
FRONT AXLE
FRONT AXLE SPACER (122 MM)
FRONT AXLE SPACER (250 MM)
REAR AXLE SUPPORT
REAR AXLE - 2 WHEELS DRIVE
REAR AXLE - 2 WHEELS DRIVE - WEIGHT
REAR AXLE - 2 WHEELS DRIVE - WEIGHT SUPPORT
REAR AXLE - 4 WHEELS DRIVE
REAR AXLE - 4 WHEELS DRIVE - FINAL DRIVE
REAR AXLE - 4 WHEELS DRIVE - WEIGHT
HITCH
STEERING SYSTEM
STEERING COLUMN
STEERING - HYDRAULIC LINES
DRIVE TRAIN SYSTEM
FINAL DRIVE (COMPONENTS)
FINAL DRIVE
GEARBOX (COMPONENTS)
GEAR LEVER SYSTEM
BRAKE SYSTEM
BRAKE PEDALS
BRAKE MASTER CYLINDER & BRAKE CONTROL VALVE - (COMPONENTS)
BRAKE CALIPER - (COMPONENTS)
PARKING BRAKE
PARKING BRAKE - (COMPONENTS)
HYDRAULIC SYSTEM
HYDRAULIC OIL TANK
HYDRAULIC OIL TANK - HYDRAULIC LINES
HYDRAULIC PUMP
HYDRAULIC PROPEL
HYDROSTATIC PUMP - (COMPONENTS)
HYDROSTATIC PUMP - HYDRAULIC LINES
HYDROSTATIC PUMP - CONTROL LEVER
HYDROSTATIC PUMP - SAFETY DEVICE
HYDROSTATIC MOTOR
HYDROSTATIC MOTOR - (COMPONENTS)
CUTTING HEADER - LIFTING
CUTTING HEADER
CUTTING HEADER - TILT
CUTTING TABLE FLOTATION
REAR AXLE - 4 WHEELS DRIVE - HYDRAULIC LINES
REAR AXLE - 4 WHEELS DRIVE - EQUA-TRAC VALVE
CONTROL VALVE (HEADER + GRAIN TANK UNLOADING)
CONTROL VALVE (HEADER)
CONTROL VALVE (HEADER) - (COMPONENTS)
GRAIN BIN UNLOADING
PIPES REEL
HYDRAULIC LEVELLING
STRAW CHOPPER CLUTCH
HEADER ADDITIONAL LIFTING RAM
ELECTRICAL SYSTEM
FRONT LIGHTING
REAR LIGHTING
AUXILIARY HEADLIGHT
WORK LIGHTS - FLIP-UP HEADER LIGHT
ROTARY BEACON
BATTERY & MAIN SWITCH
BATTERY & CABLES
HARNESS - FRONT AXLE
HARNESS - CAB
HARNESS - CAB ROOF
HARNESS - CONTROL CONSOLE
HARNESS - HYDRAULIC LEVELLING
HARNESS - FUSE CARRIER
HARNESS - ENGINE
HARNESS - MULTI CROP SEPARATOR
HARNESS - GRAIN BIN
HARNESS - CONTROL VALVE
HARNESS - MULTIFUNCTION LEVER
HARNESS - DIGITAL INSTRUMENTATION
HARNESS - STRAW HOOD
HARNESS - STRAW CHOPPER
HARNESS - STRAW WALKER LOSS
RETURN AUGER - SENSORS
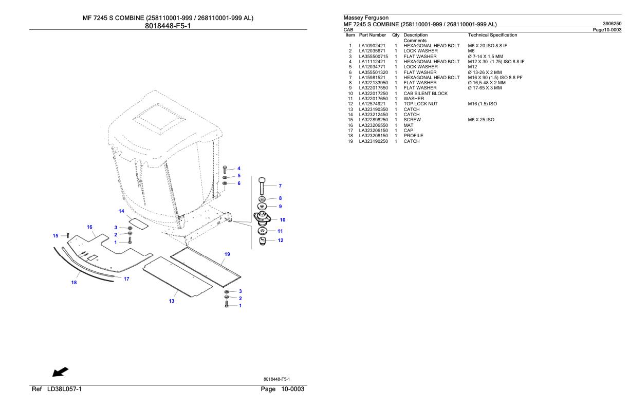
CAB
CAB SUPPORT FRAME
CAB - FRAME
CAB - ROOF
CAB - ROOF & WINDSCREEN WIPER
CAB - FRONT GLASS & REAR GLASS
CAB - RIGHT DOOR
CAB - LEFT DOOR
CAB - CLADDING
SEAT HOLDER
SEAT & PASSENGER SEAT
FEEDER REVERSER - LEVER
CONTROL CONSOLE
MULTIFUNCTION LEVER
AGRITRONICPLUS
REAR VIEW MIRROR
PLATFORM - RIGHT SIDE
PLATFORM - LEFT SIDE
ACCESS LADDER
AIR CONDITIONING AND HEATING SYSTEM
AIR CONDITIONING
AIR CONDITIONING - HYDRAULIC LINES
CHASSIS
FRAME - LOWER
FRAME - BEATER
FRAME - STRAW WALKER
TOOL BOX - TOOLS
TOOL BOX
TOOL BOX - BRACKET
FRONT GUARDS - RIGHT SIDE
FRONT GUARDS - LEFT SIDE
FRONT GUARDS - SHAKER SHOE
REAR GUARDS - LEFT SIDE
ENGINE ACCESS - DECK & LADDER
ENGINE ACCESS - HAND RAIL
ADDITIONAL FIRE EXTINGUISHER
ENGINE COVER
ENGINE COVER - FITTING BRACKET
SHEET METAL - RIGHT SIDE
SHEET METAL - LEFT SIDE
SHEET METAL - REAR
SHEET METAL - STRAW HOOD
REAR SHEET METAL - WEIGHT
SIGNALING PANELS
NUMBER PLATE
DECALS
DECALS - SAFETY - FRONT
DECALS - SAFETY - REAR
DECALS - SAFETY - RIGHT SIDE
DECALS - SAFETY - LEFT SIDE
WHEELS
TRACKS (6 ROLLERS)
ROLLERS ELEMENTS & IDLER WHEELS - (COMPONENTS)
CHAIN ELEMENTS
FRONT WHEELS - STANDARD
FRONT WHEELS - AUTOLEVEL
REAR WHEELS
REAR WHEELS - WEIGHT
WHEELS WEDGES
FEEDING SYSTEM
TOOLS
SHIELD PLATE
TILT FRAME
TILT FRAME - CONTROL LEVER
FEEDER FRAME
DRIVE PULLEY
UPPER SHAFT
LOWER SHAFT
FEED DRUM
FEEDER CHAIN
COLLECTOR DRUM - LINK BELT
COLLECTOR DRUM
SHIELDS
LIFTING
THRESHING SYSTEM
THRESHER CONCAVE
THRESHER CONCAVE - WHEAT, BARLEY, SMALL SEEDS, RYE & OATS
THRESHER CONCAVE - GRAIN & MAIZE
THRESHER CONCAVE - RICE
THRESHER CONCAVE - DRUM BAR PLATES
REAR BEATER
CONCAVE - CONTROL SYSTEM
CONCAVE - WHEAT, BARLEY, SMALL SEEDS, RYE & OATS
CONCAVE - MAIZE & MIXED CROP
CONCAVE - MAIZE, COB & MIXED CROP
CONCAVE - GRAIN & MAIZE
CONCAVE - RICE
CONCAVE - DEFLECTOR PLATE
MULTI CROP SEPARATOR - LEFT SIDE
MULTI CROP SEPARATOR - RIGHT SIDE
MULTI CROP SEPARATOR - GEAR REDUCER
MULTI CROP SEPARATOR - ROTOR GRATE
MULTI CROP SEPARATOR - ROTATING SEPARATOR
STRAW WALKER
STRAW WALKER - MAIZE & SUNFLOWER
STRAW WALKER - STRAW-LIFTER RIDER
STRAW WALKER - PROTECTIVE PLATE
STRAW WALKER - CAMSHAFT
SWATHER RAKE
WIND CANVAS
CLEANING SYSTEM
SHAKER SHOE
SHAKER SHOE - LID
SHAKER SHOE - RETURNS AUGER
CLEANING FAN
STRATIFICATION PAN
CHAFFER FRAME
CHAFFER FRAME - CONTROL SYSTEM
SIEVE FRAME
DISCHARGE EXTENSION
SIEVE
VARIABLE SPEED FAN DRIVE - ELECTRICAL CONTROL
TAILINGS ELEVATOR - STANDARD
TAILINGS ELEVATOR - ANTI-WEAR RICE
TAILINGS ELEVATOR - SCRAPER
GRAIN BIN AND ELEVATOR SYSTEM
GRAIN BIN
GRAIN BIN - EXTENSION
GRAIN BIN - UNLOADER GATE
CONNECTING BOX - LOWER - (COMPONENTS)
CONNECTING BOX - SUPERIOR - (COMPONENTS)
GRAIN BIN UNLOADING - SWIVEL AUGER
GRAIN ELEVATOR - STANDARD
GRAIN ELEVATOR - ANTI-WEAR RICE
GRAIN ELEVATOR - FILLING AUGER
CONNECTING BOX - (COMPONENTS)
DISCHARGE SYSTEM
STRAW CHOPPER - CONTROL LEVER
STRAW CHOPPER - FITTING BRACKET
STRAW CHOPPER - SIDE BRACING
STRAW CHOPPER - FRAME
STRAW CHOPPER - ROTOR
STRAW DEFLECTOR
STRAW DEFLECTOR - CONTROL LEVER
CHAFF SPREADER - BRACKET - RIGHT SIDE
CHAFF SPREADER - BRACKET - LEFT SIDE
CHAFF SPREADER - FAN
CHAFF SPREADER - FAN DRIVE AND PULLEY
CHAFF SPREADER - SHIELD
ACCESSORIES
ACCESSORIES - ADDITIONAL FUEL FILTER
ACCESSORIES - REAR AXLE 2 WD - WEIGHT
ACCESSORIES - REAR AXLE 4 WD
ACCESSORIES - REAR AXLE 4 WD - WEIGHT
ACCESSORIES - REAR WHEELS - WEIGHT
ACCESSORIES - TOWING HOOK
ACCESSORIES - TOWING HOOK CUNA
ACCESSORIES - TRACKS (6 ROLLERS)
ACCESSORIES - STRAW HOOD - WEIGHT
ACCESSORIES - CHAFF SPREADER
ACCESSORIES - STRAW CHOPPER DEFLECTOR
ACCESSORIES - WIND CANVAS
ACCESSORIES - REAR VIEW MIRROR
ACCESSORIES - SEED RIDDLE - UPPER
ACCESSORIES - SEED RIDDLE - LOWER
ACCESSORIES - PERFORATED COVERS FOR SOYA BEANS
ACCESSORIES - FAN SPEED REDUCTION & BLANKING PLATE
ACCESSORIES - ADDITIONAL FIRE EXTINGUISHER
ACCESSORIES - REFRIGERATOR 12V
ACCESSORIES - AIR COMPRESSOR
ACCESSORIES - YIELD MONITOR & MOISTURE SENSOR
ACCESSORIES - REAR VIEW CAMERA
ACCESSORIES - ADDITIONAL WORK LIGHTS
ACCESSORIES - AUXILIARY HEADLIGHTS
ACCESSORIES - HEADER ADDITIONAL LIFTING RAM
ACCESSORIES - AUTOLEVEL GSA (GROUND SELF ALIGNMENT)
ACCESSORIES - FRONT ELEVATOR SUPPORT KIT
PARTS FOR SANDY SOILS
CUTTING TABLE BLOCK QUICK RELEASE COUPLING
ELECTRICAL ADJUSTMENT DEFLECTORS
SPIKE TOOTH CONCAVE WITH 2 COMPLETE THRESHING SECTION
SPEED REDUCTION
CONVERSION KIT - WHEAT TO MAIZE
CONVERSION KIT - BELT TO CHAIN


