Massey Ferguson MF 760 (US) Parts Catalog 651429EA
Data Size: 24.09 MB
File Type: PDF
Language: English
Manufacturer: Massey Ferguson
Applicable Machine: Harvesting, Combines - Conventional
Document: Spare Parts Manual
Machine Model: MF 760 Combine (US)
Book Number: 651429EA
Page: 720 Pages
List Contents:
TABLE OF CONTENT
TABLE - RIGID CUTTER BAR
TABLE PLATES, SHIELDS AND DIVIDERS - RIGID CUTTER BAR
TABLE - 30 FOOT RIGID
TABLE DIVIDERS AND SHIELDS - 30 FOOT RIGID
TABLE - FLOATING CUTTER BAR
DIVIDERS AND SHIELDS - FLOATING CUTTER BAR
SHIELDS AND BRACKETS - FLOATING CUTTER BAR
COUNTER BALANCE, IDLER, SPRING PIVOT ASSEMBLY - FLOATING CUTTER BAR
FLOATING DIVIDERS - FLOATING CUTTER BAR
FLOATING DIVIDER - FLOATING CUTTER BAR
AUGER
AUGER - 30' TABLE
KNIFE - RIGID CUTTER BAR
KNIFE - FLOATING CUTTER BAR
CUTTER BAR - FLOATING CUTTER BAR
WOBBLE KNIFE DRIVE
DRIVE, TABLE AND REEL - BELT DRIVE
DRIVE, TABLE AND REEL - CHAIN DRIVE
DRIVE, TABLE - 30' TABLE
ELECTRIC VARIABLE SPEED REEL DRIVE - 13' THRU 24' TABLES
ELECTRIC MOTOR AND WIRING
HYDROSTATIC REEL DRIVE HYDRAULICS - 15', 16', 18' AND 20' TABLES
HYDROSTATIC REEL DRIVE HYDRAULICS - 16', 18' AND 20' TABLE
HYDROSTATIC REEL DRIVE AND HYDRAULICS - 30' TABLE
HYDRAULIC PUMP AND RESERVOIR - 30' TABLE
HYDRAULIC MOTOR
REEL AND SUPPORTS - 15' THRU 24' TABLES
REEL AND SUPPORTS - 30' TABLE
REEL LIFT - 15' THRU 24' TABLES
REEL LIFT CYLINDERS - 15' THRU 24' TABLES
REEL LIFT HYDRAULICS - 30' TABLE
REEL LIFT CYLINDERS - 30' TABLE ONLY
MF 67 PICK-UP (DRUM) - FRAME, DRUM, GRAIN PAN
MF 67 PICK-UP (DRUM) - WINDBAR, WHEELS
MF 67 PICK-UP (DRUM) - DRIVE, DRIVE EXTENSION, GUARDS
MF 67 PICK-UP (DRAPER) - FRAME, ROLLER, GRAIN PAN, BELTS
MF 67 PICK-UP (DRAPER) - WINDBAR WHEELS
MF 67 PICK-UP (DRAPER) - DRIVE, DRIVE EXTENSION, GUARDS
ELEVATOR TO TABLE DRIVE - PADDLE
ELEVATOR SHAFTS AND DRIVES - PADDLE
ELEVATOR, TABLE TO CYLINDER - PADDLE
ELEVATOR EXTENSION AND DRIVE - PADDLE ELEVATOR
ELEVATOR AND EXTENSION - SLAT, WITH 3 ROW CONVEYOR
ELEVATOR, TABLE TO CYLINDER - SLAT WITH 2 ROW CONVEYOR
ELEVATOR TOP SHAFT AND DRIVE - SLAT ELEVATOR W 3 ROW CONVEYOR
ELEVATOR TOP SHAFT AND DRIVE - SLAT ELEVATOR W 2 ROW CONVEYOR
ELEVATOR CLUTCH - ELECTRO MAGNETIC HEADER THROW-OUT
ELEVATOR DRIVE SHIELDS - COMBINE
CYLINDER HOUSING
CYLINDER DRIVE - TWO SPEED
VARIABLE SPEED DRIVE CONTROL
CYLINDER, RASP BAR - HIGH INERTIA
CYLINDER (SPIKE TOOTH)
CONCAVE (RASP-BAR)
CONCAVE (SPIKE TOOTH)
CONCAVE CONTROL
STONE TRAP, FEED PLATE
FRONT BEATER
REAR BEATER
WALKER BODY
STRAW WALKERS
STRAW WALKERS AND RETURNS ELEVATOR DRIVE
GRAIN PAN AND SHAKER SHAFT
FANNING MILL
SHAKER SHOE
SCREENS
HOOD
STRAW SPREADER
STRAW SPREADER DRIVE
LEFT HAND DRIVE
LEFT HAND DRIVE IDLERS
GRAIN TANK
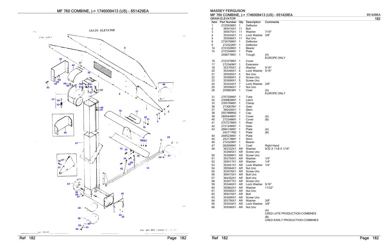
GRAIN ELEVATOR
GRAIN ELEVATOR DRIVE
GRAIN TANK UNLOADER BOTTOM
GRAIN TANK UNLOADER TOP
GRAIN TANK UNLOADER DRIVE
RETURNS ELEVATOR
RETURNS ELEVATOR CARRIERS
MAIN FRAME
FRONT AXLE, SHAFTS AND COUPLINGS
FRONT WHEELS
MAIN DRIVE
TRACTION DRIVE - HYDROSTATIC TRANSMISSION
VARIABLE SPEED TRACTION DRIVE - 4 SPEED TRANSMISSION
TRACTION CLUTCH - 4 SPEED TRANSMISSION
GEAR SHIFT - 4 SPEED TRANSMISSION
GEAR SHIFT - HYDROSTATIC TRANSMISSION
TRANSMISSION - 4 SPEED WITH 2 PINION PLANETARY
TRANSMISSION - 4 SPEED, WITH 4 PINION PLANETARY
TRANSMISSION - HYDROSTATIC
HYDROSTATIC CONTROLS - COMBINE
HYDROSTATIC PRESSURE RELEASE CONTROLS
HYDROSTATIC PUMP DRIVE AND MOTOR - SUNDSTRAND
HYDROSTATIC PUMP DRIVE AND MOTOR - EATON PUMP AND MOTOR
HYDROSTATIC PUMP DRIVE AND MOTOR - EATON
HYDROSTATIC PUMP - SUNDSTRAND
HYDROSTATIC PUMP - EATON
CONTROL VALVE, CHARGING PUMP - HYDROSTATIC PUMP
PUMP DRIVE MOTOR - SUNDSTRAND
PUMP DRIVE MOTOR - EATON
HYDROSTATIC COOLING SYSTEM
FINAL DRIVE
FINAL DRIVE - RICE TRACK ONLY
PARKING BRAKE CONTROL - NORTH AMERICA AND EUROPE
TURNING BRAKES - NORTH AMERICA AND EUROPE
BRAKE CYLINDER, BRAKE ASSEMBLY
TRACK, FRAME AND AXLE
TRACK, IDLER AND ROLLERS
A FRAME AND REAR WHEELS
ADJUSTABLE REAR AXLE
A FRAME, FIXED REAR AXLE, WHEELS - EUROPE ONLY
REAR WHEEL DRIVE, ADJUSTABLE AXLE - AXLE, TIE ROD, WHEELS
REAR WHEEL DRIVE HYDRAULICS
MOTOR ASSEMBLY - MOTOR HOUSING AND AXLE YOKE
MOTOR ASSEMBLY - WHEEL HUB, CYLINDER HOUSING AND BLOCK
MOTOR ASSEMBLY - WHEEL MANIFOLD
MOTOR ASSEMBLY - PLANET PINION, CARRIER, HOUSING
REAR WHEEL DRIVE CONTROL VALVE
REAR WHEEL DRIVE WIRING
OPERATOR'S PLATFORM AND LADDER
CONTROL BOX
INSTRUMENTS AND SWITCHES
MONITOR SYSTEM
BATTERY AND WIRING - AT6-354 ENGINE
ELECTRICAL WIRING - AV8-540 ENGINE
ALTERNATOR
STARTER - AT6-354 ENGINE
SOLENOID - AT6-354 ENGINE
STARTER - AV8-540 ENGINE
SOLENOID - AV8-540 ENGINE
LIGHTING
LIGHTING - ROAD LIGHTS, EUROPE ONLY
FLOODLIGHTS
LIGHTS
LIGHTS - EUROPE ONLY
ELECTRIC ETHER STARTING KIT
SEAT
STEERING PEDESTAL
STEERING WHEEL, COLUMN AND CONTROL UNIT
ENGINE COVER
ENGINE COVER EXTENSION AND CYCLONE INTAKE - AT6-354 ENGINE
ENGINE COVER EXTENSION AND CYCLONE INTAKE - AV8-540 ENGINE
FRONT SHIELDS - LEFT SIDE
REAR SHIELDS - RIGHT SIDE
FUEL TANK, LINES, SUPPORTS AND TOOL BOX
HYDRAULIC CONTROLS
MAIN HYDRAULIC CONTROL VALVE - 3 SPOOL
HYDROSTATIC REEL DRIVE HYDRAULICS
HYDRAULIC PRESSURE AND RETURN LINES
HYDRAULIC PUMP - MAIN HYDRAULICS
HYDRAULIC TANK
REEL LIFT HYDRAULICS
HYDRAULIC CONTROL REEL FORE AND AFT - EUROPE ONLY
TABLE LIFT HYDRAULICS
TABLE LIFT CYLINDERS
TANK UNLOADER SWING CONTROLS
TANK UNLOADER HYDRAULICS
UNLOADER CYLINDER
VARIABLE SPEED HYDRAULICS - 4 SPEED
VARIABLE SPEED CYLINDER
STEERING HYDRAULICS
STEERING HYDRAULICS - EUROPE ONLY
STEERING CYLINDER
TABLE HEIGHT CONTROL - RIGID CUTTER BAR
TABLE HEIGHT CONTROL - FLOATING CUTTER BAR
CONTROL VALVE - TABLE HEIGHT
CONTROL VALVE - TABLE HEIGHT, REEL FORE AND AFT
CONTROL VALVE SECTION - EUROPE ONLY
HYDRAULIC PUMP DRIVE AND ENGINE SUPPORTS
GREASE HARNESS
REAR MOTOR HOUSING
BELTS - LEFT SIDE
CHAINS
CHAINS - PADDLE ELEVATOR
CHAINS - SLAT ELEVATOR
ADAPTING PARTS FOR CORN HEAD
CONVEYOR CHAIN
EMBLEMS AND LABELS
EMBLEMS AND LABELS - FRENCH CANADIAN
CYLINDER BLOCK - AT6-3544 DIESEL
CRANKSHAFT, FLYWHEEL, INSERTS - AT6-3544 DIESEL
PISTONS, RINGS AND RODS - AT6-3544 DIESEL
TIMING GEAR AND CAMSHAFT - AT6-3544 DIESEL
CYLINDER HEAD COVER - AT6-3544 DIESEL
CYLINDER HEAD - AT6-3544 DIESEL
OIL PAN, PUMP AND FILTER - AT6-3544 DIESEL
OIL COOLER AND FILTER - AT6-3544 DIESEL
GASKET SETS - AT6-3544 DIESEL
WATER PUMP AND ATTACHING PARTS - AT6-3544 DIESEL
MANIFOLDS - AT6-3544 DIESEL
AIR INTAKE AND EXHAUST - AT6-3544 DIESEL ENGINE
PRE-CLEANER, PRE-SCREENER
THROTTLE CONTROL, FUEL SHUT-OFF - AT6-3544 DIESEL ENGINE ONLY
INJECTION SYSTEM - AT6-3544 DIESEL
INJECTION PUMP AND INJECTOR - AT6-3544 DIESEL
FUEL FILTERS AND LINES - AT6-3544 DIESEL
LIFT PUMP AND FUEL FILTER - AT6-3544 DIESEL
TURBOCHARGER - AT6-3544 DIESEL
RADIATOR FAN DRIVE - AT6-3544 DIESEL
CYLINDER BLOCK - AV8-540 DIESEL
CRANKSHAFT FLYWHEEL AND BEARINGS - AV8-540 DIESEL
CYLINDER HEAD AND VALVES - AV8-540 DIESEL
CYLINDER HEAD COVER AND ROCKER SHAFT - AV8-540 DIESEL
CAMSHAFT AND TIMING GEARS - AV8-540 DIESEL
OIL PAN, PUMP AND COOLER - AV8-540 DIESEL
OIL PUMP - AV8-540 DIESEL ENGINE
LUBRICATION OIL FILTER - AV8-540 DIESEL
ENGINE GASKETS SETS - AV8-540 DIESEL
WATER PUMP - AV8-540 DIESEL
THROTTLE CONTROL, FUEL SHUT-OFF - AV8-540 DIESEL ENGINE
FUEL INJECTION LINES - AV8-540 DIESEL
INJECTION PUMP
FUEL FILTER AND INJECTION PUMP
AUXILIARY DRIVE
AIR INTAKE - AV8-540 DIESEL ENGINE
EXHAUST SYSTEM
INTAKE AND EXHAUST MANIFOLDS - AV8-540 DIESEL ENGINE
RADIATOR FAN DRIVE - AV8-540 DIESEL
STRAW CHOPPER - DRIVE ASSEMBLY
HOUSING, ADAPTER AND ROTOR
HOUSING, ADAPTER AND ROTOR - EUROPE ONLY
CORN KIT - WITH SLOW DOWN SHEAVE
CHOPPER ALARM SYSTEM - NORTH AMERICA
CAB - SHEET METAL, WINDOWS
CAB - SEALING STRIPS
COMPRESSOR EVAPORATOR AND CONDENSOR
COMPRESSOR
AIR CONDITIONING AND LINES
CAB ELECTRICAL WIRING
PRESSURIZER
HEATER - ORDER WHOLE GOODS NO. 1750011
WINDSHIELD WIPER - EUROPE ONLY
PICK-UP REEL - GRAIN OR RICE - 6 SPACING - 5 BAT
PICK-UP REEL - GRAIN - 6 SPACING - 6 BAT
PICK UP REEL - GRAIN OR RICE - 4 SPACING - 6 BAT
PICK UP REEL - GRAIN - 6 STAGGERED SPACING - 5 BAT
PICK UP REEL - EXPORT ONLY
PICK UP REEL - GRAIN AND RICE - 4 SPACING - 6 BAT
CLUTCH AND ANTI-WRAP SHIELD - 5 AND 6 BAT REELS
DRAPER TABLE
TABLE BRACES
AUGER - DRAPER TABLE
WOBBLE KNIFE DRIVE - DRAPER TABLE
DRIVES, KNIFE AND AUGER - DRAPER TABLE
DRAPER AND DRIVE - DRAPER TABLE
REEL ARMS DIVIDERS AND SHIELDS - DRAPER TABLE
PICK UP REEL - DRAPER TABLE
CLUTCH - PICK-UP REEL - DRAPER TABLE
REEL DRIVE HYDRAULCIS - DRAPER TABLE
REEL LIFT, HYDRAULICS - DRAPER TABLE
HYDRAULIC MOTOR - DRAPER TABLE
HYDRAULIC CYLINDER - DRAPER TABLE
ACCESSORIES - PAINT


