Massey Ferguson MF 9280 Delta Parts Catalog 3906266
Data Size: 57.47 MB
File Type: PDF
Language: English
Manufacturer: Massey Ferguson
Applicable Machine: Harvesting, Combines - Conventional
Document: Spare Parts Manual
Machine Model: MF 9280 Delta Combine
Book Number: 3906266
Page: 999 Pages
List Contents:
TABLE OF CONTENT
ENGINE
ENGINE ASSEMBLIES
CYLINDER BLOCK
TIMING GEARS AND HOUSING
FLYWHEEL AND HOUSING
CRANKSHAFT AND PISTONS
CAMSHAFT AND VALVE MECHANISM
CYLINDER HEAD
AIR INTAKE & EXHAUST
TURBOCHARGER
OIL PUMP AND SUMP
OIL COOLER AND FILTER
CLOSED CRANKCASE VENTILATION (CCV)
COOLANT PUMP AND THERMOSTAT
FUEL INJECTION SYSTEM
FUEL FILTERS
ELECTRONIC ENGINE MANAGEMENT
STARTER MOTOR
ALTERNATOR
FAN DRIVE
EXHAUST AFTERTREATMENT - ENGINE TYPE AWF
ENGINE OVERHAUL PARTS
ENGINE INSTALLATION
FILTERS GUIDE
ENGINE BRACKETS
COOLING SYSTEM - RADIATOR
COOLING SYSTEM - RADIATOR (COMPONENTS)
COOLING SYSTEM
COOLING SYSTEM - ROTARY SCREEN
COOLING SYSTEM - FAN COWL
DUST ASPIRATOR
ENGINE AIR FILTER
EXHAUST SYSTEM
DEF SYSTEM
DEF TANK (COMPONENTS)
FUEL TANK
DRIVE SYSTEM
DRIVE BELT SYSTEM - LEFT SIDE
DRIVE BELT SYSTEM - RIGHT SIDE
HYDROSTATIC PUMP & POWER TAKE-OFF
ROTARY FILTER & DUST ASPIRATOR - DRIVE
FEEDER CONVEYOR - DRIVE
FEEDER REVERSER - DRIVE
THRESHING MECHANISM - DRIVE
ROTOR FEEDER - DRIVE
ROTOR - DRIVE
ROTOR VARIATOR - DRIVE
COUNTERSHAFT - DRIVE
CYLINDER VARIATOR - DRIVE
VARIABLE SPEED FAN DRIVE
VARIABLE SPEED FAN DRIVE - LOW SPEED
COUNTER DRIVE
GRAIN ELEVATOR - DRIVE
GRAIN BIN UNLOADING - DRIVE
STRAW CHOPPER - DRIVE
CHAFF SPREADER - DRIVE
AXLES
REAR AXLE SUPPORT
REAR AXLE - 2 WHEELS DRIVE
REAR AXLE - 4 WHEELS DRIVE
HITCH
STEERING SYSTEM
STEERING COLUMN
STEERING COLUMN (COMPONENTS)
STEERING - HYDRAULIC LINES
STEERING - REAR AXLE - 2 WHEELS DRIVE
STEERING - REAR AXLE - 4 WHEELS DRIVE
DRIVE TRAIN SYSTEM
FRONT AXLE & GEARBOX - SHIELD
FRONT AXLE & GEARBOX - STANDARD
FRONT AXLE & GEARBOX - AUTOLEVEL
FINAL DRIVE (COMPONENTS)
GEARBOX (COMPONENTS)
GEAR LEVER SYSTEM
BRAKE SYSTEM
BRAKE PEDAL
BRAKE SYSTEM - STANDARD
BRAKE SYSTEM - AUTOLEVEL
BRAKE SYSTEM - (COMPONENTS)
PARKING BRAKE
HYDRAULIC SYSTEM
HYDRAULIC OIL TANK
HYDRAULIC PUMP
HYDRAULIC PROPEL
FRONT AXLE
CUTTING HEADER - LIFTING - STANDARD
CUTTING HEADER - LIFTING - AUTOLEVEL
CUTTING HEADER - LIFTING - LIFT RAM
CUTTING HEADER
QUICK HYDRAULIC COUPLERS (MULTI-FASTER) - (COMPONENTS)
CUTTING HEADER - TILT
CUTTING HEADER - REVERSER
BEATER - VARIATOR
MOTOR - VARIATOR
AUTOLEVEL - HYDRAULIC CYLINDER
AUTOLEVEL
GRAIN BIN UNLOADING
OIL COOLER
CHAFF SPREADER
MAXI SPREADER
ELECTRICAL SYSTEM
FRONT LIGHTING
REAR LIGHTING
NUMBER PLATE - LIGHTING
WORK LIGHTS - STRAW HOOD
ROTARY BEACON
REVERSING LIGHT
BATTERY & CABLES
ELECTRICAL PARTS
ELECTRICAL SYSTEM - COMPONENTS
HARNESS - FRONT LIGHTING
HARNESS - CAB ROOF
HARNESS - CAB
HARNESS - CONTROL CONSOLE
HARNESS - CUTTING HEADER
HARNESS - HARVEST FUNCTION
HARNESS - THRESHER CONCAVE
HARNESS - GRAIN BIN
HARNESS - RIGHT SIDE
HARNESS - S.C.R. SYSTEM
HARNESS - ENGINE
HARNESS - ROTOR
HARNESS - VERTICAL KNIVES
HARNESS - YIELD MONITOR & MOISTURE SENSOR
HARNESS - SIEVES & LOSS
HARNESS - STRAW HOOD
COMPUTER HARNESS
COMPUTER HARNESS - CURRENT SUPPLY
ELECTRICAL BOX
ELECTRICAL BOX - AUTOLEVEL
STRAW CHOPPER
STRAW DEFLECTOR
HARNESS - MAXI SPREADER
AGCOMMAND
CAB
CAB SUPPORT FRAME
CAB - VALANCE
CAB SUBSTRUCTURE
CAB - ROOF
CAB - WINDSCREEN WIPER
CAB - GLASSES
CAB - CLADDING
SEAT
CONTROL CONSOLE
DATAVISION
CAB FILTER
REAR VIEW MIRROR
ACCESS LADDER
ACCESS LADDER - EXTENSION - AUTOLEVEL
AIR CONDITIONING AND HEATING SYSTEM
AIR CONDITIONING
AIR CONDITIONING - HYDRAULIC LINES
CHASSIS
FRAME - LOWER
FRAME - BEATER
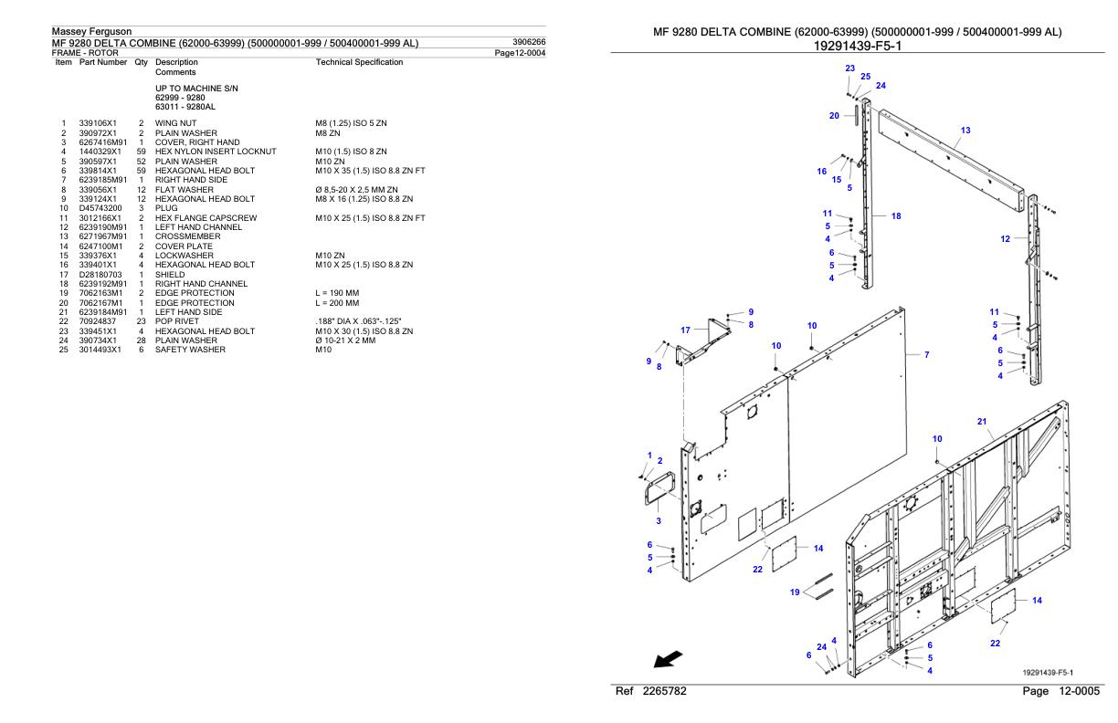
FRAME - ROTOR
FRAME - STRAW HOOD
TOOL BOX
STONE TRAP
FRONT GUARDS
ENGINE ACCESS - DECK & LADDER
ENGINE ACCESS - HANDRAIL
ENGINE COVER
SHEET METAL - RIGHT SIDE
SHEET METAL - LEFT SIDE
SHEET METAL - REAR
SIGNALING PANELS
DECALS
DECALS - RIGHT SIDE
DECALS - LEFT SIDE
DECALS - SAFETY & WARNING
WHEELS
FRONT WHEELS
REAR WHEELS
WHEEL WRENCH
FEEDING SYSTEM
SHIELD PLATE
TILT FRAME
FEEDER FRAME
FEEDER FRAME - MAIZE
UPPER SHAFT
FEED DRUM
FEEDER CHAIN
SHIELD
THRESHING SYSTEM
THRESHER CONCAVE
THRESHER CONCAVE - MAIZE
REAR BEATER
CONCAVE ADJUSTMENT
ROTOR FEEDER
ROTOR INLET
ROTOR
ROTOR DISCHARGE
SEPARATOR GRATES
RETURN PAN
CLEANING SYSTEM
CLEANING FAN
CLEANING FAN - SHIELD
CLEANING FAN - FANNING MILL
PITMAN SHAFT
STRATIFICATION PAN
CHAFFER FRAME
SIEVE FRAME
SIEVE FRAME - REPAIR KIT
CHAFFER
CHAFFER - MAIZE
SIEVE
TAILINGS ELEVATOR
TAILINGS ELEVATOR - ANGLE DRIVE
GRAIN BIN AND ELEVATOR SYSTEM
GRAIN BIN
GRAIN BIN - EXTENSION
GRAIN BIN - UNLOADER GATE
GRAIN ELEVATOR
GRAIN ELEVATOR - YIELD MONITOR & MOISTURE SENSOR
GRAIN ELEVATOR - FILLING AUGER
DISCHARGE SYSTEM
STRAW CHOPPER - FRAME
STRAW CHOPPER - ROTOR
STRAW CHOPPER - MAIZE
STRAW DEFLECTOR - MANUAL HANDLE
MAXI CHAFF SPREADER
MAXI CHAFF SPREADER - MAIZE
PRECISION FARMING SYSTEMS
GUIDANCE RECEIVER
ACCESSORIES
ACCESSORIES - ADDITIONAL FUEL FILTER
ACCESSORIES - BEATER
ACCESSORIES - VARIABLE SPEED FAN DRIVE
ACCESSORIES - REAR AXLE 4 WD
ACCESSORIES - WHEELS WEDGES
ACCESSORIES - PERFORATED COVERS FOR PEA
ACCESSORIES - ROTOR - BLANKING PLATE
ACCESSORIES - REINFORCEMENT FAN HOUSING
ACCESSORIES - FEEDER CONVEYOR
ACCESSORIES - HEADER ADDITIONAL LIFTING RAM
ACCESSORIES - ROTOR INLET
ACCESSORIES - AGCOMMAND
CONVERSION KIT - WHEAT TO MAIZE


