Merlo 2024 MF40.7 MF40.9 MF44.7 MF44.9 CS Service Manual, Electrical and hydraulic Schematics
Size: 598 MB
Format: PDF
Language: Deutsch
Brand: Merlo
Machine: Telescopic Handler, Telehandler
Machine Model: MF 40.7 CS, MF 40.9 CS, MF 44.7 CS, MF 44.9 CS
Document: Machine Operation Manual, Engine Manual, Electrical System Manual, Error Code Manual, Drive System Manual, Hydraulic System Manual, Mechanical System Manual, Maintenance Manual, Installation Guideline, Spare Parts List, Troubleshooting Manual, Technical Information Manual, Workshop Manual
Contact Us: “CLICK HERE”
Payment Method: “CLICK HERE”
Shopping Guide: “CLICK HERE”



LIST OF DOCUMENT:
1. Bedienungsanleitungen (Operating Manuals)
Maschine (Machine Operating Manuals): Manuals for specific models of machinery, including operational guidelines and maintenance.
Motor (Engine Operating Manuals): Comprehensive manuals for engines detailing operational procedures and maintenance.
2. Elektrik (Electrical Systems)
Elektrische Anlage (Electrical Systems Diagnostics): Manuals for diagnosing and managing electrical systems using various software tools.
Elektrofunktionsschemen (Electrical Functional Diagrams): Detailed schematics for the electrical systems of various models.
Fehlermeldungen (Error Messages): Manuals and lists of error codes and troubleshooting for modular systems.
3. Fahrantrieb (Drive Systems)
Hydratecno Diagnose (Hydratecno Diagnostics): Diagnostics software related to drive systems.
Hydrostatische Anlage (Hydrostatic Systems): Manuals for hydrostatic drive systems.
Hydrostatschemen (Hydrostatic Schematics): Schematics detailing the hydrostatic drive setups for specific models.
4. Hydraulik (Hydraulics)
Hydraulikschemen (Hydraulic Schematics): Schematics showing hydraulic systems of various models.
Hydraulische Anlage (Hydraulic Systems Manuals): Detailed guides on hydraulic installations for specific models.
5. Mechanik (Mechanical Systems)
Antriebsstrang (Drivetrain): Manuals for components like differentials, gearboxes, and reduction gears.
Teleskopausleger (Telescopic Arms): Manuals covering telescopic arms for certain models.
Zapfwelle (Power Take-Off): Manuals and diagrams related to the power take-off systems.
6. Motor (Engine)
DEUTZ and FPT (Specific Engine Brands): Various manuals including installation guidelines, error code lists, parts lists, troubleshooting, technical information, maintenance stickers, and workshop manuals.
7. Wartung (Maintenance)
Planmäßige Wartungseingriffe (Scheduled Maintenance): Manuals outlining scheduled maintenance procedures for specific models and engines.
INHALT:
Bedienungsanleitungen
Maschine
BA MF40.7CS (10-2018--MA00728 ).pdf
WA MF40.7-40.9CS (12-2015--MM-MF40-01).pdf
Motor
BA DEUTZ TCD 4.1 L4 (03123770_2011).pdf
Betrieb und Wartung FPT Motor (04_L31900339_DEU -D1-).pdf
Elektrik
Elektrische Anlage
Diagnose des Modularen Systems (DIA-SYMOD.07).pdf
Diagnosesoftware Merlo Tool V.1.0.0 (DIA-MTOOL.02).pdf
Diagnosesoftware Merlo Tool V.1.0.1 (DIA-MTOOL.05).pdf
Diagnosesoftware Merlo Tool V.1.0.3 (DIA-MTOOL.06).pdf
Diagnosesoftware Merlo Tool V1.1.1 (MD-MTOOL.01).pdf
Diagnosesoftware Merlo Tool V1.7.0 (MD-MTOOL.03).pdf
Dynamische Lastkontrolle CDC (TFCDCMOD.02).pdf
Joystick Systeme (SISTJOY.05).pdf
Elektrofunktionsschemen
59521-3B - TF MODULAR 2015 SAV.pdf
59521-3D - TF MODULAR 2016 SAV.pdf
66186-3A - TF MODULAR V2 2017 SAV.pdf
73699-3 TF MODULAR V3 2018 SAV.pdf
79665-3A TF MODULAR V3 STAGE V 2022 SAV.pdf
Fehlermeldungen
Fehlercodes Modulsystem V1.25.0 (MD-CODER.01).pdf
Fehlercodes Modulsystem V1.43.0 (MD-CODER.06).pdf
Fehlercodes Modulsystem V1.54.0 (MD-CODER.07).pdf
Fahrantrieb
Hydratecno Diagnose
Diagnosesoftware HydraTecno V.2.6.0 (MD-HYDTEC.03).pdf
Hydrostatische Anlage
Hydrostatischer Fahrantrieb UCTI REXROTH (MAUCTIREX.01).pdf
Hydrostatschemen
Hydrostatschema MF40-TF45-TF50 2015 (63634_2a).pdf
Hydrostatschema MF44 2023 (85526_2).pdf
Hydraulik
Hydraulikschemen
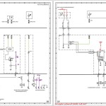
Hydraulikschema MF40.7-40.9CS (49238_2).pdf
Hydraulikschema MF40.7-40.9CS (49238_2c).pdf
Hydraulische Anlage
099022 Block Dauerhydraulik (64067_2a).pdf
Hydraulische Anlage MF40 (MHYDMF3P.01).pdf
Hydraulische Anlage MF40 (MHYDMF3P.04).pdf
Mechanik
Antriebsstrang
Differentiale (MREVDIFF.01).pdf
Getriebe Standard und CVT (MREVGBOX.02).pdf
Reduktionsgetriebe (MREVRIDU.03).pdf
T2M CVT Getriebe
Getriebe T2M CVT (MREVGBOX.02).pdf
Hydraulischer Verteiler TF45-TF50 Bucher HDS34 (MHYDTFHD.01).pdf
Zeichnung 090923 CVT Getriebe (59330_1b).pdf
Teleskopausleger
Teleskopausleger TF30.9-33.9-45.11-MF40.9 (MAB3SZ.01).pdf
Zapfwelle
GRUPPO PTO - PIANTA.PNG
Ueberholung der Zapfwelle (MAPTOMF.01).pdf
Motor
DEUTZ
Elektrik
Anschlussplan DEUTZ TCD 4.1 L4.pdf
Fehlermeldungen
DEUTZ Trouble Code List EMR4 2014_09_12.pdf
DEUTZ Trouble Code List EMR4 2015_02_10.pdf
DEUTZ Trouble Code List EMR4 2016_04_19.pdf
DEUTZ Trouble Code List EMR4 2017_07_14.pdf
DEUTZ Trouble Code List EMR4 2017_10_13.pdf
TCD 4,1 L 4 = TCD 2012 Lo 4 V
Betriebsanleitung
BA. 03123770_v. 01.11.pdf
Einbaurichtlinien
03124519 Abgas R. TCD 4,1 + 6,1 + 7,8 L.pdf
03124519.pdf
EBR. DPF. 03990021.pdf
Ersatzteilliste
ETL._03123776_v. 08.10.pdf
ETL._03123796_v. 03.11.pdf
ETL._03123899_v. 11.11.pdf
Fehlersuche
02977933.pdf
Spezial INFO Mot
00312271 Technische Info 4.1+6.1.pdf
00312271.pdf
00312303.pdf
Wartungsaufkleber
03123775 WTB. TCD 4,1 + 6,1 L.pdf
03123775.pdf
Werkstatthandbuch
WHB._03123931_Agri_v. 08.11.pdf
WHB._03123937_Industie_ K 2_v.08.11.pdf
FPT
004.N45-N67_T4BStIV_Fail_React_20160229.pdf
Errori_Engine_FPT.xlsx
Wartung
Planmaessige Wartungseingriffe MF40-156 DEUTZ (MPROGMF.01).pdf
Planmaessige Wartungseingriffe MF40-170 FPT (MP-MF40FPT.01).pdf
LIST OF CONTENTS:
User Manuals
Machine
BA MF40.7CS (10-2018--MA00728 ).pdf
WA MF40.7-40.9CS (12-2015--MM-MF40-01).pdf
Engine
BA DEUTZ TCD 4.1 L4 (03123770_2011).pdf
Operation and Maintenance FPT Engine (04_L31900339_DEU -D1-).pdf
Electricity
Electrical Installation
Diagnosis of the Modular System (DIA-SYMOD.07).pdf
Diagnostic Software Merlo Tool V.1.0.0 (DIA-MTOOL.02).pdf
Diagnostic Software Merlo Tool V.1.0.1 (DIA-MTOOL.05).pdf
Diagnostic Software Merlo Tool V.1.0.3 (DIA-MTOOL.06).pdf
Diagnostic Software Merlo Tool V1.1.1 (MD-MTOOL.01).pdf
Diagnostic Software Merlo Tool V1.7.0 (MD-MTOOL.03).pdf
Dynamic Load Control CDC (TFCDCMOD.02).pdf
Joystick Systems (SISTJOY.05).pdf
Electrical Function Diagrams
59521-3B - TF MODULAR 2015 SAV.pdf
59521-3D - TF MODULAR 2016 SAV.pdf
66186-3A - TF MODULAR V2 2017 SAV.pdf
73699-3 TF MODULAR V3 2018 SAV.pdf
79665-3A TF MODULAR V3 STAGE V 2022 SAV.pdf
Error Messages
Error Codes Modular System V1.25.0 (MD-CODER.01).pdf
Error Codes Modular System V1.43.0 (MD-CODER.06).pdf
Error Codes Modular System V1.54.0 (MD-CODER.07).pdf
Drive System
Hydratecno Diagnostics
Diagnostic Software HydraTecno V.2.6.0 (MD-HYDTEC.03).pdf
Hydrostatic Installation
Hydrostatic Drive UCTI REXROTH (MAUCTIREX.01).pdf
Hydrostatic Diagrams
Hydrostatic Diagram MF40-TF45-TF50 2015 (63634_2a).pdf
Hydrostatic Diagram MF44 2023 (85526_2).pdf
Hydraulics
Hydraulic Schematics
Hydraulic Diagram MF40.7-40.9CS (49238_2).pdf
Hydraulic Diagram MF40.7-40.9CS (49238_2c).pdf
Hydraulic Installation
099022 Constant Hydraulic Block (64067_2a).pdf
Hydraulic System MF40 (MHYDMF3P.01).pdf
Hydraulic System MF40 (MHYDMF3P.04).pdf
Mechanics
Drivetrain
Differentials (MREVDIFF.01).pdf
Standard and CVT Gearboxes (MREVGBOX.02).pdf
Reduction Gearbox (MREVRIDU.03).pdf
T2M CVT Gearbox
Gearbox T2M CVT (MREVGBOX.02).pdf
Hydraulic Distributor TF45-TF50 Bucher HDS34 (MHYDTFHD.01).pdf
Drawing 090923 CVT Gearbox (593





