Merlo CINGO SERIE EVO User Maintenance Manual, Hydraulic Electrical Diagram
Size: 37.1 MB
Document: User Manual, Maintenance Manual, Hydraulic Diagram, Electrical Diagram
Machine: Telehandler
Machine Model: CINGO SERIE EVO
INHALT:
Bedienung
M8.3-M12.3EVO-02-DE.pdf
Datenblatt
product_1680_M-12-3-EVO_2019-03-04(1).pdf
Elektrik
Elektrofunktionsschema M8.3-M12.3 EVO (q16022_3).pdf
Hydraulik
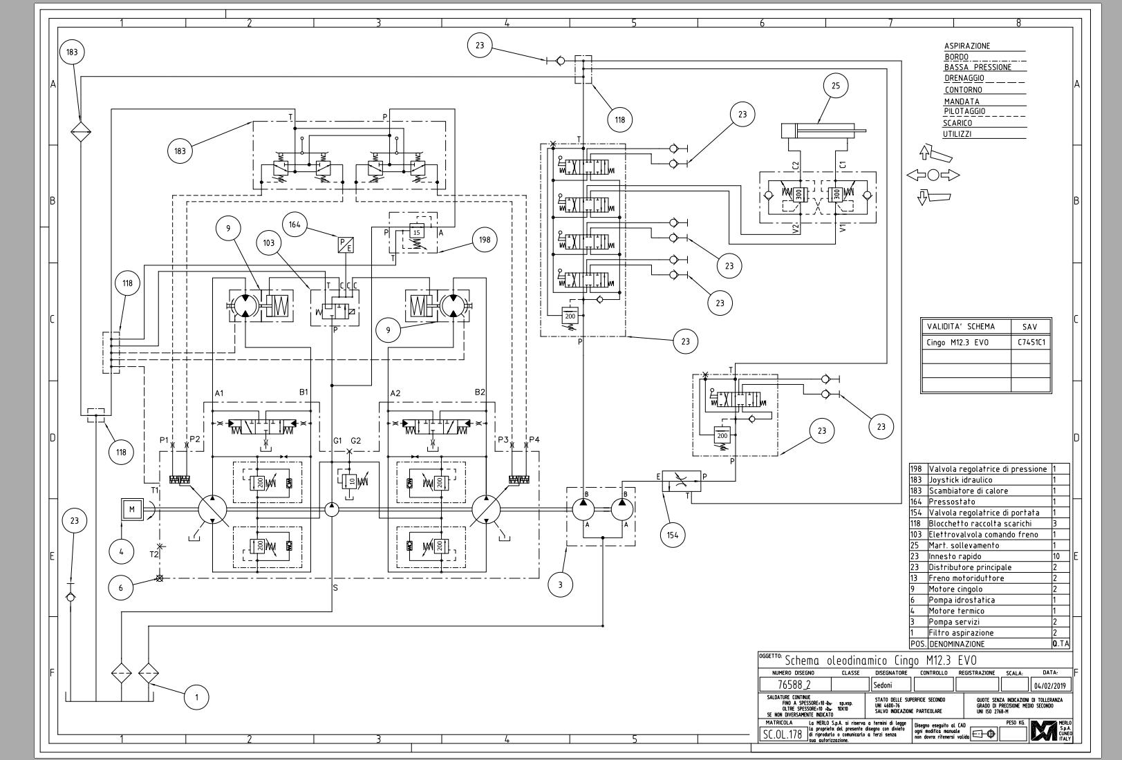
Hydraulikschema M12.3EVO 2019 (76588_2).pdf
Wartung
Wartungshandbuch M12.3 EVO (MO-CINGMOD.01).pdf
Contents:
Operation
M8.3-M12.3EVO-02-DE.pdf
Data sheet
product_1680_M-12-3-EVO_2019-03-04(1).pdf
Electrical
Electrical function diagram M8.3-M12.3 EVO (q16022_3).pdf
Hydraulics
Hydraulic diagram M12.3EVO 2019 (76588_2).pdf
Maintenance
Maintenance manual M12.3 EVO (MO-CINGMOD.01).pdf
#More Product: Merlo Service Manual, Hydraulic & Electrical Diagram,Spare Parts Catalog




