Merlo Multifarmer MF30.6 MF30.9 Classic Service Manual
Size: 201 MB
Document: Service Manual, Mechanic Manual, Hydraulic Diagram, Electrical Diagram
Machine: Telehandler
Machine Model:
MF30.6 Multifarmer Classic
MF30.9 Multifarmer Classic
Contents:
Bedienungsanleitungen
Maschine
BA MF30.6 MF30.9 CLASSIC 2 ab SAV B837511 (MF30C2-01).pdf
BA MF30.6 MF30.9 CLASSIC 2 ab SAV C105313 (MF30C2-03).pdf
BA MF30.9 CLASSIC 2 ab SAV B721312 (MF30.9C2-02).pdf
Motor
BA DEUTZ BF4M 2012.pdf
Diverse
BSS Schwingungsdaempfung Teleskopausleger.pdf
Verkaufsprospekt Multifarmer.pdf
Elektrik
Elektrische Anlage
Elektromechanischer Joystick (SISTJOY-04).pdf
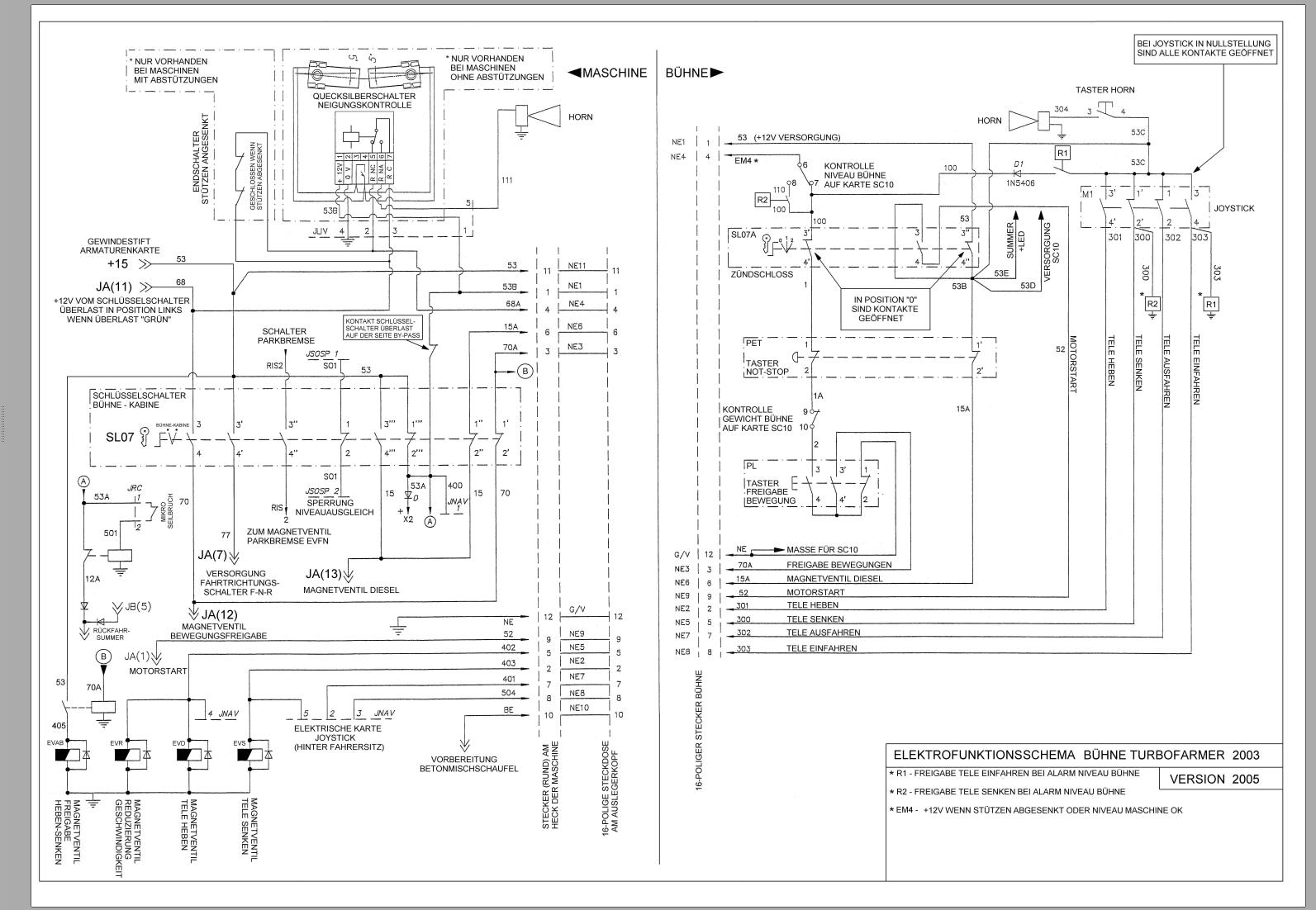
Elektrofunktionsschemen
Elektrofunktionsschema Buehne MF CL2.pdf
Elektrofunktionsschema MF CL 2005 (37691_3A) DEUTSCH.pdf
Elektrofunktionsschema MF CL 2005 (37691_3A).pdf
Elektrofunktionsschema MF CL2 2009 (37691_3E).pdf
Elektrofunktionsschema MF CL2 2010 (37691-3F).pdf
Elektrofunktionsschema MF CL2 2010 (37691_3F).pdf
Elektrofunktionsschema MF CL2 2010 (37691_3H - MF.CL2 EN15).pdf
Elektrofunktionsschema MF CL2 2011 (37691_3I).pdf
Elektrofunktionsschema MF CL2 2012 (37691_3L).pdf
Fahrantrieb
Sauer S1X
Fahrantrieb Sauer S1X (MAN-S1X.03).pdf
Fahrantrieb SAUER S1X (MAN-S1X.04).pdf
S1X Fehlermeldungen.pdf
S1X MACHINE SPEED.pdf
S1X Motordrückung.pdf
S1X Parameter Pumpe und Motor.pdf
S1X-46 Graphic Interface Extended NFPE Control_UM_09-2008_C.pdf
Sauer Susmic52 SOTG
Fahrantrieb Sauer Hydraulik (MAIDSAU.03N).pdf
Fahrantrieb Sauer SOTG Elektrik (MASUS52.01).pdf
Fahrantrieb Sauer SOTG Systemerklaerung (SOTG).pdf
Hydraulik
Hydraulikschema MF Buehnenvorbereitung (40470_2a).pdf
Hydraulikschema MF30.6-30.9 CLASSIC2 ab SAV B721312.pdf
Hydraulikschema MF30.6-30.9 CLASSIC2 ab SAV B837511.pdf
Mechanik
Mechanischer Antriebsstrang (MA640.002).pdf
Teleskopausleger MF 30.6 (MAB7MT.01).pdf
Teleskopausleger MF 30.6 NEU (MAB7MT.02).pdf
Teleskopausleger MF 30.9 (MAB309.01).pdf
Motor
DEUTZ WERSTATTHANDBUCH 2012 (3120361).pdf




