Merlo Multifarmer MF30.6 MF30.9 TOP Service Manual
Size: 200 MB
Document: Service Manual, Mechanic Manual, Hydraulic Diagram, Electrical Diagram
Machine: Telehandler
Machine Model:
Merlo MF30.6 Multifarmer
Merlo MF30.9 Multifarmer
Contents:
Bedienungsanleitungen
Maschine
MF30.6 MF30.9 TOP2 ab SAV C105313 (MF30-T2-03).pdf
Elektrik
Elektrische Anlage
Diagnose Merlin Fehlerliste UPDATE 2012.pdf
Diagnose MERlin Multifarmer ab SAV B027561 (M-LIN306.01) mail.pdf
Diagnose MERlin Multifarmer ab SAV B027561 (M-LIN306.01).pdf
Diagnose MERlin Multifarmer ab SAV B027561 Fehlerliste.pdf
Diagnose Merlin Multifarmer ab SAV B224311 (M-EVO306.02).pdf
Elektrische Anlage Position Sicherungen MF 2000.pdf
Elektromechanischer Joystick (SISTJOY.04).pdf
IT0309b - Kalibrierung Zugmessung Multifarmer.pdf
Elektrofunktionsschemen
Elektrofunktionsschema Buehne MF TOP (40585_3 navicella on off Merlin).pdf
Elektrofunktionsschema MF TOP 2001 (27650E_3).pdf
Elektrofunktionsschema MF TOP 2002 (30952E_3A DEUTSCH).pdf
Elektrofunktionsschema MF TOP 2002 (30952E_3A).pdf
Elektrofunktionsschema MF TOP2 2009 (37812_3D).pdf
Elektrofunktionsschema MF TOP2 2010 (37812_3E).pdf
Elektrofunktionsschema MF TOP2 2012 (37812_3G).pdf
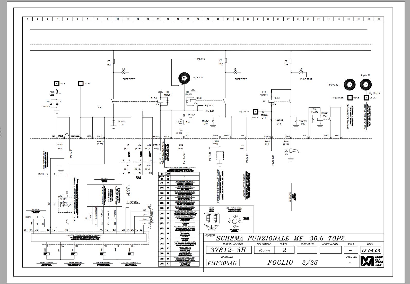
Elektrofunktionsschema MF TOP2 2013 (37812_3H).pdf
Fahrantrieb
Sauer S1X
Fahrantrieb SAUER S1X (MAN-S1X.04).pdf
S1X Fehlermeldungen.pdf
S1X MACHINE SPEED.pdf
S1X Motordrückung.pdf
S1X Parameter Pumpe und Motor.pdf
S1X-46 Graphic Interface Extended NFPE Control_UM_09-2008_C.pdf
Sauer Susmic 52 SOTG
Fahrantrieb Sauer SOTG Elektrik (MASUS52.01).pdf
Fahrantrieb Sauer SOTG Hydraulik (MAIDSAU.03N).pdf
Fahrantrieb Sauer SOTG Systemerklaerung (SOTG).pdf
Hydraulik
Hydraulikschema MF Buehnenvorbereitung (40470_2a).pdf
Hydraulikschema MF30.6 ab SAV B143351.pdf
Hydrostatschema MF30.6 ab SAV B143351.pdf
Mechanik
Mechanischer Antriebsstrang (MA640.002).pdf
Telekopausleger MF 30.6 (MAB7MT.01).pdf
Teleskopausleger MF 30.6 NEU (MAB7MT.02).pdf
Teleskopausleger MF 30.9 (MAB309.01).pdf
#More Product: Merlo Service Manual, Hydraulic & Electrical Diagram,Spare Parts Catalog




