Merlo Panoramic P27.6 PLUS TOP Service Manual
Size: 736 MB
Document: Service Manual, Mechanic Manual, Hydraulic Diagram, Electrical Diagram
Machine: Telehandler
Machine Model: P27.6 PLUS TOP Panoramic
Contents:
Bedienungsanleitungen
Maschine
BA P27.6 2016 KUBOTA.pdf
BA+WA P27.6 2019 KOHLER.pdf
WA P27.6 2016 KUBOTA.pdf
Motor
BA V2607-DI-E3-B -P27.6- (1G777-89118DEU).pdf
BA V3307-CR-TE4 -P27.6PLUS-TOP- (1J500-89155DEU).pdf
Diverse
Klimaanlage
088505 Sonde Antifrost Klima (58064_3a).pdf
Blinkcode UCC.txt
Verbesserung Vereisungsschutz Klimaanlage.pdf
Prospekt P27.6-PLUS-TOP.pdf
Elektrik
Elektrische Anlage
Bühnenvorbereitung
Joystick Systeme (SISTJOY.05).pdf
106507 Kabel Buehne on-off P27 MC01 CIT (68437_3a).pdf
106508 109619 Neigungsensoren Buehnenbetrieb P27.6 P55.9 (68338_2a).pdf
P27.6 Neigungssensoren Buehnenvorbereitung.pdf
Elektrofunktionsschemen
Elektrofunktionsschema P27.6 2016 (66062_3).PDF
Elektrofunktionsschema P27.6 2017 (66062-3A).pdf
Elektrofunktionsschema P27.6 2018 (66062-3B).pdf
Elektrofunktionsschema P27.6 2019 (66062_3C).pdf
Elektrofunktionsschema P27.6 2020 (66062-3D P27 V1).pdf
Elektrofunktionsschema P27.6 2020 (77371-3 P27.6 V2).pdf
Elektrofunktionsschema P27.6 2022 (77371-3A P27 V2).pdf
Kabelplan
108020 Kabel Dauerhydraulik P27.6 (69385_3a).pdf
Fahrantrieb
Hydrostatische Anlage Rexroth P27.6 (MAIDP27.03).pdf
Hydrostatische Anlage Rexroth P27.6 (MI-PSC.01-2019).pdf
Hydrostatschema P27.6 201666692_2.pdf
Hydraulik
Hydraulikschemen
Motor Kohler
Motor Kubota
Dauerhydraulik 69419_2a.pdf
Hydraulikschema P27.6PLUS-TOP 2020 KOHLER MOTOR (77839_2).pdf
Hydrostatschema P27.6PLUS-TOP 2020 KOHLER MOTOR (77955_2).pdf
Hydraulikschema Hubarmfederung P27.6 (70849_2).pdf
Hydraulikschema Hubarmfederung P27.6 mit Senkdrosselventil (70849_2a).pdf
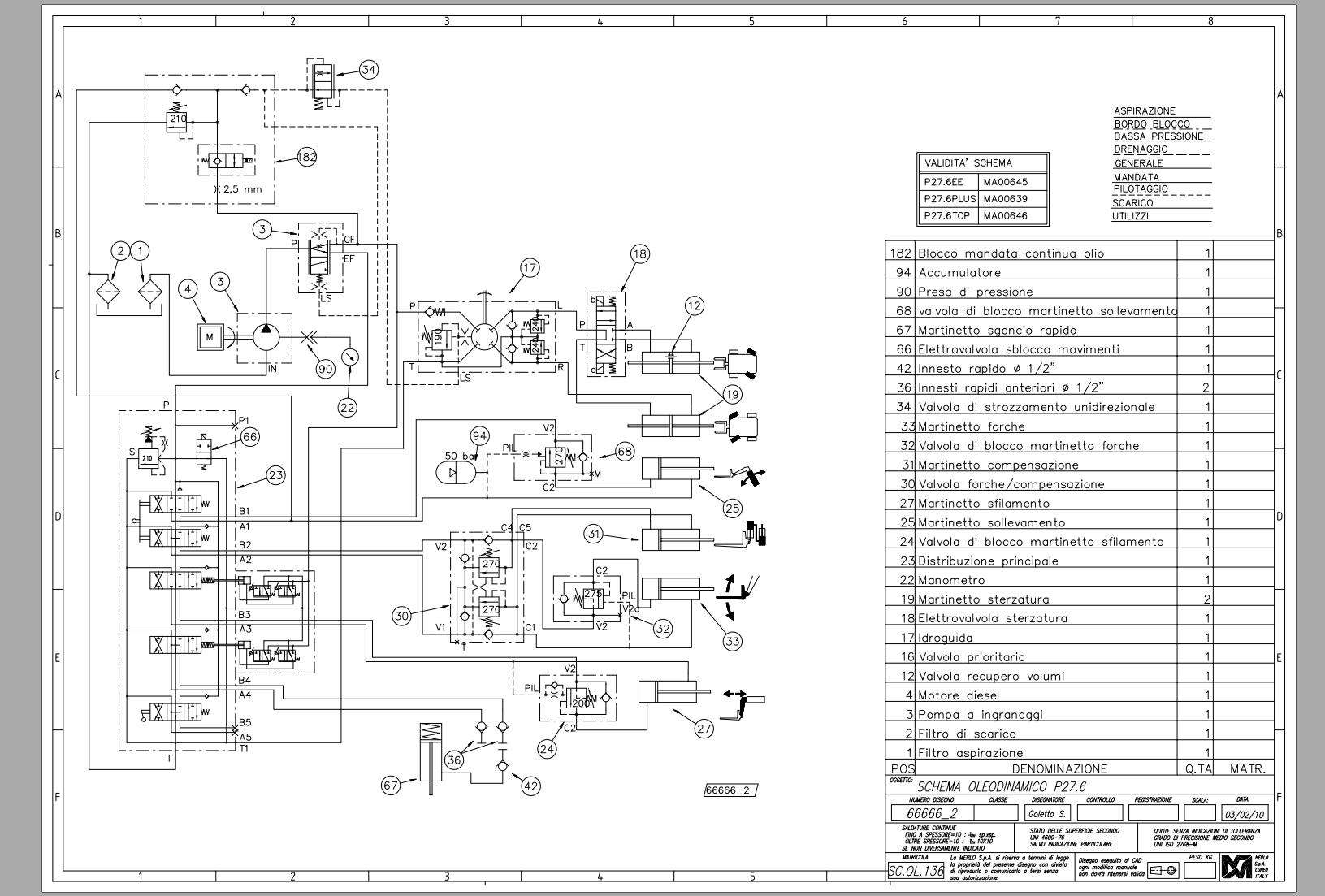
Hydraulikschema P27.6 2016 (66666_2).pdf
Hydraulikschema P27.6 37kW 2016 (66668_2).pdf
Hydraulikschema P27.6 Dauerhydraulik 2010 (69419_2a).pdf
Hydrostatschema P27.6 2016 (66692_2.pdf
Mechanik
Antriebsstrang
Differentiale (MREVDIFF.04).pdf
Getriebe Standard und CVT(MREVGBOX.04).pdf
Reduktionsgetriebe (MREVRIDU.05).pdf
Teleskopausleger
Teleskopausleger P27.6 (MBSC.02).pdf
Motor
Kohler KDI 2504TCR
BA WA KOHLER KDI 2504TCR (Rev. 18 - ED0053029700).pdf
Ersatzteilkatalog Kohler KDI 2504TCR (ED796198).pdf
Help File KDI 2504TCR Stage V (DE_10_07_2019).pdf
KDI Stage V elektrische Startbedingungen_rev 1-02.pdf
Kohler engine components.pdf
Werkstatthandbuch Kohler KDI 2504TCR (ED0053029840-Rev.14).pdf
Workshop manual Kohler KDI 2504TCR (Rev.14).pdf
Überprüfung und Diagnose des Drehstromgenerators.pdf
Wartung
Planmaessige Wartung - Panoramic Super Compact KOHLER (MP-PSCK.01).pdf
Planmaessige Wartung - Panoramic Super Compact KUBOTA (MP-PSC.01).pdf
Planmaessige Wartung - Panoramic Super Compact KUBOTA (MPROGSC.02).pdf
#More Product: Merlo Service Manual, Hydraulic & Electrical Diagram,Spare Parts Catalog



