Merlo ROTO SM 600° R45.19 R45.21 Service Manuals
Size: 141 MB
Machine: TeleHandler
Document: Service Manual, Mechanic Manual, Hydraulic Diagram, Electrical Diagram, Traction Drive Manual,, Operator Manual
Machine Model: ROTO SM 600° R45.19 R45.21
Contents:
Bedienungsanleitungen
Maschine
BA ROTO MCSS 2018 (M1-ROTOMCSS-A-01).pdf
BA ROTO MCSS ab SAV C028142 (ROTOMCSS-06).pdf
BA ROTO MCSS ab SAV C230441 (ROTOMCSS-07).PDF
BA ROTO MCSS ab SAV C344142 (ROTOMCSS-08).pdf
Motor
BA FPT NEF N45ENT N67ENT.pdf
BA IVECO NEF Series Mec (L31900041D_02.07).pdf
Betrieb und Wartung FPT Motor (04_L31900339_DEU -D1-).pdf
NEFseries OFF-ROAD Telehandler engines Tier4F (04_L31900339_02.2017).pdf
Diverse
048638 LBR.pdf
Potentiometer L„ngenmesser Typ Vishay.pdf
ROTO 400V - electrical pump
ROTO 60 ITAL
Elektrik
Elektrische Anlage
Diagnose MERlin-System
Diagnose UGS
Elektrische Anlage Drehdurchfuehrung 065903.pdf
Elektrische Anlage Drucksensor Kolbenstange ROTO MCSS.pdf
Elektrische Anlage Fehlercodeliste ROTO MCSS.pdf
Elektrische Anlage RotoMCSS.pdf
Elektrische Anlage Servosteuerung Tecnord (SERVOTECNORD).pdf
Ersetzen der UCM am ROTO MCSS
Elektrofunktionsschemen
Elektrofunktionsschema nur R40.30-R60.24 2011 (51699_3)(DEUTSCH).pdf
Elektrofunktionsschema nur R40.30-R60.24 2011 (51699_3).pdf
Elektrofunktionsschema nur R40.30-R60.24 2013 (51699_3c).pdf
Elektrofunktionsschema ROTO MCSS 2004 (36343E_3).pdf
Elektrofunktionsschema ROTO MCSS 2004 (36343_3 DEUTSCH).pdf
Elektrofunktionsschema ROTO MCSS 2007 (36343E_3C).pdf
Elektrofunktionsschema ROTO MCSS 2007 (36343_3C DEUTSCH).pdf
Elektrofunktionsschema ROTO MCSS 2009 (36343_3E).pdf
Elektrofunktionsschema ROTO MCSS 2010 (36343_3F).pdf
Elektrofunktionsschema ROTO MCSS 2010 (36343_3G EN13000 DEUTSCH).pdf
Elektrofunktionsschema ROTO MCSS 2010 (36343_3G EN13000).pdf
Elektrofunktionsschema ROTO MCSS 2011 (36343_3I).pdf
Elektrofunktionsschema ROTO MCSS 2012 (36343_3L).pdf
Elektrofunktionsschema ROTO MCSS 2013 (36343_3M).pdf
Elektrofunktionsschema ROTO MCSS 2013 (36343_3N).pdf
Elektrofunktionsschema ROTO MCSS 2014 (51699_3D - ROTO 60.24 '14)(TIER IV).pdf
Elektrofunktionsschema ROTO MCSS 2014 (51699_3F - ROTO 60.24 '14) (TIER IV).pdf
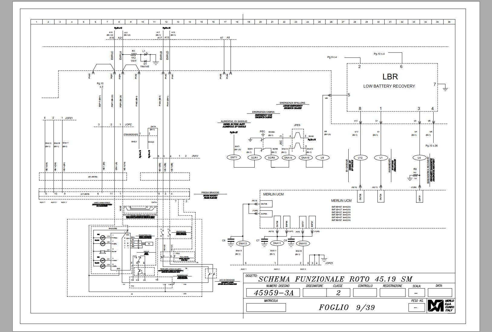
Elektrofunktionsschema ROTO MCSS V2 2017 (68483_3 MCSS '17).pdf
Fehlermeldungen
Details
Fehlercodeliste ROTO MCSS 2006.pdf
Fehlercodeliste ROTO MCSS 2017.pdf
Fahrantrieb
Merlo
Diagnosesoftware HydraTecno V.2.6.0 (MD-HYDTEC.03).pdf
Hydrostatischer Antrieb MERLO UCTI (MANUCTI.02).pdf
Hydrostatischer Antrieb MERLO UCTI (MANUCTI.01).pdf
UCTI ERROR LIST LED.pdf
Rexroth
Datenblatt Rexroth RC Microcontroller.pdf
Fahrantrieb Rexroth (REXIDREL-02).pdf
Fehlerliste Rexroth.pdf
Hydraulik
AB SAV B417141 - Sauer Danfoss
055759 Sauer Danfoss Hauptblock.pdf
064699 Sauer Danfoss Hauptblock (43661_1).pdf
Hauptsteuerblock DANFOSS Roto MCSS.pdf
Hydraulikschema ROTO40.25MCSS ab SAV B505141.pdf
Hydraulikschema ROTO45.21MCSS ab SAV B643542.pdf
Hydropneumetischer Niveauausgleich (MASOSP.03).pdf
HydrVentileUnterwagen.pdf
Sauer-Danfoss Hauptblock Wechselventil.pdf
AB SAV B815443 - Bucher Semi Compensation
075179 Block Load Sensing Signal (51151_3).pdf
44176_1.pdf
44177_1.pdf
Hydraulikschema R45.19 - R40.26MCSS ab SAV B836244.pdf
Hydraulikschema ROTO MCSS ab SAV C028142.pdf
Hydraulikschema ROTO45.21MCSS 2008.pdf
Hydraulische Anlage Load Sensing ROTO (MAHYROTO-02).pdf
Hydraulische Anlage Steuergeraete Unterwagen ROTO MCSS.pdf
Hydropneumetischer Niveauausgleich (MASOSP.03).pdf
AB SAV C230441 - Bucher Flow Sharing
Hydraulikschemen
Hydraulikschema R40.30 - R60.24 MCSS ab SAV C109424.pdf
Hydraulikschema ROTO 40.30 - 60.24 ab SAV C210142 (51843_1a).pdf
Hydraulikschema Roto 40.30 - 60.24 MCSS ab SAV C210142.pdf
Hydraulikschema ROTO45.21-45.19MCSS ab SAV C210142 (54975_1c).pdf
Hydraulikschema ROTO60.24MCSS 4F 2017 (69629_1a).pdf
HYDRAULIKSCHEMEN ROTOMCSS ab SAV C344142 (ROTOMCSS-08).pdf
Hydraulische Anlage
Hydraulische Anlage Bucher HDS34 (MAHDS34.01).pdf
Hydropneumetischer Niveauausgleich (MASOSP.03).pdf
Magnetventile Steuerung Abstuetzungen ROTO MCSS(SOSPMCSS.01).pdf
Technische Zeichnung Hauptsteuerblock BUCHER HDS34.pdf
Mechanik
Antriebsstrang
Differentiale (MREVDIFF.04).pdf
Getriebe Standard und CVT(MREVGBOX.04).pdf
Mechanischer Antriebsstrang ROTO ab SAV 549435 (MA640-02).pdf
Mechanischer Antriebsstrang ROTO ab SAV B818341(GRMECNW-01).pdf
Reduktionsgetriebe (MREVRIDU.05).pdf
Schwenkgetriebe
Schwenkgetriebe ab SAV C139444 (MARIDTOR.01).pdf
Schwenkgetriebe bis SAV C139444 (RIDUSOM-02).pdf
Teleskopausleger
ROTO60.24MCSS Seilspannung im Ausleger.pdf
Teleskopausleger Kabel R40.25 - R40.26 (MACA4025.01).pdf
Teleskopausleger Kabel R45.19 - R45.21 - R50.16 (MACA4521.01).pdf
Teleskopausleger R40.25 - R40.26 (MAB4025-01).pdf
Teleskopausleger R45.19 - R45.21 - R50.16 (MAB40-02).pdf
Teleskopausleger ROTO40.30 (MAB4025-01).pdf
Teleskopausleger ROTO60.24 (MAB6024.02).pdf
Motor
FPT N45 ENT TIER 4F
004.N45-N67_T4BStIV_Fail_React_20160229.pdf
106389 Kabelbaum FPT NEF T4F ROTO MCSS (68374_3e).pdf
5801747792_PIVOT_NEF6CYL_TIER4B-STAGEIV_1AND2BOX_V1.2_E (13-JN-14.pdf
5801747793_PIVOT_NEF _and_CURSOR_Tier4B-StageIV_2box_V1.1_B_26-11-14.pdf
Errori_Engine_FPT.pdf
Errori_Engine_FPT.xlsx
FPT FEHLERLISTE.pdf
Seiten aus Elektrofunktionsschema ROTO MCSS V2 2017 (68483_3 MCSS '17).pdf
WHB FPT F4BE-F4GE MOTOREN NEF D.pdf
WHB NEF N45-N67-ENT TIER 4i.pdf
WHB NEF N45-N67-MNT-TIER 3.pdf




