Merlo TF30.9 33.7 33.9 35.7 38.7 38.10 42.7 45.11 50.8-65.9 Turbofarmer Modular Service Manual
Size: 2.58 GB
Machine: TeleHandler
Document: Service Manual, Mechanic Manual, Hydraulic & Electrical Diagram
Machine Model:
TF30.9-115
TF30.9-G
TF33.7-115
TF33.7-G
TF33.9
TF33.9-115
TF35.7
TF35.7-115
TF38.10-140
TF38.7-TF38.10-TF42.7-120-156
TF42.7-140
TF45.11-TF50.8
TF65.9TCS-170-HF
Contents:
Bedienungsanleitungen
Arbeitsbuehne
Benutzung der Arbeitsbuehne TF MODULAR (PLTF-01)
Maschine
TF30.9-115 Operation & Maintenance Manual
TF30.9-G Operation & Maintenance Manual
TF33.7-115 Operation & Maintenance Manual
TF33.7-G Operation & Maintenance Manual
TF33.9 Operation & Maintenance Manual
TF33.9-115 Operation & Maintenance Manual
TF35.7 Operation & Maintenance Manual
TF35.7-115 Operation & Maintenance Manual
TF38.10-140 Operation & Maintenance Manual
TF38.7-TF38.10-TF42.7-120-156 Operation & Maintenance Manual
TF42.7-140 Operation & Maintenance Manual
TF45.11-TF50.8 Operation & Maintenance Manual
TF65.9TCS-170-HF Operation & Maintenance Manual
Motor
BA DEUTZ TCD 3.6 L4 (03124632_2013).pdf
BA DEUTZ TCD 3.6 L4 TIER4 (03124678_DE FINAL).pdf
BA DEUTZ TCD 4.1 L4 (03123770_2011).pdf
Betrieb und Wartung FPT Motor (04_L31900339_DEU -D1-).pdf
Diverse
Bhnenbetrieb
Elektrik
Anleitung Austausch Roller KIT 104325(D1WWTE11IE).PDF
Cab dashboard lights.pdf
Elenco codici di errore UGW.DOCX
MODULAR INFO.doc
MODULAR SYSTEM - flow chart.pdf
Schema connettori modulare - DE.pdf
switch board.pdf
Vehicle Spy 3 Installation procedure.pdf
Vehicle Spy screenshot.docx
Klimaanlage
088505 Sonde Antifrost Klima (58064_3a).pdf
Blinkcode UCC.txt
Verbesserung Vereisungsschutz Klimaanlage.pdf
Migliorie Prodotto TF II.pdf
Elektrik
Elektrische Anlage
Diagnose des Modularen Systems (MD-TMMOD.01).pdf
Diagnosesoftware Merlo Tool V1.5.0 (MD-MTOOL.02).pdf
Diagnosesoftware Merlo Tool Versionen
Diagnosesoftware Merlo Tool V.1.0.0 (DIA-MTOOL.02).pdf
Diagnosesoftware Merlo Tool V.1.0.1 (DIA-MTOOL.05).pdf
Diagnosesoftware Merlo Tool V.1.0.3 (DIA-MTOOL.06).pdf
Diagnosesoftware Merlo Tool V1.1.1 (MD-MTOOL.01).pdf
Dynamische Lastkontrolle CDC (TFCDCMOD.02).pdf
Fehlerliste UGSFR TF G-Modelle.PDF
Joystick Systeme (SISTJOY.05).pdf
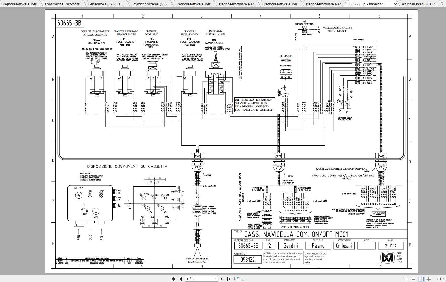
Elektrofunktionsschemen
Anschlussplan Buehne
Anschlussplan Deutz
Elektrofunktionsschema SAV
Elektrofunktionsschema STD
LiesMich.txt
Fehlermeldungen
Fehlercodes Modulsystem V1.25.0 (MD-CODER.01).pdf
Fehlercodes Modulsystem V1.29.0 (MD-CODER.02).pdf
Fehlercodes Modulsystem V1.30.0 (MD-CODER.03).pdf
Fehlercodes Modulsystem V1.40.0 (MD-CODER.04).pdf
J1939 error codes.txt
Fahrantrieb
Hydratecno Diagnose
Diagnosesoftware HydraTecno V.2.6.0 (MD-HYDTEC.03).pdf
Hydrostatische Anlage
Hydrostatischer Fahrantrieb Rexroth mechanisch geregelt (MI-IDREX.01).pdf
Hydrostatischer Fahrantrieb UCTI Allgemein (MANUCTI.02).pdf
Hydrostatischer Fahrantrieb UCTI REXROTH (MAUCTIREX.03).pdf
Hydrostatischer Fahrantrieb UCTI SAUER (MAUCTISAU.01).pdf
Hydrostatschemen
Hydrostatschema MF40-TF45-TF50 2015 (63634_2a).pdf
Hydrostatschema TF30.9-33.7-33.9-35.7-120-115-G63281_2a.pdf
Hydrostatschema TF38-TF42 2VM - STD (58835_3a).pdf
Hydrostatschema TF38-TF42 T2M - CVT (59852_2b).pdf
Hydrostatschema TF50.8T-170 (62473_2b).pdf
Hydraulik
Hydraulikschemen
TF Heavy Duty (TF45-TF50-TF65)
Hydraulikschema TF45-TF50T-CS-156-CVT (62472_2c).pdf
Hydraulikschema TF50.8T-TF45.11T-170 (62472_2c).pdf
Hydraulikschema TF65.9TCS-170-HF (80341_2).pdf
Hydrostatschema TF65.9TCS-170-CVT-HF (63634_2c).pdf
TF Kompakt (TF30-33-35)
Hydraulikschema TF30.9-33.7-33.9-35.7-115 LS (62995_2a).pdf
Hydraulikschema TF30.9-33.7-33.9-35.7-120-115-L-G (62993_2a).pdf
Hydraulikschema TF30.9-TF33.7-TF33.9-TF35.7-120 (62995_2).pdf
Hydraulikschema TF35.7-33.9-120G-115G (62993_2).pdf
Hydrostatschema TF30.9-33.7-33.9-35.7-120-115-L-G-LS (63281_2a).pdf
TF Standard (TF38-42)
Hydraulikschema TF CS (58832_2).pdf
Hydraulikschema TF G (61401_2).pdf
Hydraulikschema TF Modular - starre Vorderachse (58831_2).pdf
Hydraulikschema TF Modular - TT Vorderachse (58833_2).pdf
Hydraulikschema TF TT CS (58834_2a).pdf
Hydraulikschema TF38-TF42 Schwingungsd„mpfung (69163_2).pdf
Hydraulikschema TF38.10-140 - TF42.7-140 (66470_2).pdf
Hydrostatschema TF 2VM - STD (58835_3a).pdf
Hydrostatschema TF T2M - CVT (59852_2b).pdf
TF Standard T4F (TF38-42-140)
Hydraulikschema TF38-TF42-140 (66470_2a).pdf
Hydraulikschema TF38-TF42-CS-140 (66468_2a).pdf
Hydraulikschema TF38-TF42-TTCS-140 (66467_2a).pdf
Hydraulikschema TF38-TF42TT-140 (66469_2a).pdf
Hydrostatschema TF38-TF42-140 (66465_2a).pdf
Hydrostatschema TF38-TF42-TTCS-140 SAUER (76435_3).pdf
Hydrostatschema TF38-TF42-TTCS-140-CVT (66466_2b).pdf
Hydrostatschema TF38-TF42-TTCS-140-CVT SAUER (76432_2).pdf
Hydraulische Anlage
Hydraulischer Verteiler TF-G (Zahnradpumpe) Walvoil 4L WL SDS140-4 (MHYDTFG.01).pdf
Hydraulischer Verteiler TF30-TF33-TF35 Bucher HDS34 mit Schrittmotoren (MHYDTFCMD.01).pdf
Hydraulischer Verteiler TF38-TF40 Bucher HDS34 mit Servomodulen (MHYDTFII.02).pdf
Hydraulischer Verteiler TF38-TF42 Bucher HDS34 mit Schrittmotoren (MHYDTFFN.02).pdf
Hydraulischer Verteiler TF45-TF50 Bucher HDS34 mit Schrittmotoren (MHYDTFHD.03).pdf
Kabinenfederung (MH-CABSOS).pdf
Mechanik
Getriebe
2VM Standard Getriebe
Differentiale (MREVDIFF.04).pdf
Getriebe Standard und CVT(MREVGBOX.04).pdf
Reduktionsgetriebe (MREVRIDU.05).pdf
T2M CVT Getriebe
Teleskopausleger
Teleskopausleger TF30.9-33.9-45.11-MF40.9 (MAB3SZ.01).pdf
Teleskopausleger TF35.7.30.9-33.9 (MBTFCMD.01).pdf
Teleskopausleger TF42.7-TF38.10 (MBTFII.01).pdf
Zapfwelle
Ueberholung der Zapfwelle (MAPTOTF.01).pdf
Motor
DEUTZ
DQC-Kuehlsystemschutzmittelliste_01_2021.pdf
Elektrik
Fehlermeldungen
TCD 3,6 L 4 = TCD 2010 Lo 4
TCD 4,1 L 4 = TCD 2012 Lo 4 V
FPT
004.N45-N67_T4BStIV_Fail_React_20160229.pdf
Errori_Engine_FPT.xlsx
FnR_P662vD3_NEF4Cyl_Merlo_Telehandler_unified_inducements_20161213_rev03.xls
FPT FEHLERLISTE.pdf
Kohler KDI 2504TCR
BA WA KOHLER KDI 2504TCR (Rev. 18 - ED0053029700).pdf
Ersatzteilkatalog Kohler KDI 2504TCR (ED796198).pdf
Help File KDI 2504TCR Stage V (DE_10_07_2019).pdf
Kohler engine components.pdf
Werkstatthandbuch Kohler KDI 2504TCR (ED0053029840-Rev.14).pdf
Workshop manual Kohler KDI 2504TCR (Rev.14).pdf
šberprfung und Diagnose des Drehstromgenerators.pdf
Wartung
Heavy Duty (P45.11-P50.8)
Planmaessige Wartungseingriffe TF Heavy Duty mit DEUTZ (MPROGTFHD.01).pdf
Planmaessige Wartungseingriffe TF Heavy Duty mit DEUTZ (MPROGTFHD.02).pdf
Planmaessige Wartungseingriffe TF Heavy Duty mit FPT (MP-TFHDFPT.01).pdf
Kompakt Medium (TF30.9-33.7-33.9-35.7)
WA TF Kompakt - TF Medium Duty mit Deutz IIIB (MPROGTFCM.01).pdf
WA TF Kompakt - TF Medium Duty mit DZ 3.6 IVFinal Motor (MPROGTFCMF.01).pdf
WA TF-G Kompakt und Medium mit 75-115PS (MPROGTFCMG.02).pdf
Standard (TF38.7-38.10-42.7)
Planmaessige Wartungseingriffe TF Standard mit Deutz 3.6 IVFinal (MPROGFTFII.02).pdf
Planmaessige Wartungseingriffe TF Standard mit Deutz IIIB (MPROGTFII.01).pdf
Planm„áige Wartung TFII Final Deutz TCD 3.6 L04 Stage IV 100kW 140PS (MP-TFIIF140.01).pdf






