Mitsubishi EDR15HN-36V EDR15HN-36V ESR20HN-36V ESR20N-36V ESS15N-36V ESS20N-36V Schematic
Size: 1.44 MB
Machine: Forklift
Machine Model: EDR15HN-36V EDR15HN-36V ESR20HN-36V ESR20N-36V ESS15N-36V ESS20N-36V
Content:
POWER SUPPLY 1
MAIN CIRCUITS 2
DRIVE CIRCUIT 1 3
STEERING CIRCUIT 4
HYDRAULIC CONTROL CIRCUIT 1 5
HYDRAULIC CONTROL CIRCUIT 2 6
HYDRAULIC CONTROL CIRCUIT 3 7
CONTROL CIRCUIT 1 8
CONTROL CIRCUIT 2 9
SIGNAL / LIGHT CIRCUIT 10
FANS, AUX. DRIVES 11
COLD STORAGE 12
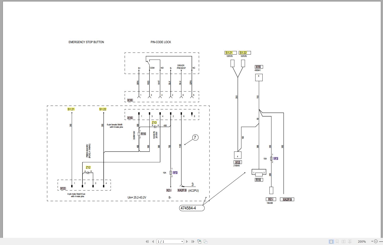
OPTION PIN_ CODE LOCK 13
WIRE HARNESS W6 (RL468748) PART-1 14
WIRE HARNESS W (RL468748) PART-2 15
WIRE HARNESS 16
WIRE HARNESS W11 (RL465495) 17
WIRE HARNESS W7 (RL468744) 18
WIRE HARNESS W8 (RL468474) 19
WIRE HARNESS W2 (RL468743 OR RL468745) 20
WIRE HARNESS W3 (RL468690) 21
WIRE HARNESS W4 (RL468472) 22
WIRE HARNESS W5 (RL468739) 23
WIRE HARNESS W4 (RL468740) 24
COLD STORAGE W12 (RL471562) 25
OPTIONS WIRE HARNESS W9 (RL469491) 26


